GM Service Manual Online
For 1990-2009 cars only
Figure 1:

Cell 20: PCM Power and Grounds


Object Number: 380974  Size: FS
Engine Controls Components
Powertrain Control Module Description
Cell 20: MIL Control, DLC
OBD II Symbol Description Notice
Cell 10: PCM Fuse and MAF Fuse (Buick)
Cell 10: PCM Fuse and MAF Fuse (Buick)
Cell 10: PCM Fuse and MAF Fuse (Buick)
Cell 10: PCM Fuse and MAF Fuse (Buick)
Powertrain Control Module Connector End Views
Handling ESD Sensitive Parts Notice
Cell 14: G100 and G101 (Buick)
Cell 10: Battery
Figure 2:

Cell 20: MIL Control, DLC


Object Number: 380976  Size: FS
Engine Controls Components
Powertrain Control Module Description
Cell 20: Ignition Control Module
Cell 20: PCM Power and Grounds
OBD II Symbol Description Notice
Cell 10: Battery
Cell 10: HTD ST/IP Fuse and EXT LP Fuse
Cell 10: CHIME(IGN 1) Fuse (Buick)
Handling ESD Sensitive Parts Notice
Cell 10: IP 1 Fuse (Buick)
Powertrain Control Module Connector End Views
Handling ESD Sensitive Parts Notice
Data Link Connector Schematics
Ground Distribution Schematics
Cell 14: G100 and G101 (Buick)
Figure 3:

Cell 20: Ignition Control Module


Object Number: 380977  Size: FS
Engine Controls Components
Powertrain Control Module Description
Cell 20: Fuel Control
Cell 20: MIL Control, DLC
OBD II Symbol Description Notice
Handling ESD Sensitive Parts Notice
Powertrain Control Module Connector End Views
Handling ESD Sensitive Parts Notice
Figure 4:

Cell 20: Fuel Control


Object Number: 380980  Size: FS
Engine Controls Components
Powertrain Control Module Description
Cell 20: Fuel Injectors
Cell 20: Ignition Control Module
OBD II Symbol Description Notice
Cell 10: IGN 3 Fuse, Ignition Switch (Buick)
Cell 10: Battery
Cell 10: F/PMP Fuse, HZRD/STOP Fuse, and INTR LP Fuse
Cell 10: OXYGEN SENSORS Fuse (Buick)
Handling ESD Sensitive Parts Notice
Cell 14: G100 and G101 (Buick)
Cell 14: G306 and G302 (2 of 2)
Powertrain Control Module Connector End Views
Handling ESD Sensitive Parts Notice
Figure 5:

Cell 20: Fuel Injectors


Object Number: 380981  Size: FS
Engine Controls Components
Powertrain Control Module Description
Cell 20: Sensors
Cell 20: Fuel Control
OBD II Symbol Description Notice
Cell 10: Battery
Powertrain Control Module Connector End Views
Handling ESD Sensitive Parts Notice
Figure 6:

Cell 20: Sensors


Object Number: 380985  Size: FS
Engine Controls Components
Powertrain Control Module Description
Cell 20: Heated Oxygen Sensors
Cell 20: Fuel Injectors
OBD II Symbol Description Notice
Handling ESD Sensitive Parts Notice
Cell 20: Heated Oxygen Sensors
Cell 20: Heated Oxygen Sensors
Powertrain Control Module Connector End Views
Handling ESD Sensitive Parts Notice
Cell 20: Heated Oxygen Sensors
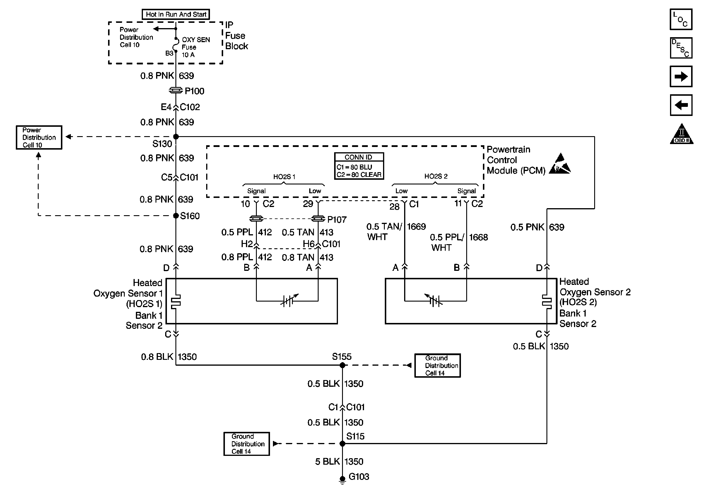
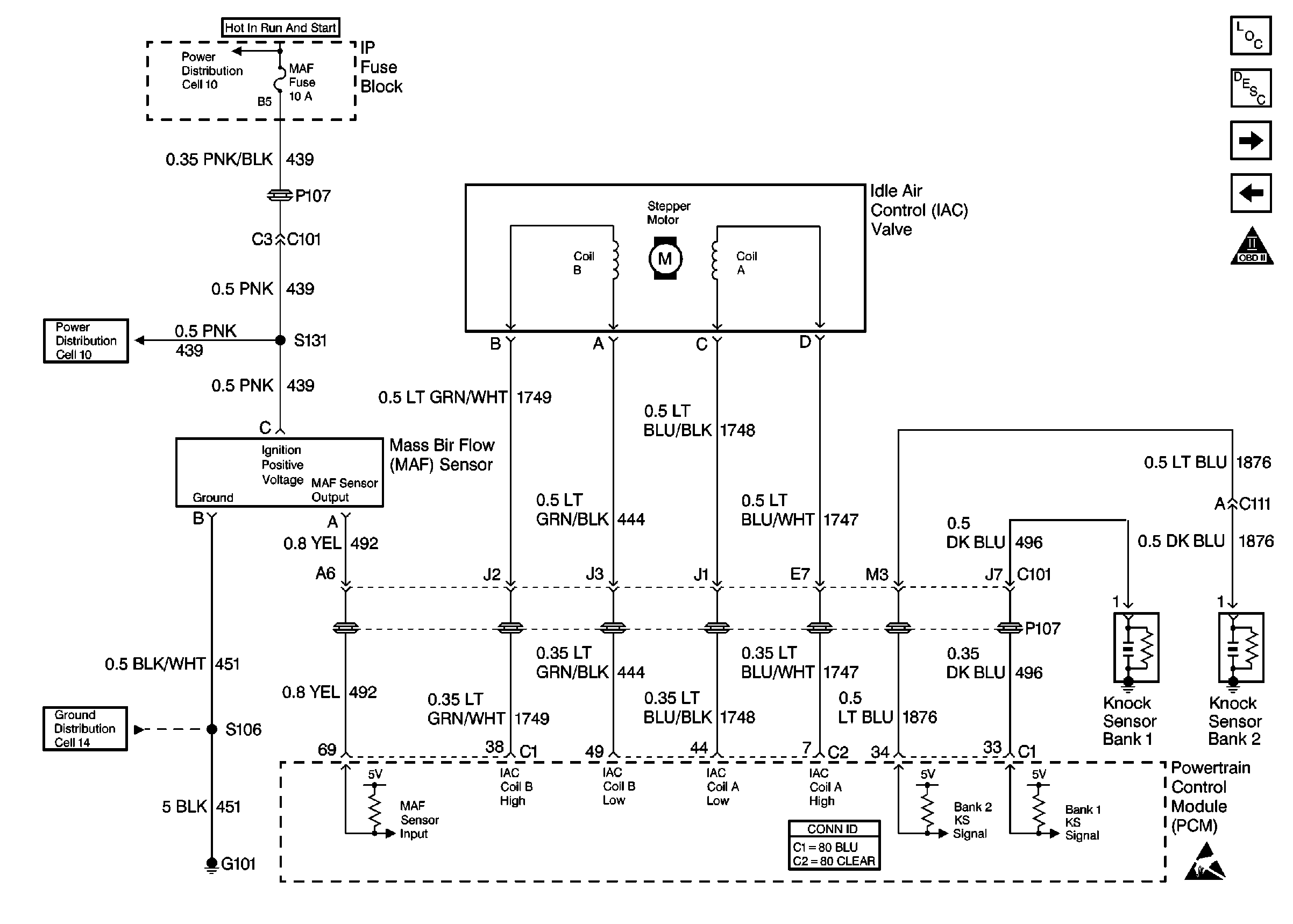
Figure 7:

Cell 20: Heated Oxygen Sensors


Object Number: 380992  Size: FS
Engine Controls Components
Powertrain Control Module Description
Cell 20: MAF, IAC, Knock Sensors
Cell 20: Sensors
OBD II Symbol Description Notice
Cell 10: OXYGEN SENSORS Fuse (Buick)
Cell 10: OXYGEN SENSORS Fuse (Buick)
Powertrain Control Module Connector End Views
Handling ESD Sensitive Parts Notice
Cell 14: G103 (2 of 2)
Cell 14: G103 (2 of 2)
Figure 8:

Cell 20: MAF, IAC, Knock Sensors


Object Number: 380989  Size: FS
Engine Controls Components
Powertrain Control Module Description
Cell 20: Cruise Control Module
Cell 20: Heated Oxygen Sensors
OBD II Symbol Description Notice
Cell 10: PCM Fuse and MAF Fuse (Buick)
Cell 10: PCM Fuse and MAF Fuse (Buick)
Ground Distribution Schematics
Powertrain Control Module Connector End Views
Handling ESD Sensitive Parts Notice
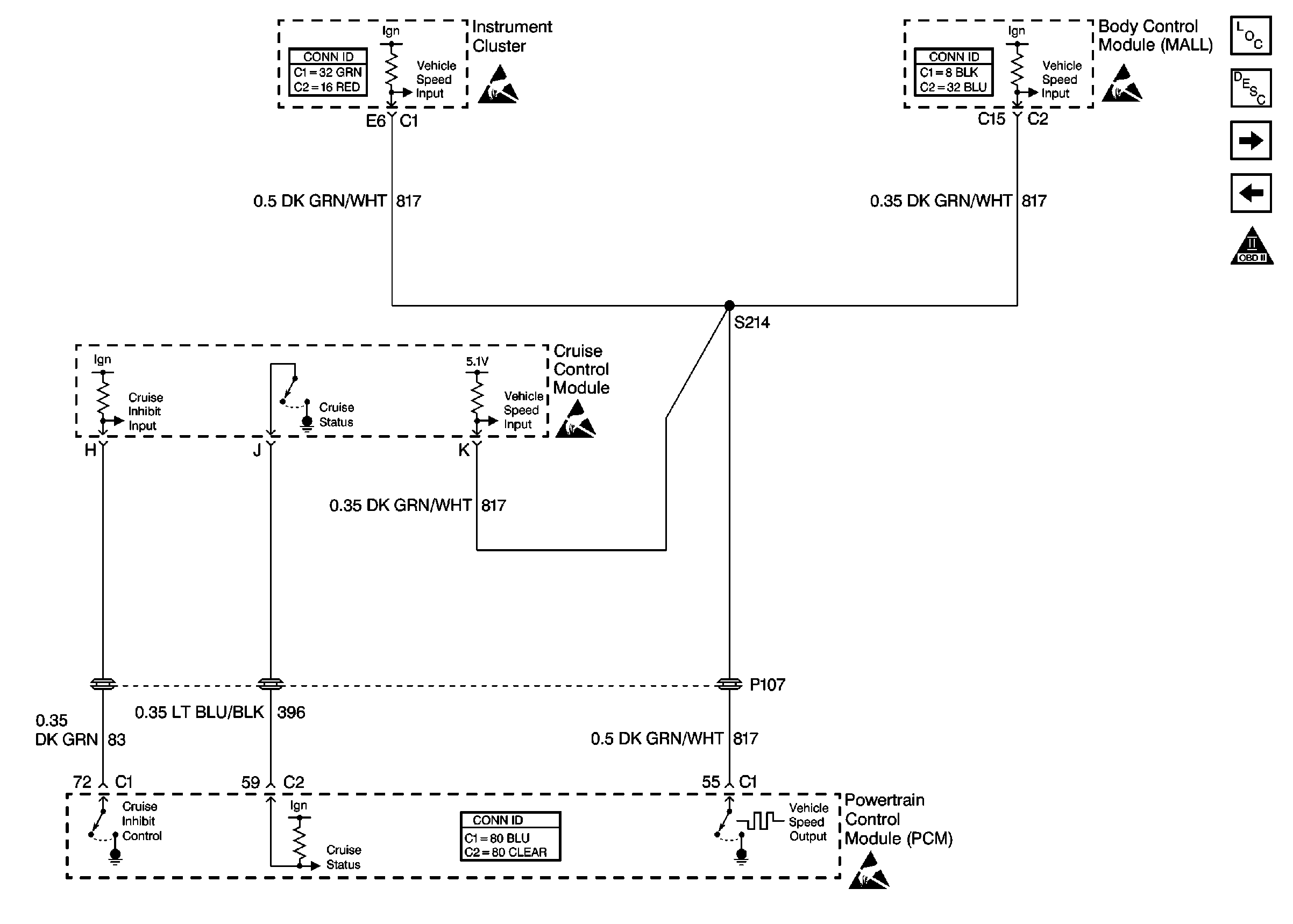
Figure 9:

Cell 20: Cruise Control Module


Object Number: 381065  Size: FS
Engine Controls Components
Powertrain Control Module Description
Cell 20: EVAP Control, EGR Valve
Cell 20: MAF, IAC, Knock Sensors
OBD II Symbol Description Notice
Handling ESD Sensitive Parts Notice
Handling ESD Sensitive Parts Notice
Handling ESD Sensitive Parts Notice
Handling ESD Sensitive Parts Notice
Powertrain Control Module Connector End Views
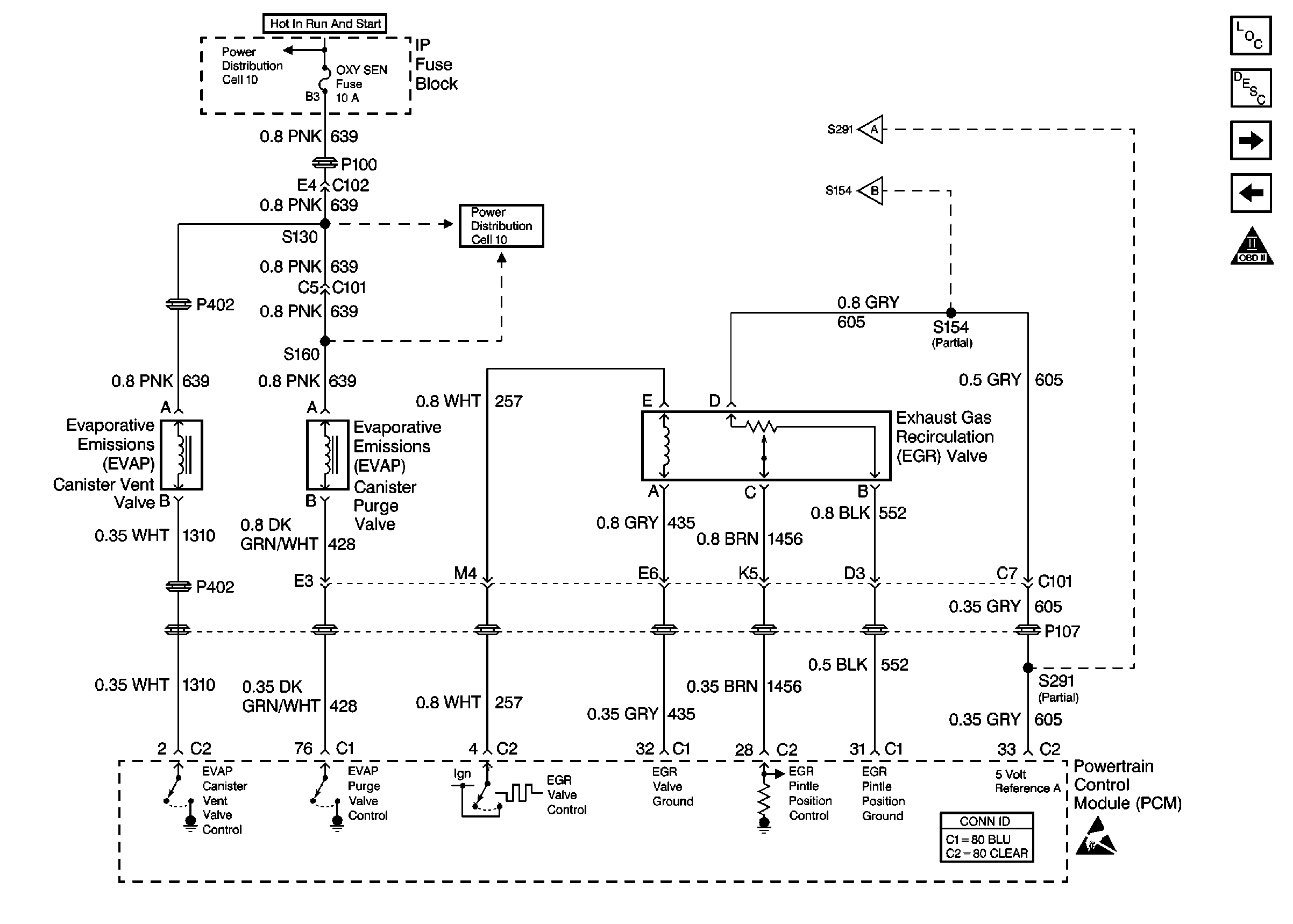
Figure 10:

Cell 20: EVAP Control, EGR Valve


Object Number: 380987  Size: FS
Engine Controls Components
Powertrain Control Module Description
Cell 20: Generator, Oil Level Switch, EBTCM
Cell 20: Cruise Control Module
OBD II Symbol Description Notice
Cell 10: Battery
Cell 20: Cruise Control Module
Cell 10: OXYGEN SENSORS Fuse (Buick)
Cell 20: Cruise Control Module
Powertrain Control Module Connector End Views
Handling ESD Sensitive Parts Notice
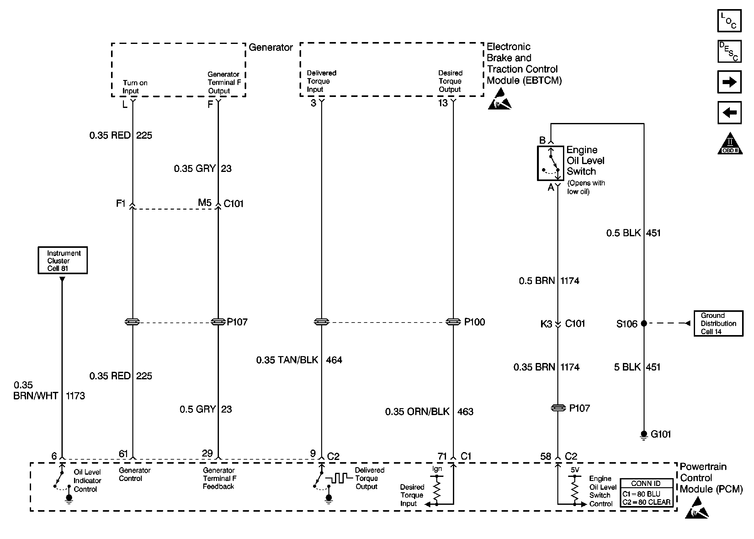
Figure 11:

Cell 20: Generator, Oil Level Switch, EBTCM


Object Number: 381066  Size: FS
Engine Controls Components
Powertrain Control Module Description
Cell 20: TCC Switch, Transaxle Solenoids
Cell 20: EVAP Control, EGR Valve
OBD II Symbol Description Notice
Handling ESD Sensitive Parts Notice
Cell 81: Coolant Level Switch
Cell 14: G100 and G101 (Buick)
Powertrain Control Module Connector End Views
Handling ESD Sensitive Parts Notice
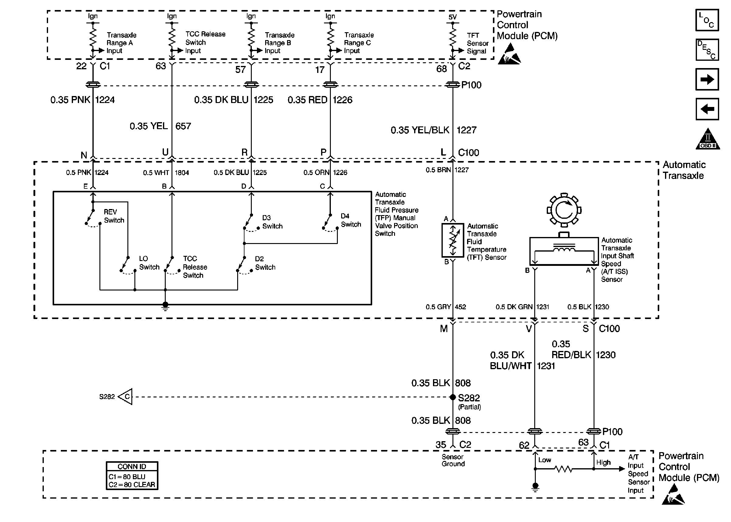
Figure 12:

Cell 20: TCC Switch, Transaxle Solenoids


Object Number: 381069  Size: FS
Engine Controls Components
Powertrain Control Module Description
Cell 20: Transaxle - Sensors and TR Switch
Cell 20: Generator, Oil Level Switch, EBTCM
OBD II Symbol Description Notice
Cell 10: HVAC RELAY Fuse and CLNG FAN Fuse (Buick)
Cell 10: Battery
Cell 10: HVAC RELAY Fuse and CLNG FAN Fuse (Buick)
Cell 10: OXYGEN SENSORS Fuse (Buick)
Cell 34: Multifunction Lever
Handling ESD Sensitive Parts Notice
Powertrain Control Module Connector End Views
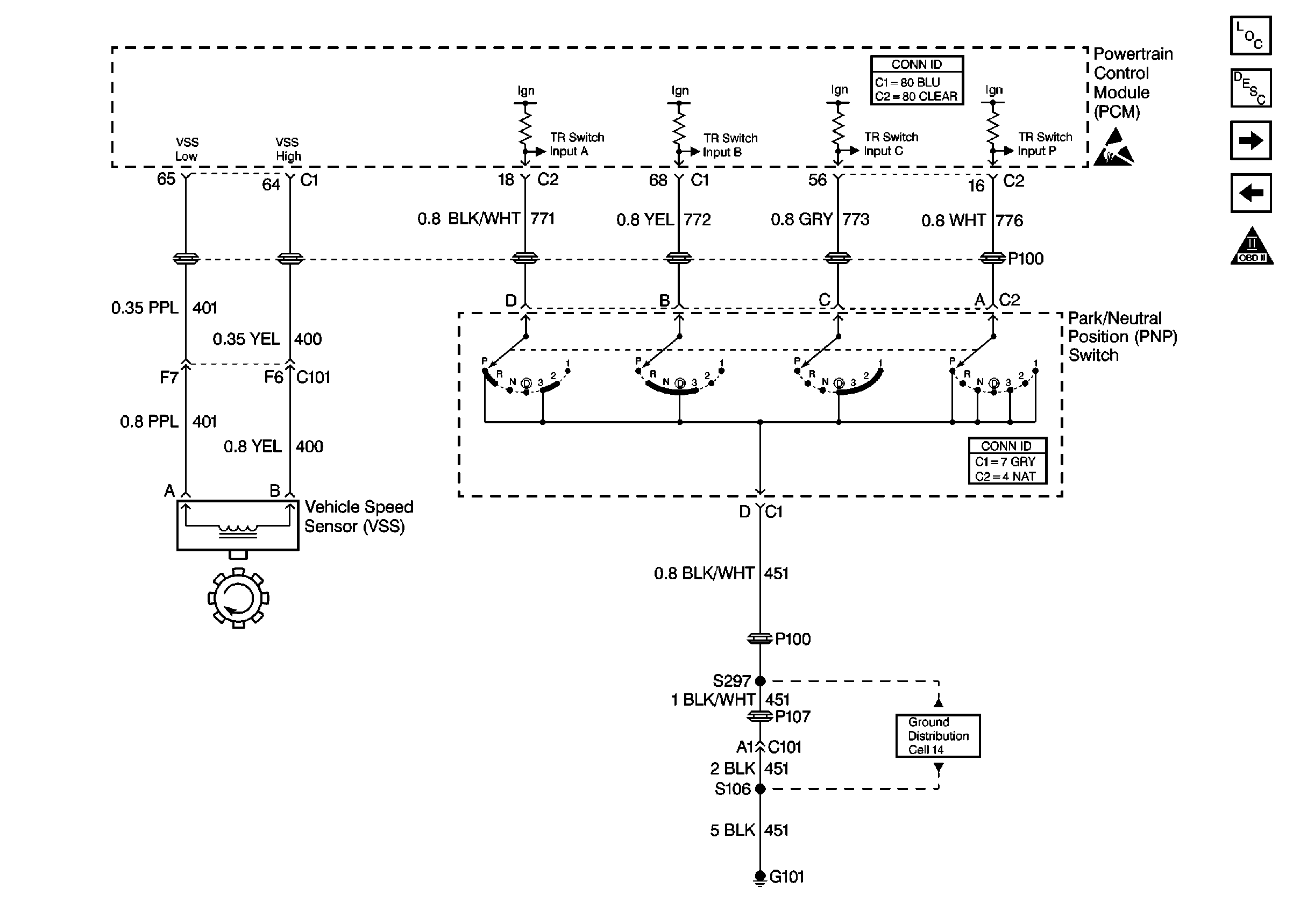
Figure 13:

Cell 20: Transaxle -- Sensors and TR Switch


Object Number: 381070  Size: FS
Engine Controls Components
Powertrain Control Module Description
Cell 20: Park/Neutral Position (PNP) Switch
Cell 20: TCC Switch, Transaxle Solenoids
OBD II Symbol Description Notice
Handling ESD Sensitive Parts Notice
Cell 20: TCC Switch, Transaxle Solenoids
Powertrain Control Module Connector End Views
Handling ESD Sensitive Parts Notice
Figure 14:

Cell 20: Park/Neutral Position (PNP) Switch


Object Number: 381071  Size: FS
Engine Controls Components
Powertrain Control Module Description
Cell 20: A/C Compressor Control
Cell 20: Transaxle - Sensors and TR Switch
OBD II Symbol Description Notice
Powertrain Control Module Connector End Views
Handling ESD Sensitive Parts Notice
Cell 14: G100 and G101 (Buick)
Figure 15:

Cell 20: A/C Compressor Control


Object Number: 381067  Size: FS
Engine Controls Components
Powertrain Control Module Description
Cell 20: Cooling Fans
Cell 20: Park/Neutral Position (PNP) Switch
OBD II Symbol Description Notice
Cell 10: HVAC CONT Fuse (1 of 2) (Buick)
Cell 10: Battery
Cell 10: HVAC CONT Fuse (2 of 2) (Buick)
Handling ESD Sensitive Parts Notice
Cell 14: G201 (2 of 2)
Powertrain Control Module Connector End Views
Handling ESD Sensitive Parts Notice
Cell 14: G103 (2 of 2)
Figure 16:

Cell 20: Cooling Fans


Object Number: 381068  Size: FS
Engine Controls Components
Powertrain Control Module Description
Cell 20: A/C Compressor Control
OBD II Symbol Description Notice
Cell 10: Battery
Cell 10: HVAC RELAY Fuse and CLNG FAN Fuse (Buick)
Cell 10: HVAC RELAY Fuse and CLNG FAN Fuse (Buick)
Powertrain Control Module Connector End Views
Handling ESD Sensitive Parts Notice
Cell 14: G103 (2 of 2)