GM Service Manual Online
For 1990-2009 cars only

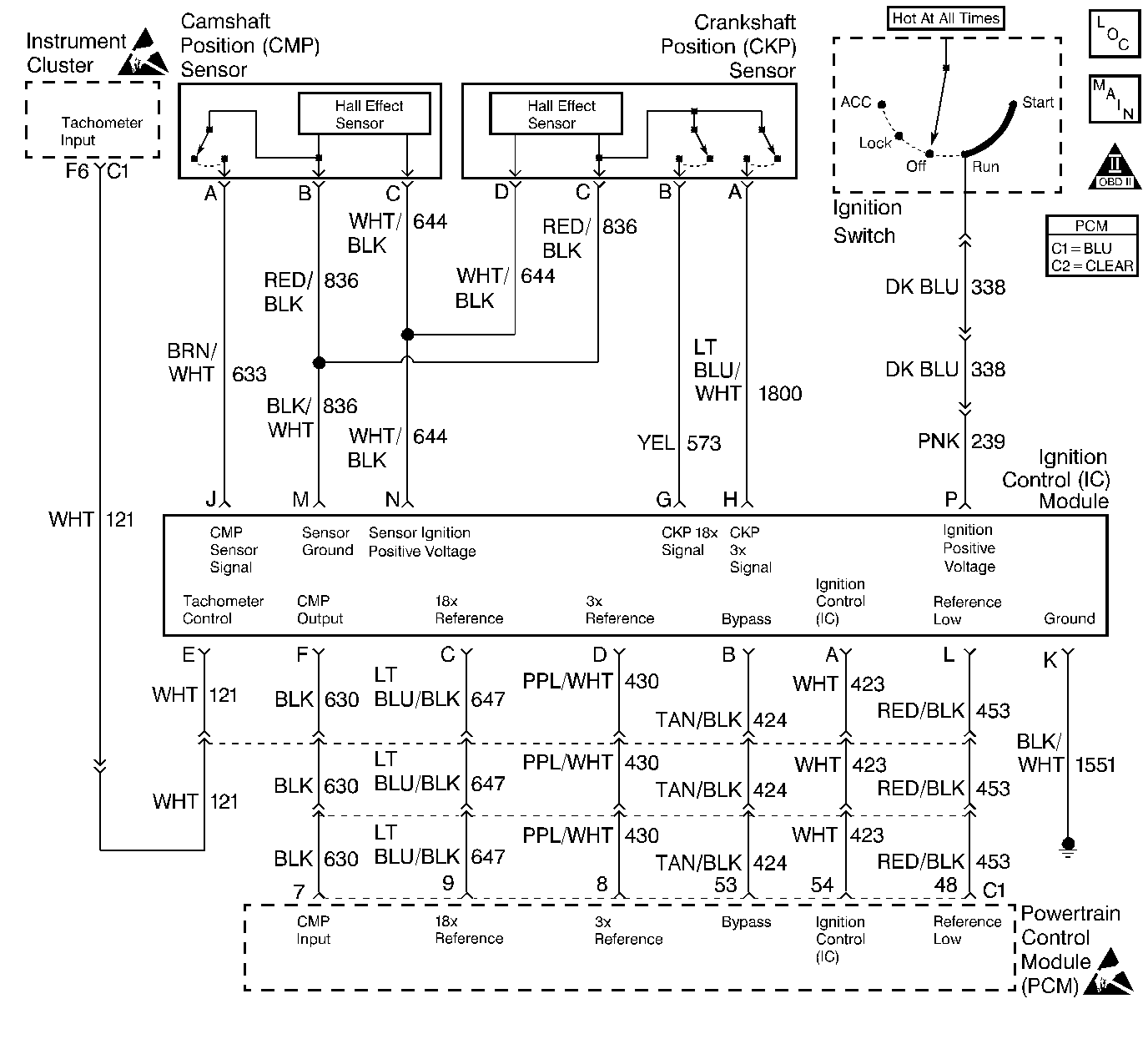
Object Number: 197657  Size: LF
Engine Controls Components
Engine Controls Schematics
OBD II Symbol Description Notice
Handling ESD Sensitive Parts Notice
Handling ESD Sensitive Parts Notice

Circuit Description

The camshaft position PCM input is produced by the ignition control module. The ICM produces the camshaft position PCM input by filtering the camshaft position (CMP) sensor pulses when the engine is running and CKP sync pulses are also being received. The PCM uses the camshaft position PCM input pulses to initiate sequential fuel injection and to determine crankshaft position for the misfire diagnostic. The PCM constantly monitors the number of pulses on the camshaft position PCM input circuit and compares the number of camshaft position PCM input pulses to the number of 18X reference pulses and the number of 3X reference pulses being received. If the PCM receives an incorrect number of pulses on the camshaft position PCM input circuit, DTC P0341 will set and the PCM will initiate injector sequence without the camshaft position PCM input with a one in six chance that injector sequence is correct. The engine will continue to start and run normally, although the misfire diagnostic will be disabled.

Conditions for Running the DTC

The engine is running (3X reference pulses are being received).

Conditions for Setting the DTC

    • The ratio of 3X reference pulses to Cam pulses received by the PCM does not equal 6.
    • The ratio of 3X reference pulses to 18X reference pulses received by the PCM equals 6.
    • The conditions are present for 290 of 300 test samples.

Action Taken When the DTC Sets

    • The PCM illuminates the malfunction indicator lamp (MIL) on the second consecutive ignition cycle that the diagnostic runs and fails.
    • The PCM records the operating conditions at the time the diagnostic fails. The first time the diagnostic fails, the PCM stores this information in the Failure Records. If the diagnostic reports a failure on the second consecutive ignition cycle, the PCM records the operating conditions at the time of the failure.
    • The PCM writes the conditions to the Freeze Frame and updates the Failure Records.

Conditions for Clearing the MIL/DTC

    • The PCM will turn OFF the malfunction indicator lamp (MIL) during the third consecutive trip in which the diagnostic has run and passed.
    • The history DTC will clear after 40 consecutive warm-up cycles have occurred without a malfunction.
    • The DTC can be cleared by using a scan tool.

Diagnostic Aids

An intermittent may be caused by a poor connection, rubbed through wire insulation or a wire broken inside the insulation. Check for the following conditions:

    • Damaged harness.
        Inspect the wiring harness for damage.
    • If the harness appears to be OK, disconnect the PCM, turn the ignition on and observe a voltmeter connected to the camshaft position input signal circuit at the PCM harness connector while moving connectors and wiring harnesses related to the ICM and the CMP sensor. A change in voltage will indicate the location of the malfunction.
    • Secondary ignition wire(s) arcing to wiring harness.
        Check the secondary ignition wires for carbon tracking or other signs of damage.
    • Malfunctioning Ignition Coil.
        Remove the ignition coils and inspect the ignition control module and coils for cracks, carbon tracking, or other signs that indicate that the coil secondary circuit is arcing to the ICM or ICM wiring harness. Refer to Ignition Coil Replacement .

Reviewing the Fail Records vehicle mileage since the diagnostic test last failed may help determine how often the condition that caused the DTC to be set occurs. This may assist in diagnosing the condition.

Test Description

Number(s) below refer to the step number(s) on the Diagnostic Table.

  1. Ensures that the malfunction is present.

  2. Determines whether the malfunction is being caused by a missing camshaft magnet or a malfunctioning PCM. The voltage measured in this step should read around 4 volts, toggling to near 0 volts when the CMP sensor interfaces with the camshaft magnet.

  3. This vehicle is equipped with a PCM which utilizes an Electrically Erasable Programmable Read Only Memory (EEPROM). When the PCM is being replaced, the new PCM must be programmed. Refer to PCM Replacement/Programming .

DTC P0341 - CMP Sensor Circuit Performance

Step

Action

Value(s)

Yes

No

1

Important:: If the engine cranks but will not run, go to Engine Cranks but Does Not Run .

Was the Powertrain On-Board Diagnostic (OBD) System Check performed?

--

Go to Step 2

Go to Powertrain On Board Diagnostic (OBD) System Check

2

  1. Review and record scan tool Fail Records data.
  2. Operate the vehicle within Fail Records conditions.
  3. Monitor Specific DTC info for DTC P0341 until the DTC P0341 test runs, using a scan tool.

Does the scan tool indicate DTC P0341 failed this ignition?

--

Go to Step 3

Go to Diagnostic Aids

3

  1. Turn OFF the ignition.
  2. Disconnect the PCM.
  3. Connect a Digital Multimeter to monitor voltage on the camshaft position input signal circuit at the PCM connector.
  4. Turn ON the ignition.
  5. Observe the voltage displayed on the digital multimeter.

Does the digital multimeter display a voltage near the specified value?

5 V

Go to Step 4

Go to Step 5

4

  1. Turn OFF the ignition.
  2. Remove the CMP sensor from the engine front cover. Refer to Camshaft Position Sensor Replacement .
  3. Connect the CMP harness connector to the CMP sensor.
  4. Turn ON the ignition.
  5. Place a magnet on the CMP sensor.

Does the digital multimeter display voltage near the specified value?

0 V

Go to Step 16

Go to Step 8

5

Does the voltage on the camshaft position input signal circuit measure greater than the specified value?

5 V

Go to Step 7

Go to Step 6

6

  1. Turn OFF the ignition.
  2. Disconnect the ignition control module (leave the PCM disconnected).
  3. Turn ON the ignition.
  4. Probe the camshaft position input signal circuit and the CMP sensor signal circuit at the ignition control module connector with a test lamp to B+.
  5. If the test lamp is ON, locate and repair short to ground in the camshaft position input signal circuit or the CMP sensor signal circuit as necessary. Refer to Wiring Repairs .

Was a problem found?

--

Go to Step 24

Go to Step 13

7

  1. Turn OFF the ignition.
  2. Disconnect the ignition control module (leave the PCM disconnected).
  3. Turn ON the ignition.
  4. Probe the camshaft position input signal circuit with a test lamp to ground.
  5. If the test lamp is on, locate and repair short to voltage in the camshaft position input signal circuit. Refer to Wiring Repairs .

Was a problem found?

--

Go to Step 24

Go to Step 18

8

  1. Disconnect the CMP sensor.
  2. Measure voltage between the sensor feed circuit and the sensor ground circuit at the CMP sensor harness connector.

Does the voltage measure near the specified value?

B+

Go to Step 9

Go to Step 12

9

Measure voltage between the CMP sensor signal circuit and the sensor ground circuit at the camshaft position sensor harness connector.

Does the voltage measure between the specified values?

5-7 V

Go to Step 10

Go to Step 11

10

  1. Reconnect the digital multimeter to monitor voltage on the camshaft position input signal circuit at the PCM harness connector.
  2. Monitor the voltage display on the digital multimeter while repeatedly touching the CMP sensor signal circuit at the CMP sensor connector with a test lamp to ground.

Does the digital multimeter voltage display switch between 0 and 5 volts when the test lamp is repeatedly touched to the CMP sensor signal circuit?

--

Go to Step 15

Go to Step 14

11

  1. Turn OFF the ignition.
  2. Disconnect the ignition control module (leave the CMP sensor disconnected).
  3. Turn ON the ignition.
  4. Check for the following conditions:
  5. • The CMP sensor signal circuit for an open or a short to voltage.
    • The camshaft position input signal circuit for a short to voltage.
  6. If a problem is found, repair as necessary. Refer to Wiring Repairs .

Was a problem found?

--

Go to Step 24

Go to Step 14

12

  1. Turn OFF the ignition.
  2. Disconnect the ignition control module and the CMP sensor.
  3. Check the following circuits for an open between the ignition control module and the CMP sensor:
  4. • The sensor feed circuit.
    • The sensor ground circuit.
  5. If a problem is found, repair as necessary. Refer to Wiring Repairs .

Was a problem found?

--

Go to Step 24

Go to Step 14

13

  1. Check for an open in the camshaft position input signal circuit between the PCM and the ignition control module.
  2. If a problem is found, repair as necessary. Refer to Wiring Repairs .

Was a problem found?

--

Go to Step 24

Go to Step 14

14

  1. Check for poor connections at the ignition control module.
  2. If a problem is found, repair as necessary. Refer to Intermittents and Poor Connections Diagnosis and Repairing Connector Terminals .

Was a problem found?

--

Go to Step 24

Go to Step 17

15

  1. Check for poor connections at the camshaft position sensor.
  2. If a problem is found, repair it as necessary. Refer to Intermittents and Poor Connections Diagnosis and Repairing Connector Terminals .

Was a problem found?

--

Go to Step 24

Go to Step 19

16

  1. Check for poor connections at the PCM.
  2. If a problem is found, repair as necessary. Refer to Intermittents and Poor Connections Diagnosis and Repairing Connector Terminals .

Was a problem found?

--

Go to Step 24

Go to Step 20

17

  1. Check for the following conditions
  2. • Incorrect harness routing near secondary ignition components.
    • Secondary ignition wire(s) arcing to the wiring harness.
  3. If a problem is found, repair as necessary.
  4. Ignition coil arcing to the wiring harness or to the ignition control module. Check ignition coils for cracks, carbon tracking, or other signs of damage. Refer to Ignition Coil Replacement .

Was a problem found?

--

Go to Step 24

Go to Step 18

18

Replace the ignition control module. Refer to Ignition Control Module Replacement .

Is the action complete?

--

Go to Step 24

--

19

Replace the camshaft position sensor. Refer to Camshaft Position Sensor Replacement .

Is the action complete?

--

Go to Step 24

--

20

  1. Check for the following conditions:
  2. • Incorrect harness routing near secondary ignition components.
    • Secondary ignition wire(s) arcing to wiring harness.
    • Ignition coil arcing to wiring harness or ignition control module. Check ignition coils for cracks, carbon tracking, or other signs of damage. Refer to Ignition Coil Replacement .
  3. If a problem is found, repair as necessary.

Was a problem found?

--

Go to Step 24

Go to Step 21

21

  1. Reinstall the CMP sensor to the engine front cover.
  2. Disconnect the PCM.
  3. Important: Make sure the engine completes 2 full revolutions.

  4. Observe the digital multimeter connected to monitor voltage on the camshaft position input signal at the PCM circuit while repeatedly bumping the engine with the starter.

Does voltage toggle between the specified values?

4 V/0 V

Go to Step 22

Go to Step 23

22

Important:: The replacement PCM must be programmed.

Replace the PCM. Refer to Powertrain Control Module Replacement/Programming .

Is the action complete?

--

Go to Step 24

--

23

Replace malfunctioning or missing camshaft position sensor magnet. Refer to Engine Overhaul .

Is the action complete?

--

Go to Step 24

--

24

  1. Review and record scan tool Fail Records data.
  2. Clear the DTCs.
  3. Operate the vehicle within Fail Records conditions.
  4. Monitor Specific DTC info for DTC P0341 until the DTC P0341 test runs, using a scan tool.

Does the scan tool indicate DTC P0341 failed this ignition?

--

Go to Step 2

System OK