GM Service Manual Online
For 1990-2009 cars only
Makes
🢒
Buick
🢒
2005
🢒
Terraza
🢒
Body
🢒
Lighting Systems
🢒 Interior Lights Schematics
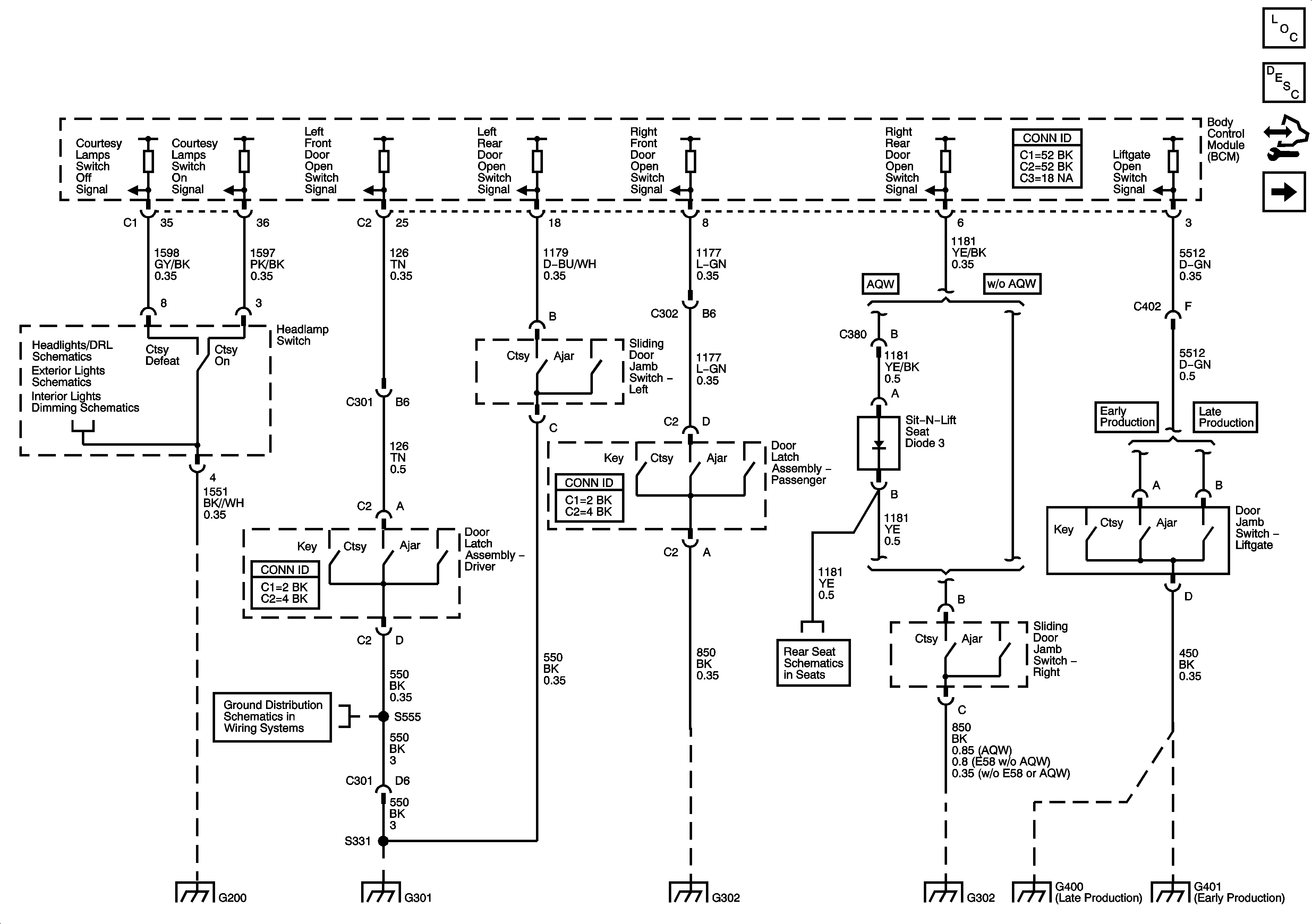
Figure
1:
Switches
Master Electrical Component List
Interior Lighting Systems Description and Operation
Control Module References
Lamps
Headlights
Park, Marker, and License Lamps
Control, I/P and Passenger Door Lamps
Left Door Controls
G301
G302 - 1 of 2
Sit-N-Lift Seat Door and PNP Interlocks, and Remote
G302 - 2 of 2
Right Door Controls
G400
G401
Figure
2:
Lamps
Master Electrical Component List
Interior Lighting Systems Description and Operation
Control Module References
Switches
CAN VENT, CLSTR/HVAC, INT/LAMP, ONSTAR, and RADIO AMP Fuses
G302 - 2 of 2
G302 - 1 of 2