GM Service Manual Online
For 1990-2009 cars only
Makes
🢒
Buick
🢒
2005
🢒
Terraza
🢒 Audible Warnings Schematics
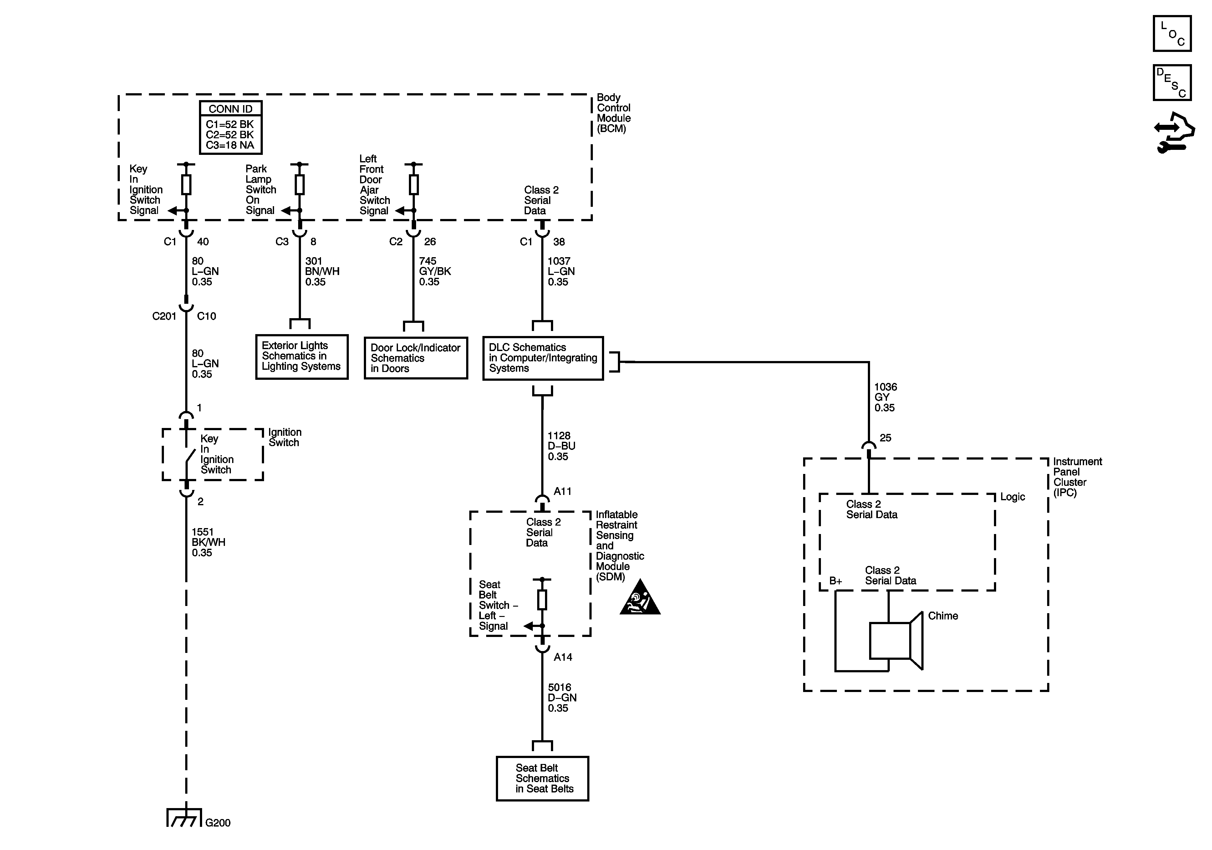
Audible Warnings Schematics
Master Electrical Component List
Audible Warnings Description and Operation
Control Module References
Park, Marker, and License Lamps
Indicators
DLC Schematics
Instrument Panel, Gages, and Console Schematic Icons
G200 2 of 2
Seat Belts Schematics