GM Service Manual Online
For 1990-2009 cars only
Makes
🢒
Buick
🢒
2007
🢒
Terraza Ext.
🢒
Engine
🢒
Engine Controls and Fuel - 3.9L
🢒 Starting and Charging Schematics
Figure
1:
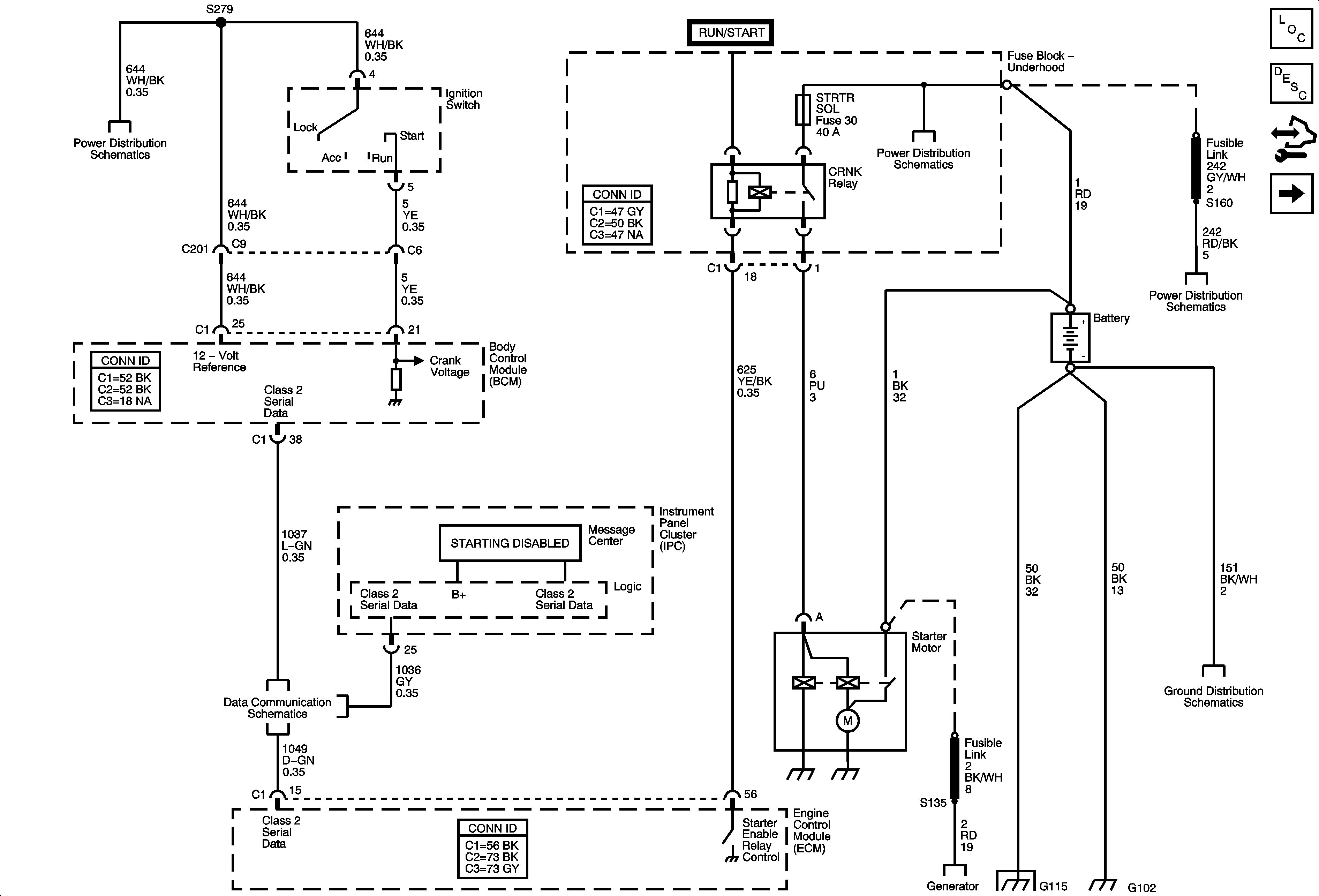
Starting
Master Electrical Component List
Starting System Description and Operation
Control Module References
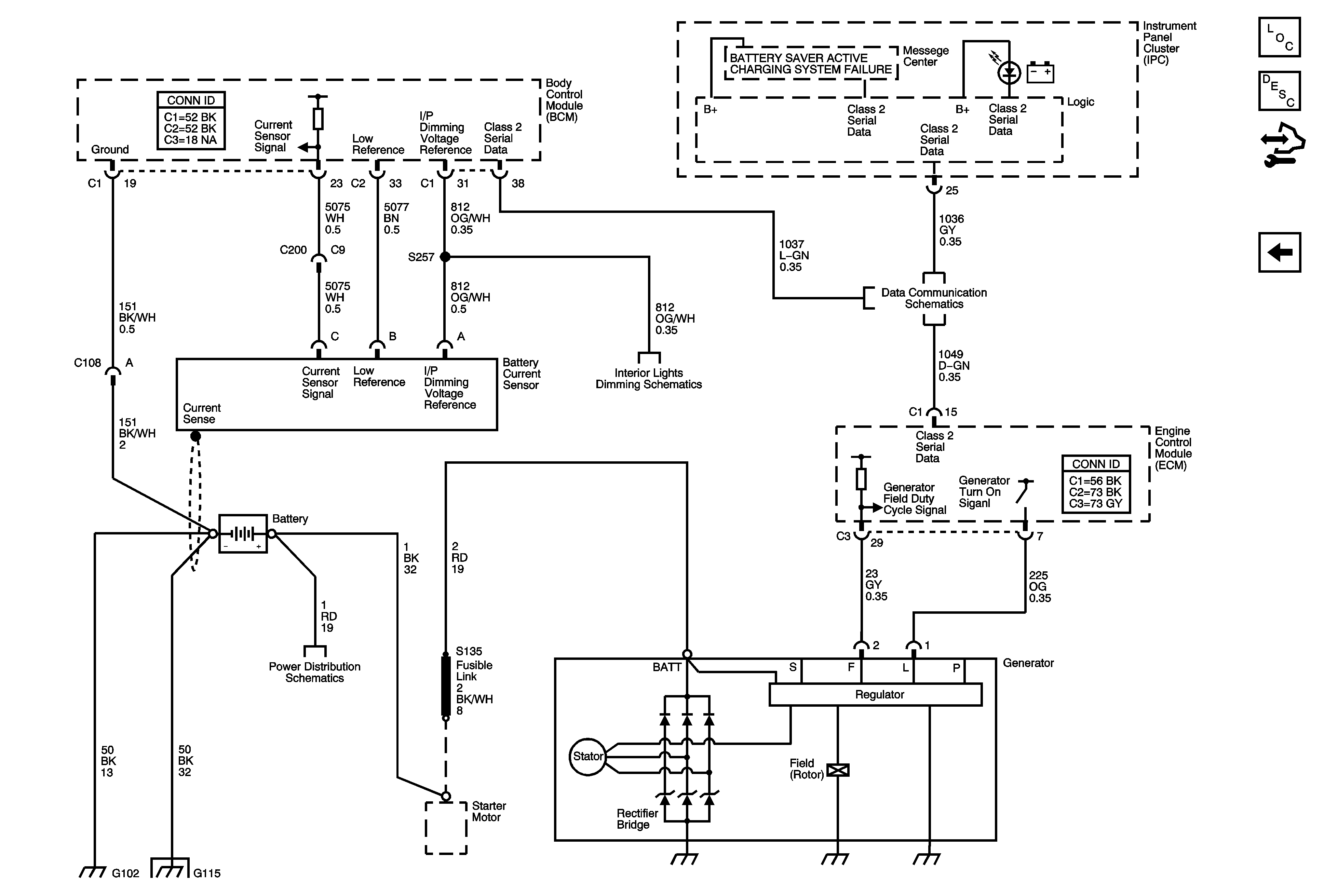
Charging
Ignition Switch
ABS, AIRBAG, CRUISE/SWTCH, HVAC/RPA/CRUISE, PCM IGN, and TRANS SOLS Fuses
B+ Bus
B+ Bus
Data Communication Schematics
G102, G113 and G115
G100 and G101
Charging
G102, G113 and G115
G102, G113 and G115
Figure
2:
Charging
Master Electrical Component List
Charging System Description and Operation
Control Module References
Starting
Data Communication Schematics
Control, I/P, Passenger Door, and Steering Wheel Lamps
B+ Bus
G102, G113 and G115