GM Service Manual Online
For 1990-2009 cars only
Makes
🢒
Buick
🢒
2007
🢒
Terraza Ext.
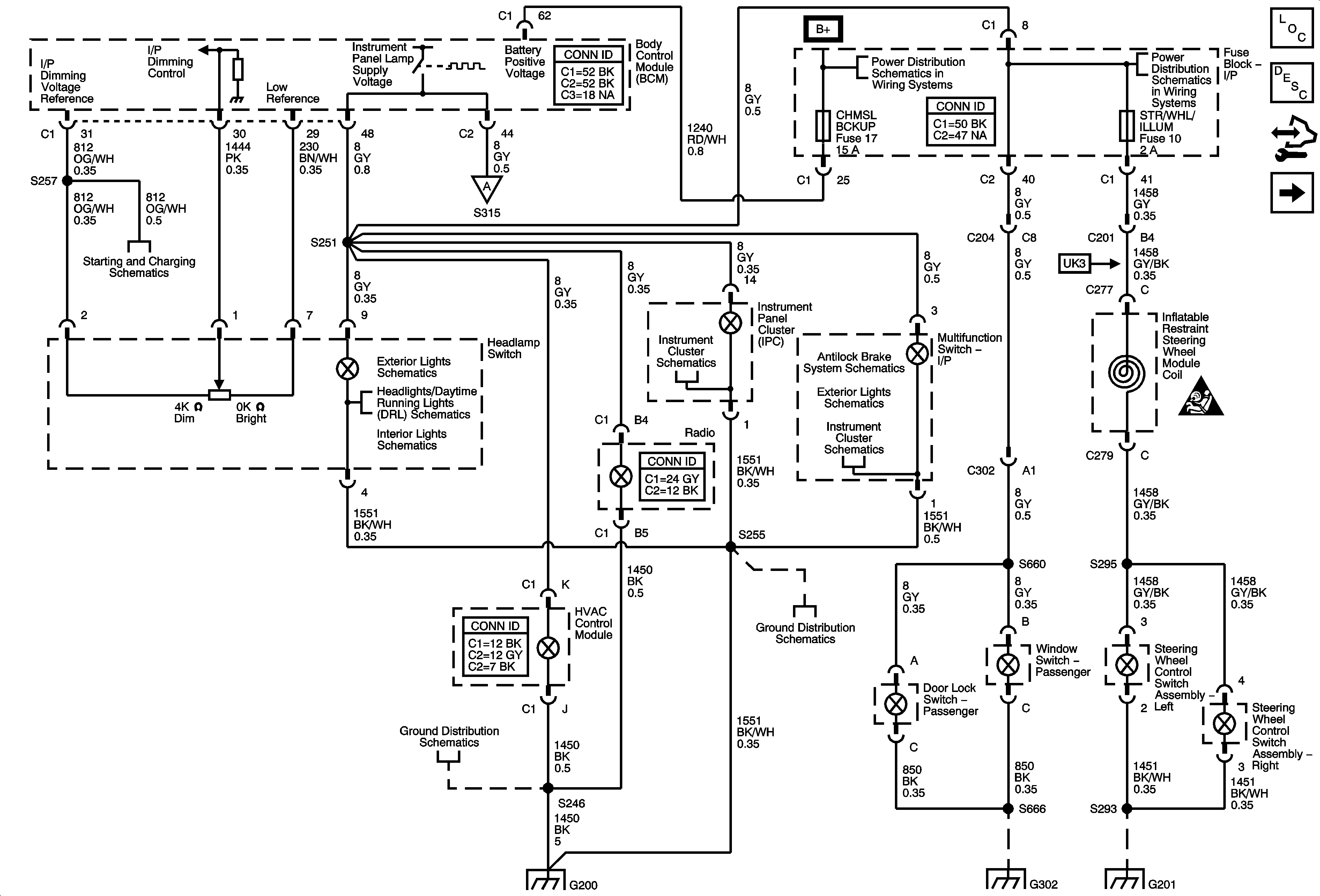
🢒 Control, I/P, Passenger Door, and Steering Wheel Lamps
Control, I/P, Passenger Door, and Steering Wheel Lamps
Control, I/P, Passenger Door, and Steering Wheel Lamps
Master Electrical Component List
Interior Lighting Systems Description and Operation
Control Module References
Left Door, Right B-Pillar, and Roof Lamps
Charging
Park, Marker, and License Lamps
Headlights
Switches
Left Door, Right B-Pillar, and Roof Lamps
Left Door, Right B-Pillar, and Roof Lamps
Driver Inputs, Indicators
Backup Lamps
Messages
Lighting Systems Schematic Icons
G200 - 1 of 2
G200 - 2 of 2
G200 - 1 of 2
G302 - 1 of 2
G201