GM Service Manual Online
For 1990-2009 cars only
Makes
🢒
Buick
🢒
2007
🢒
Terraza Ext.
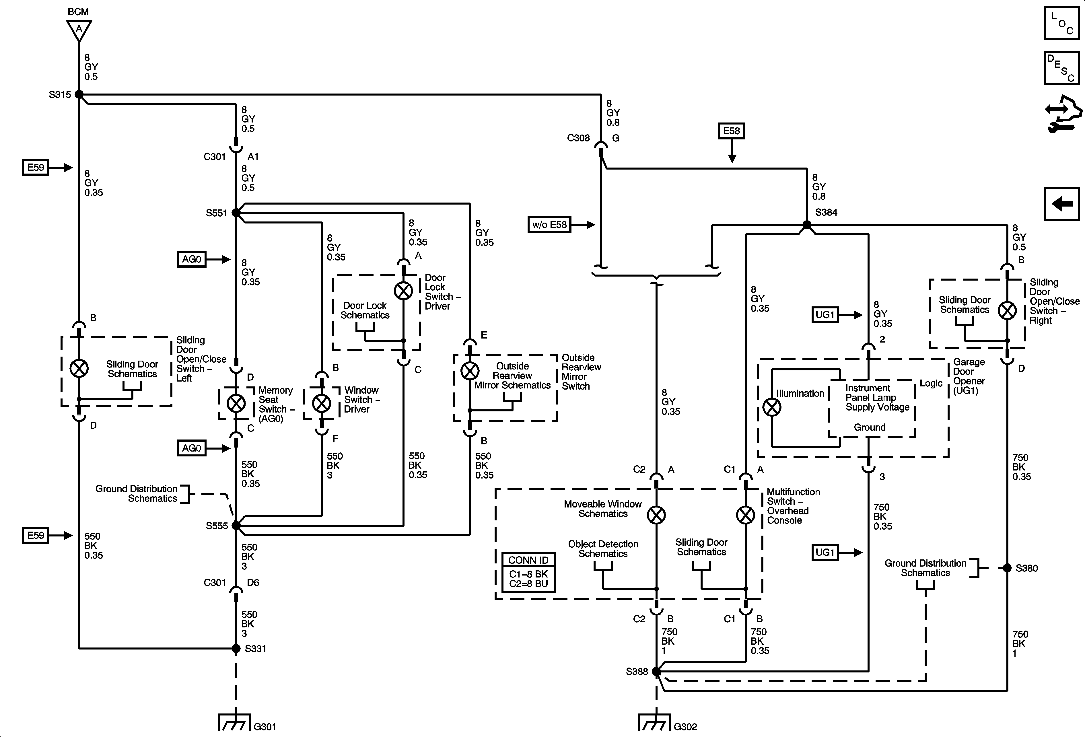
🢒 Left Door, Right B-Pillar, and Roof Lamps
Left Door, Right B-Pillar, and Roof Lamps
Left Door, Right B-Pillar, and Roof Lamps
Master Electrical Component List
Interior Lighting Systems Description and Operation
Control Module References
Control, I/P, Passenger Door, and Steering Wheel Lamps
Control, I/P, Passenger Door, and Steering Wheel Lamps
Switches
Power Mirrors
G301
Rear Quarter Windows
Object Detection Schematics
Right Door Controls
G302 - 2 of 2
G301
G302 - 1 of 2