GM Service Manual Online
For 1990-2009 cars only
Makes
🢒
Buick
🢒
2007
🢒
Terraza Ext.
🢒 Switches
Switches
Switches
Master Electrical Component List
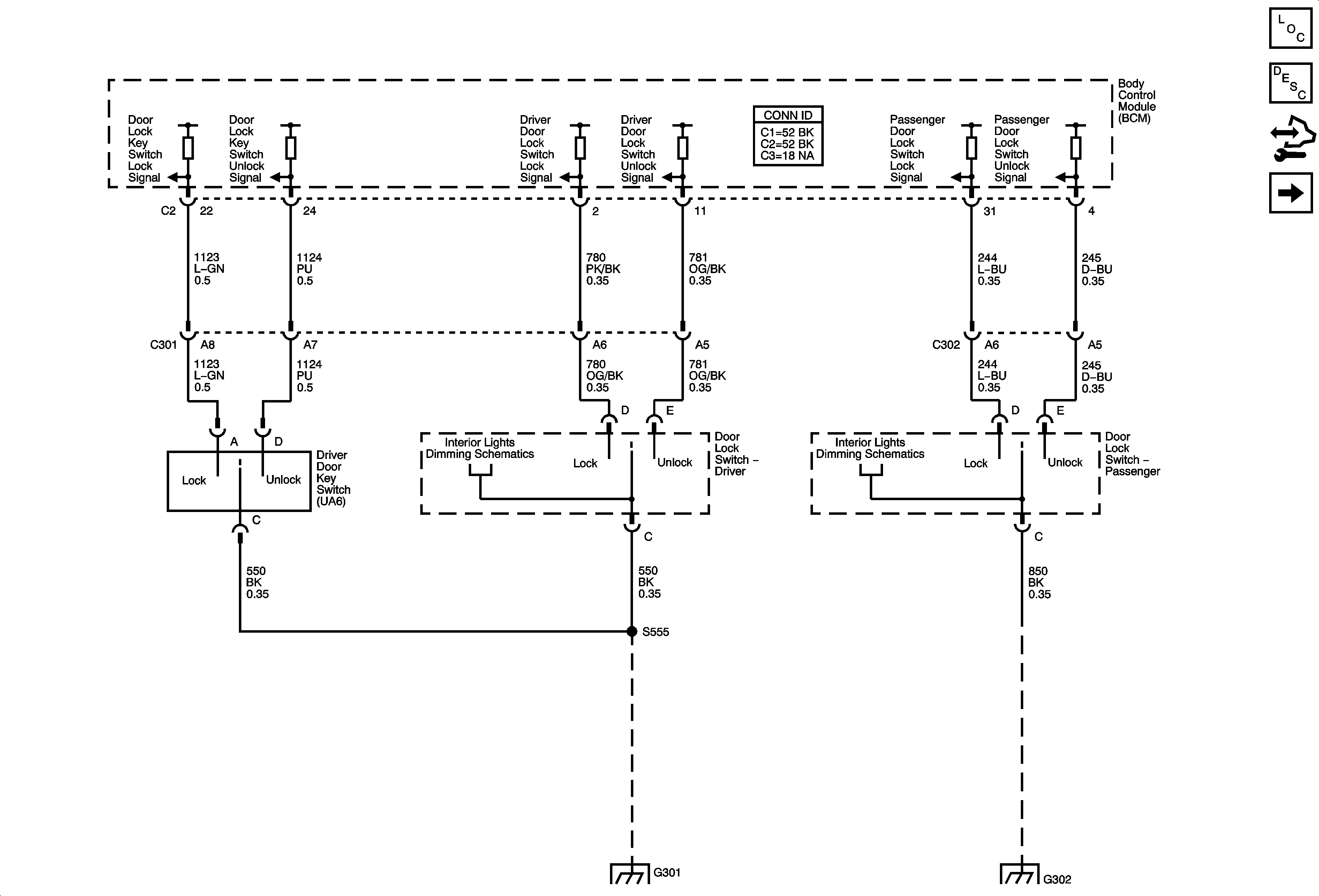
Power Door Locks Description and Operation
Control Module References
Actuators
Left Door, Right B-Pillar, and Roof Lamps
Control, I/P, Passenger Door, and Steering Wheel Lamps
G301
G302 - 1 of 2