GM Service Manual Online
For 1990-2009 cars only
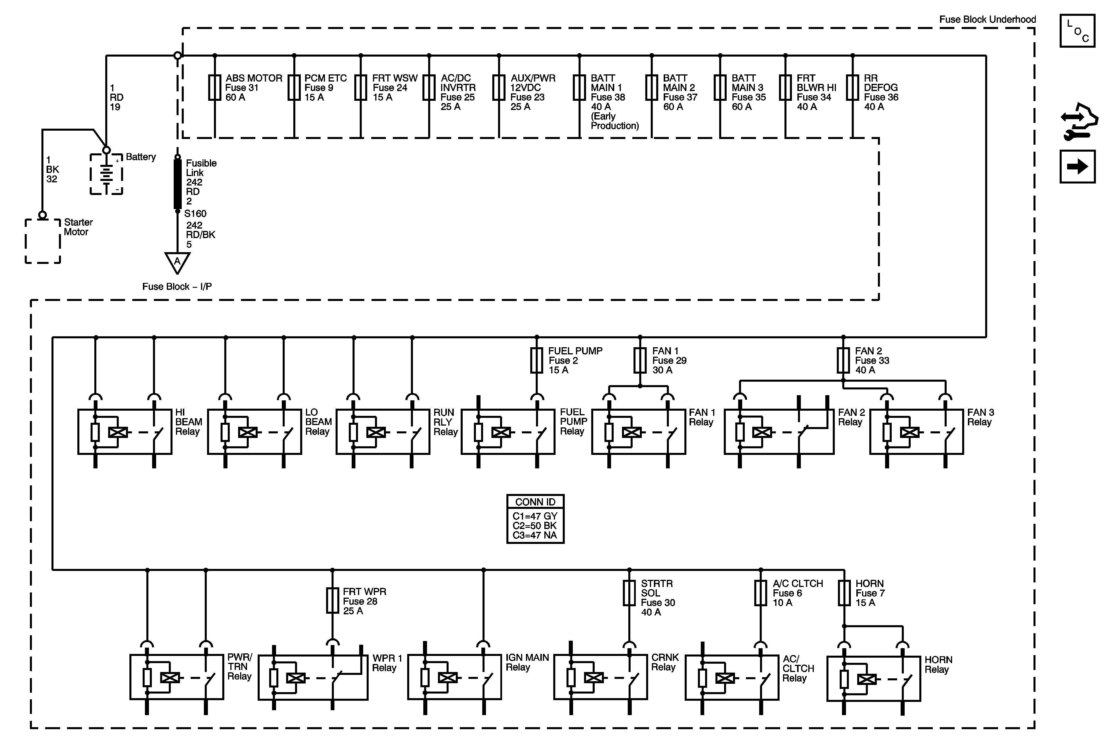
Figure 1:

B+ Bus


Object Number: 1739977  Size: FS
Master Electrical Component List
Control Module References
ABS MOTOR, AC/DC INVRTR, AUX/PWR 12VDC, FRT WSW, and PCM ETC Fuses
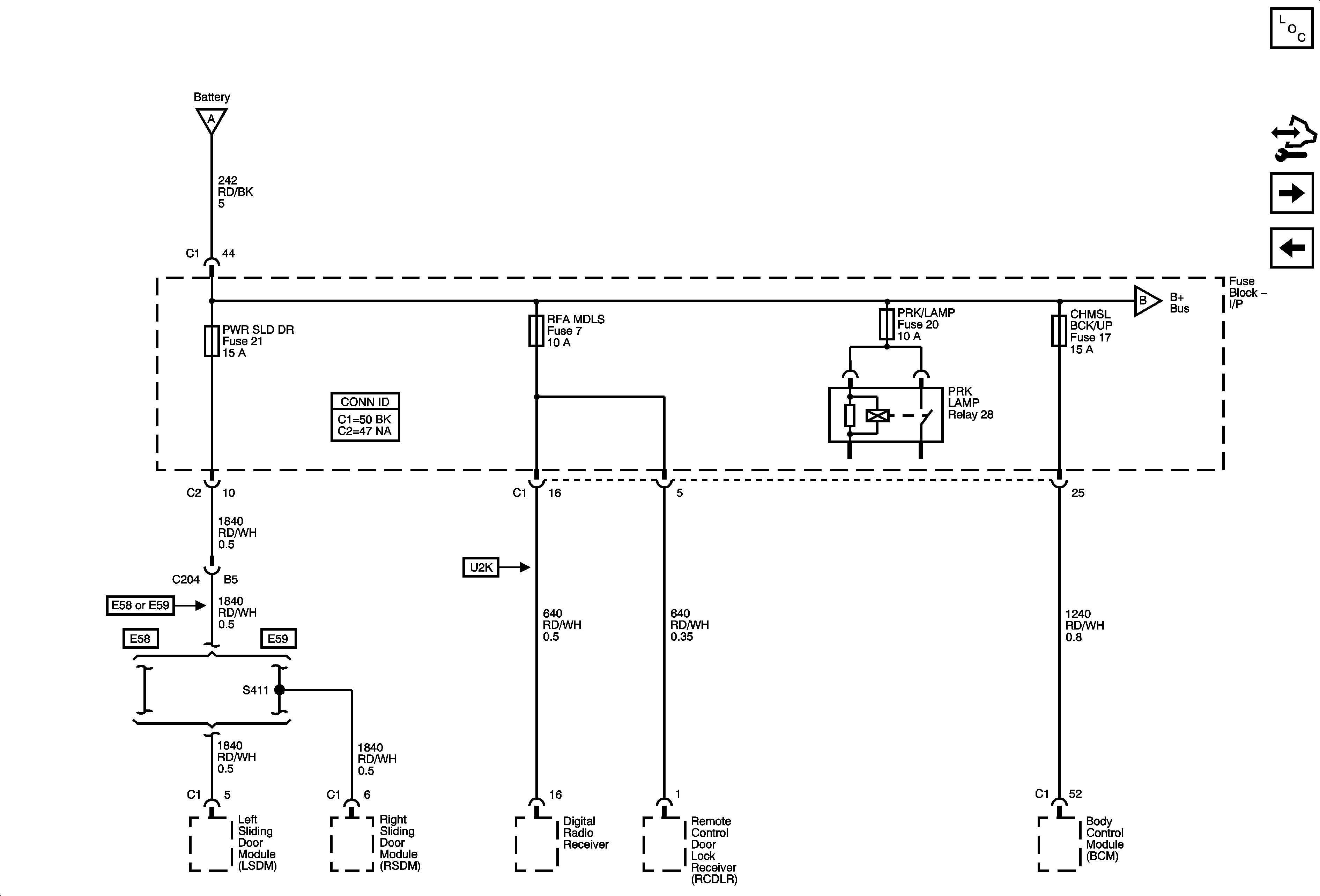
CHMSL BCK/UP, PRK LAMP, PWR SLD DR, and RFA MDLS Fuses
Figure 2:

ABS MOTOR, AC/DC INVRTR, AUX/PWR 12VDC, FRT WSW, and PCM Fuses


Object Number: 1739980  Size: FS
Master Electrical Component List
Control Module References
CHMSL BCK/UP, PRK LAMP, PWR SLD DR, and RFA MDLS Fuses
B+ Bus
B+ Bus
Figure 3:

CHMSL BCK/UP, PRK/LAMP, PWR SLD DR, and RFA MDLS Fuses


Object Number: 1739981  Size: FS
Master Electrical Component List
Control Module References
CNSTR/VENT, CLSTR/HVAC, INT/LAMP, ONSTAR, and RDO Fuses
ABS MOTOR, AC/DC INVRTR, AUX/PWR 12VDC, FRT WSW, and PCM ETC Fuses
B+ Bus
CNSTR/VENT, CLSTR/HVAC, INT/LAMP, ONSTAR, and RDO Fuses
Figure 4:

CNSTR/VENT, CLSTR/HVAC, INT/LAMP, ONSTAR, and RDO Fuses


Object Number: 1739984  Size: FS
Master Electrical Component List
Control Module References
BATT MAIN 2, HTD/SEATS, LT PWR SLD DR, PWR/MIR UGDO, RT PWR SLD DR, Sit-N-Lift Seat, and STOP/TRN Fuses, PWR SEATS and Sit-N-Lift Circuit Breaker
CHMSL BCK/UP, PRK LAMP, PWR SLD DR, and RFA MDLS Fuses
CHMSL BCK/UP, PRK LAMP, PWR SLD DR, and RFA MDLS Fuses
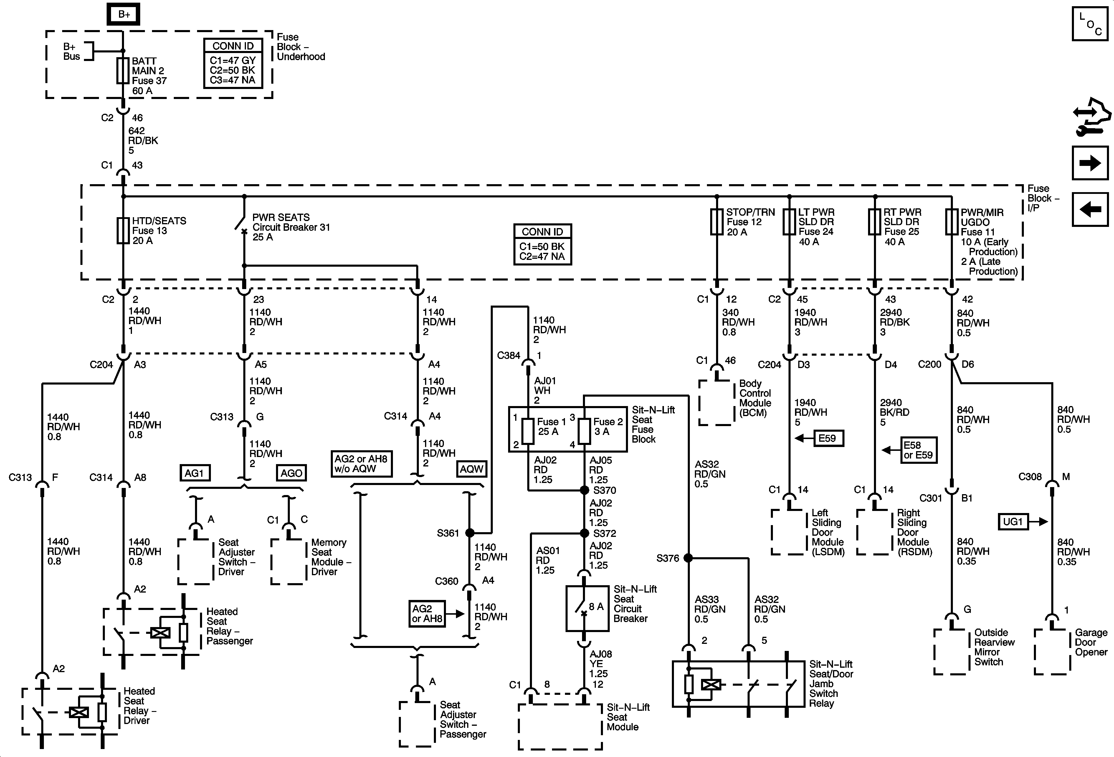
Figure 5:

BATT MAIN 2, HTD/SEATS, LT PWR SLD DR, PWR/MIR UGDO, RT PWR SLD DR, Sit-N-Lift Seat and STOP/TRN Fuses, PWR SEATS and Sit-N-Lift Seat Circuit Breakers


Object Number: 1739987  Size: FS
Master Electrical Component List
Control Module References
BATT MAIN 3, ELC, and TRUNK/LKS Fuses
CNSTR/VENT, CLSTR/HVAC, INT/LAMP, ONSTAR, and RDO Fuses
B+ Bus
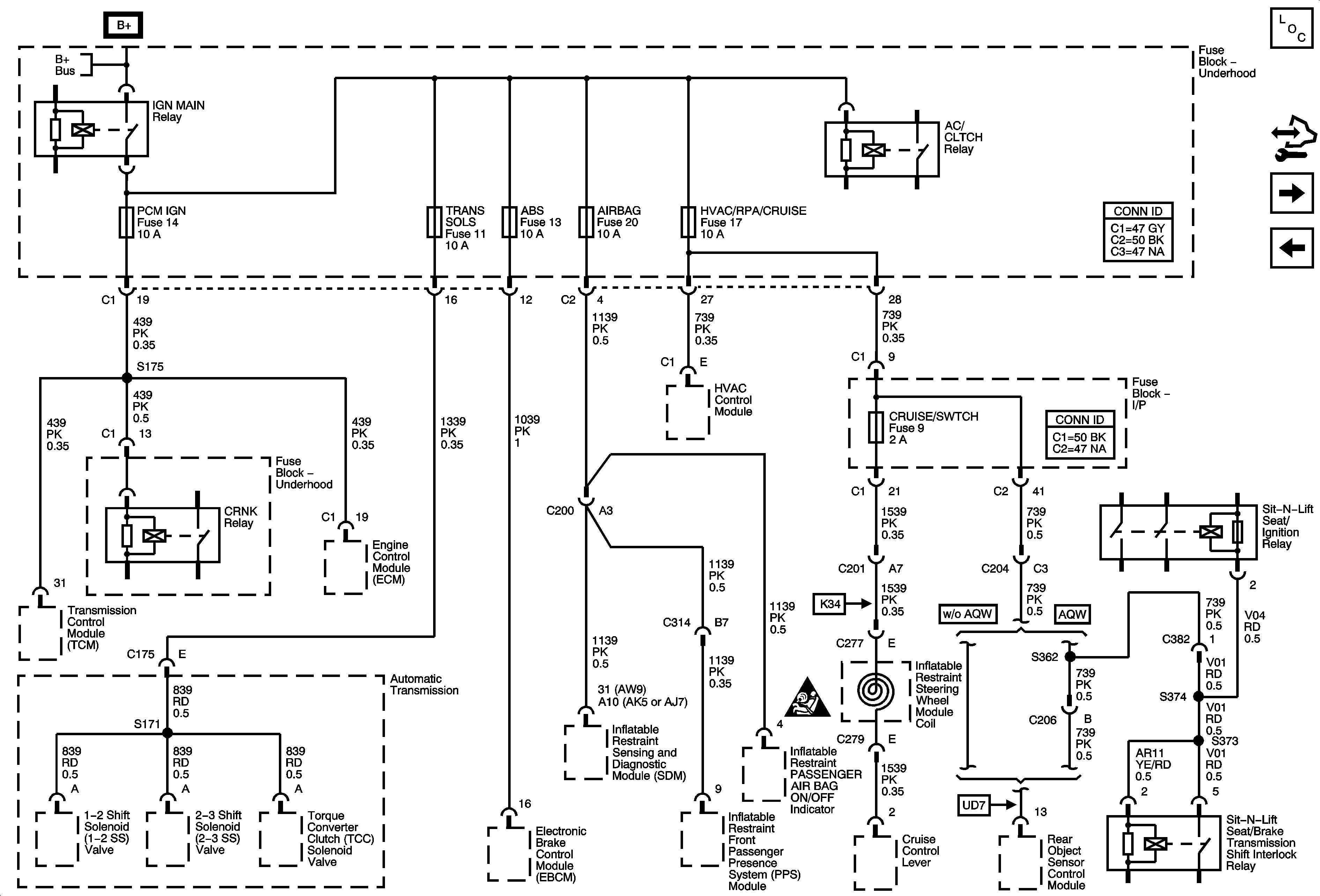
Figure 6:

Ignition Switch


Object Number: 1739991  Size: FS
Master Electrical Component List
Control Module References
ABS, AIRBAG, CRUISE/SWTCH, HVAC/RPA/CRUISE, PCM IGN, and TRANS SOLS Fuses
BATT MAIN 3, ELC, and TRUNK/LKS Fuses
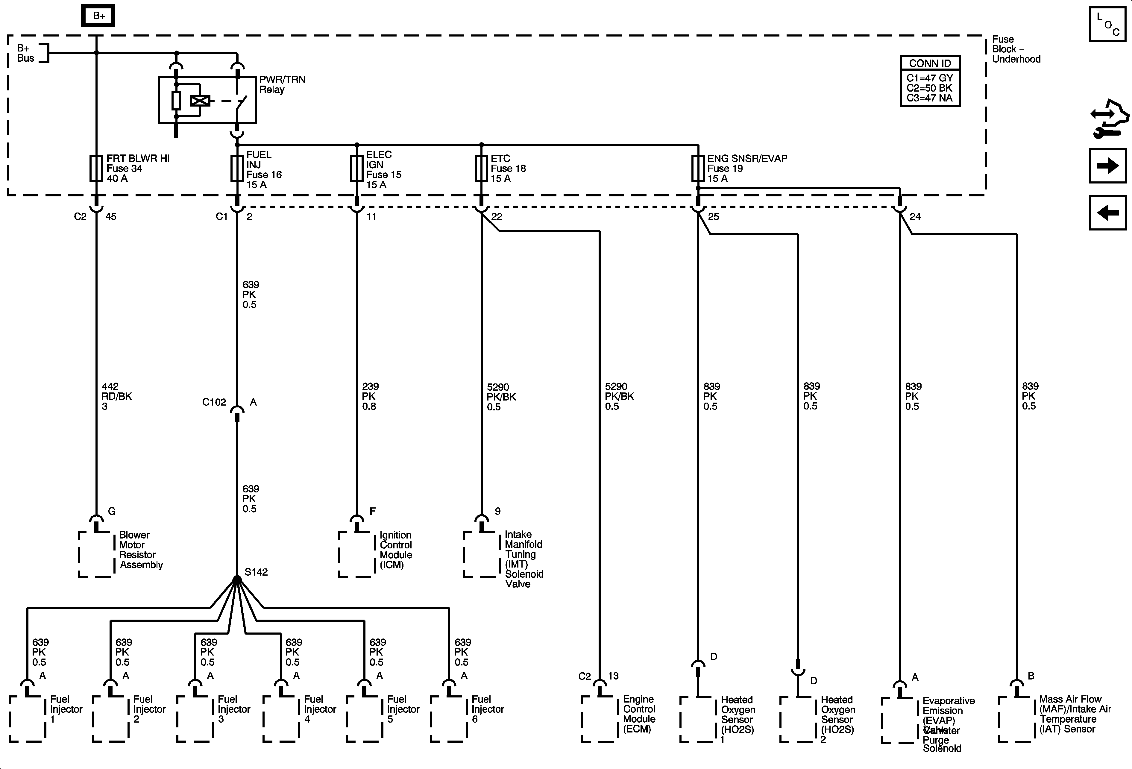
Figure 7:

ABS, AIRBAG, CRUISE/SWTCH, HVAC/RPA/CRUISE, PCM IGN, and TRANS SOLS Fuses


Object Number: 1739993  Size: FS
Master Electrical Component List
Control Module References
ELEC IGN, ENG SNSR/EVAP, ETC, FRT BLWR HI, and FUEL INJ Fuses
Ignition Switch
B+ Bus
Power and Grounding Schematic Icons
Figure 8:

ELEC IGN, ENG SNSR/EVAP, ETC, FRT BLWR HI, and FUEL INJ Fuses


Object Number: 1739996  Size: FS
Master Electrical Component List
Control Module References
FRT/BLWR, HTD/MIR, LH HI BEAM, LH LO BEAM, RH LO BEAM, RH HI BEAM, RR BLWR/110VAC, and RR DEFOG Fuses
ABS, AIRBAG, CRUISE/SWTCH, HVAC/RPA/CRUISE, PCM IGN, and TRANS SOLS Fuses
B+ Bus
Figure 9:

FRT/BLWR, HTD/MIR, LH HI BEAM, LH LO BEAM, RH LO BEAM, RH HI BEAM, RR BLWR/110VAC, and RR DEFOG Fuses


Object Number: 1739997  Size: FS
Master Electrical Component List
Control Module References
ELC, REAR/WPR, and STR/WHL/ILLUM Fuses, PWR WNDW Circuit Breaker
ELEC IGN, ENG SNSR/EVAP, ETC, FRT BLWR HI, and FUEL INJ Fuses
B+ Bus
Figure 10:

ELC, REAR/WPR, and STR/WHL/ILLUM Fuses, PWR WNDW Circuit Breaker


Object Number: 1739999  Size: FS
Master Electrical Component List
Control Module References
FRT/BLWR, HTD/MIR, LH HI BEAM, LH LO BEAM, RH LO BEAM, RH HI BEAM, RR BLWR/110VAC, and RR DEFOG Fuses
FRT/BLWR, HTD/MIR, LH HI BEAM, LH LO BEAM, RH LO BEAM, RH HI BEAM, RR BLWR/110VAC, and RR DEFOG Fuses
BATT MAIN 3, ELC, and TRUNK/LKS Fuses
Control, I/P, Passenger Door, and Steering Wheel Lamps
Control, I/P, Passenger Door, and Steering Wheel Lamps
Power and Grounding Schematic Icons