GM Service Manual Online
For 1990-2009 cars only
Makes
🢒
Buick
🢒
2007
🢒
Terraza Ext.
🢒
Driver Information and Entertainment
🢒
Displays and Gages
🢒 Instrument Cluster Schematics
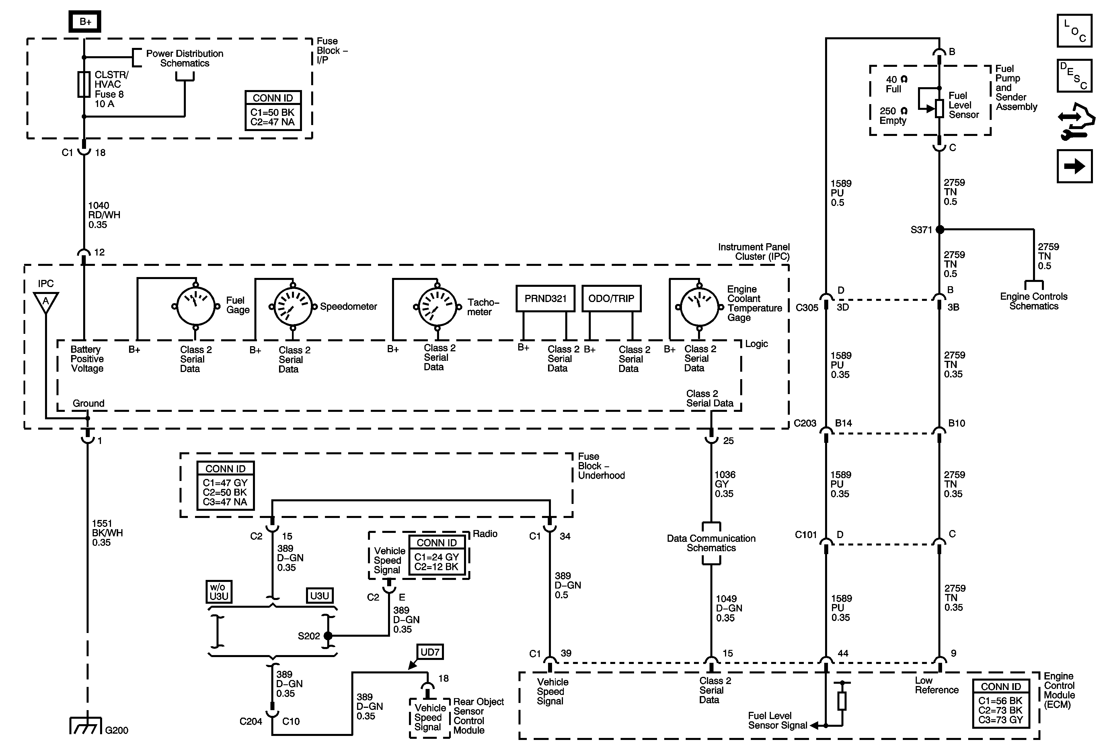
Figure
1:
Gages, Ground, and Power
Master Electrical Component List
Instrument Cluster Description and Operation
Control Module References
Indicators and Lighting
CNSTR/VENT, CLSTR/HVAC, INT/LAMP, ONSTAR, and RDO Fuses
Indicators and Lighting
Data Communication Schematics
Fuel Controls - EVAP Controls and Manifold Tuning
G200 - 2 of 2
Figure
2:
Indicators and Lighting
Master Electrical Component List
Indicator/Warning Message Description and Operation
Control Module References
Messages
Gages, Ground, and Power
Data Communication Schematics
Occupant Sensing
Hydraulic Brake Schematics
Control, I/P, Passenger Door, and Steering Wheel Lamps
Gages, Ground, and Power
Module Power, Ground, Serial Data, and MIL
G102, G113 and G115
Figure
3:
Messages
Master Electrical Component List
Driver Information Center (DIC) Description and Operation
Control Module References
Indicators and Lighting
G200 - 2 of 2
Driver Inputs, Indicators
Backup Lamps
Control, I/P, Passenger Door, and Steering Wheel Lamps