GM Service Manual Online
For 1990-2009 cars only
Makes
🢒
Buick
🢒
2007
🢒
Terraza Ext.
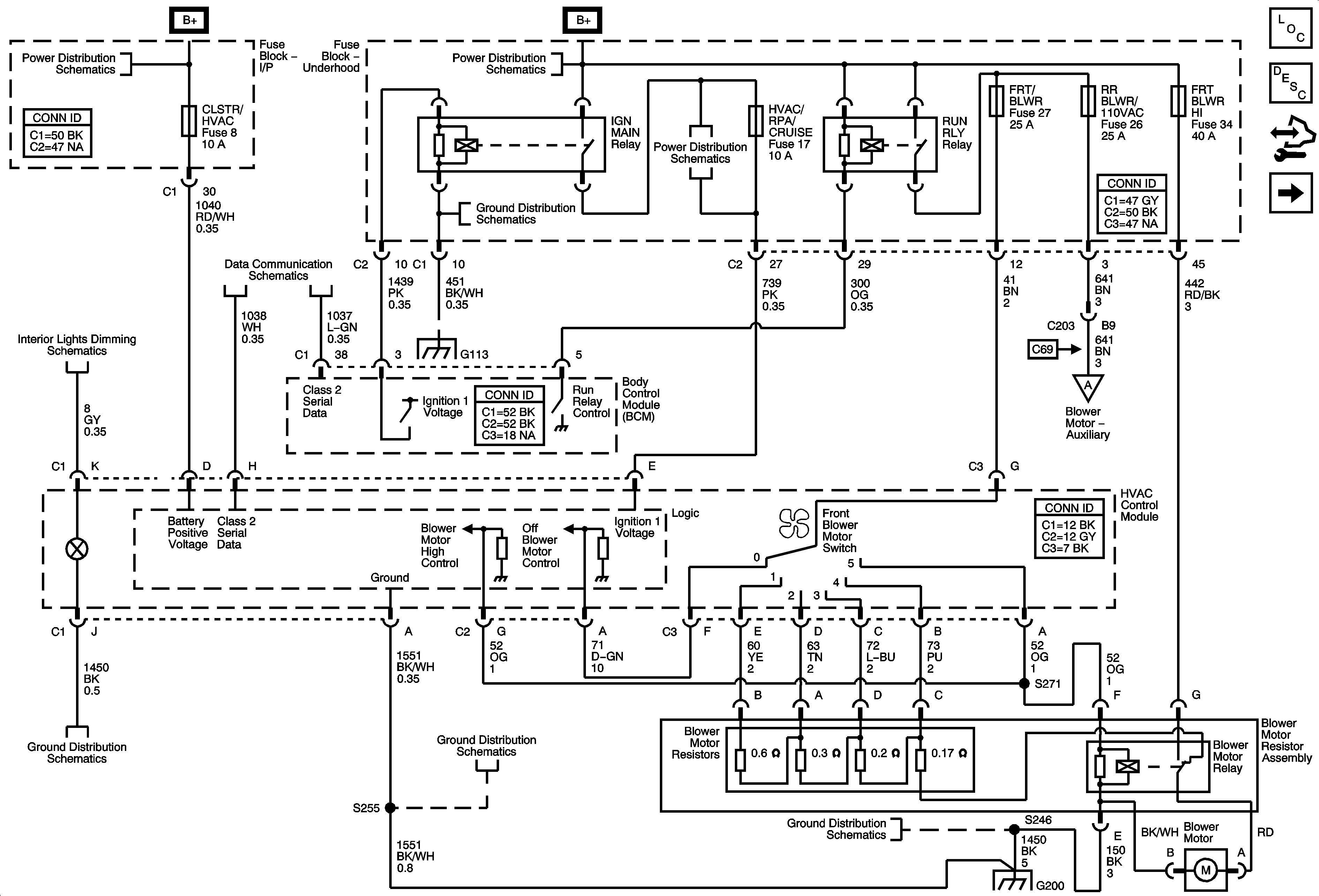
🢒 Front Blower Control, Ground, and Power
Front Blower Control, Ground, and Power
Front Blower Control, Ground, and Power
Master Electrical Component List
Air Delivery Description and Operation
Control Module References
Air Delivery and Temperature Control
CNSTR/VENT, CLSTR/HVAC, INT/LAMP, ONSTAR, and RDO Fuses
Control, I/P, Passenger Door, and Steering Wheel Lamps
Data Communication Schematics
B+ Bus
G102, G113 and G115
G102, G113 and G115
ABS, AIRBAG, CRUISE/SWTCH, HVAC/RPA/CRUISE, PCM IGN, and TRANS SOLS Fuses
Auxiliary Blower Controls - C69
G200 - 1 of 2
G200 - 2 of 2
G200 - 1 of 2
G200 - 1 of 2