GM Service Manual Online
For 1990-2009 cars only
Figure 1:

Data Link Connector (DLC) Schematics Power and Ground


Object Number: 762077  Size: FS
Class 2 (LHD) 1 of 2
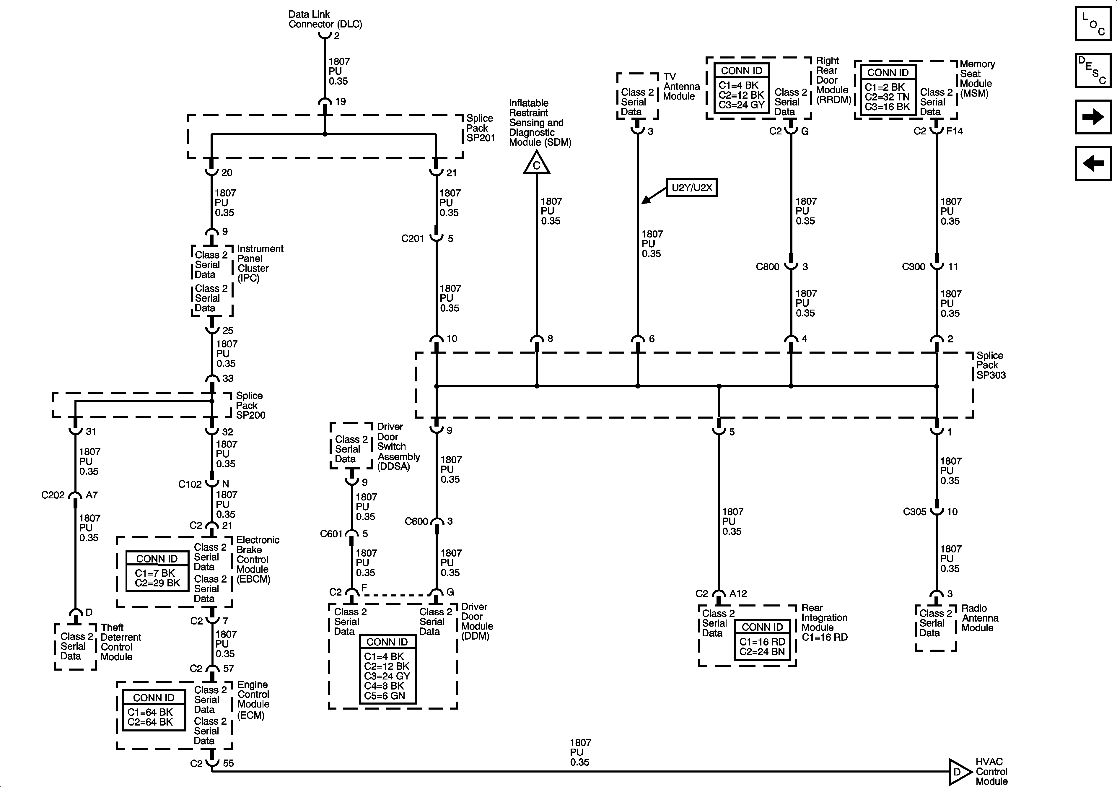
Figure 2:

Data Link Connector (DLC) Schematics Class 2 ( 1 of 2 )


Object Number: 762078  Size: FS
Class 2 (LHD) 2 of 2
Power, Grounds, CAN Bus, and Keyword Serial Data
Figure 3:

Data Link Connector (DLC) Schematics Class 2 ( 2 of 2 )


Object Number: 762079  Size: FS
Class 2 (LHD) 1 of 2
Figure 4:

Data Link Connector (DLC) Schematics Power and Grounds ( RHD )


Object Number: 762077  Size: FS
Class 2 ( RHD ) 1 of 2
Figure 5:

Data Link Connector (DLC) Schematics Class 2 - 1 of 2 (RHD)


Object Number: 762089  Size: FS
Class 2 ( RHD ) 2 of 2
Power and Grounds ( RHD )
Figure 6:

Data Link Connector (DLC) Schematics Class 2 - 2 of 2 (RHD)


Object Number: 762094  Size: FS
Class 2 ( RHD ) 1 of 2