GM Service Manual Online
For 1990-2009 cars only
Makes
🢒
Cadillac
🢒
2003
🢒
CTS
🢒
Body and Accessories
🢒
Entertainment
🢒 Instrument Cluster Schematics
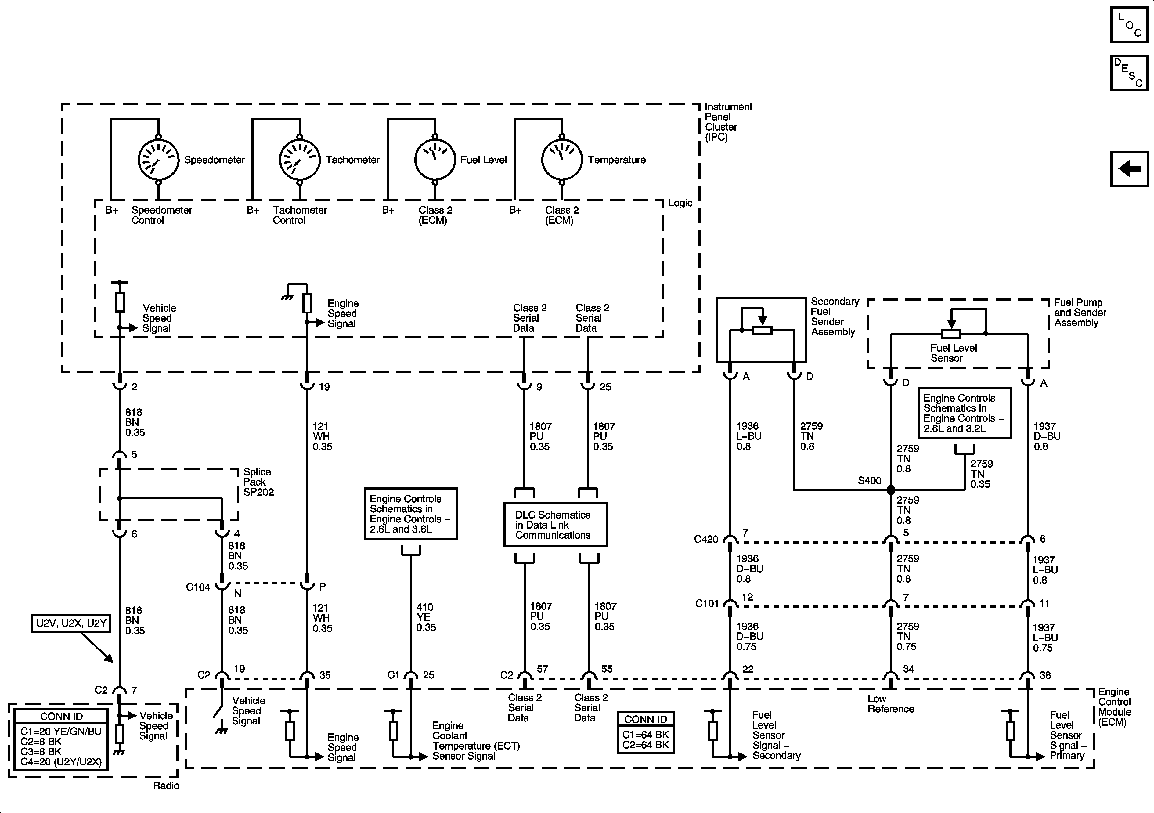
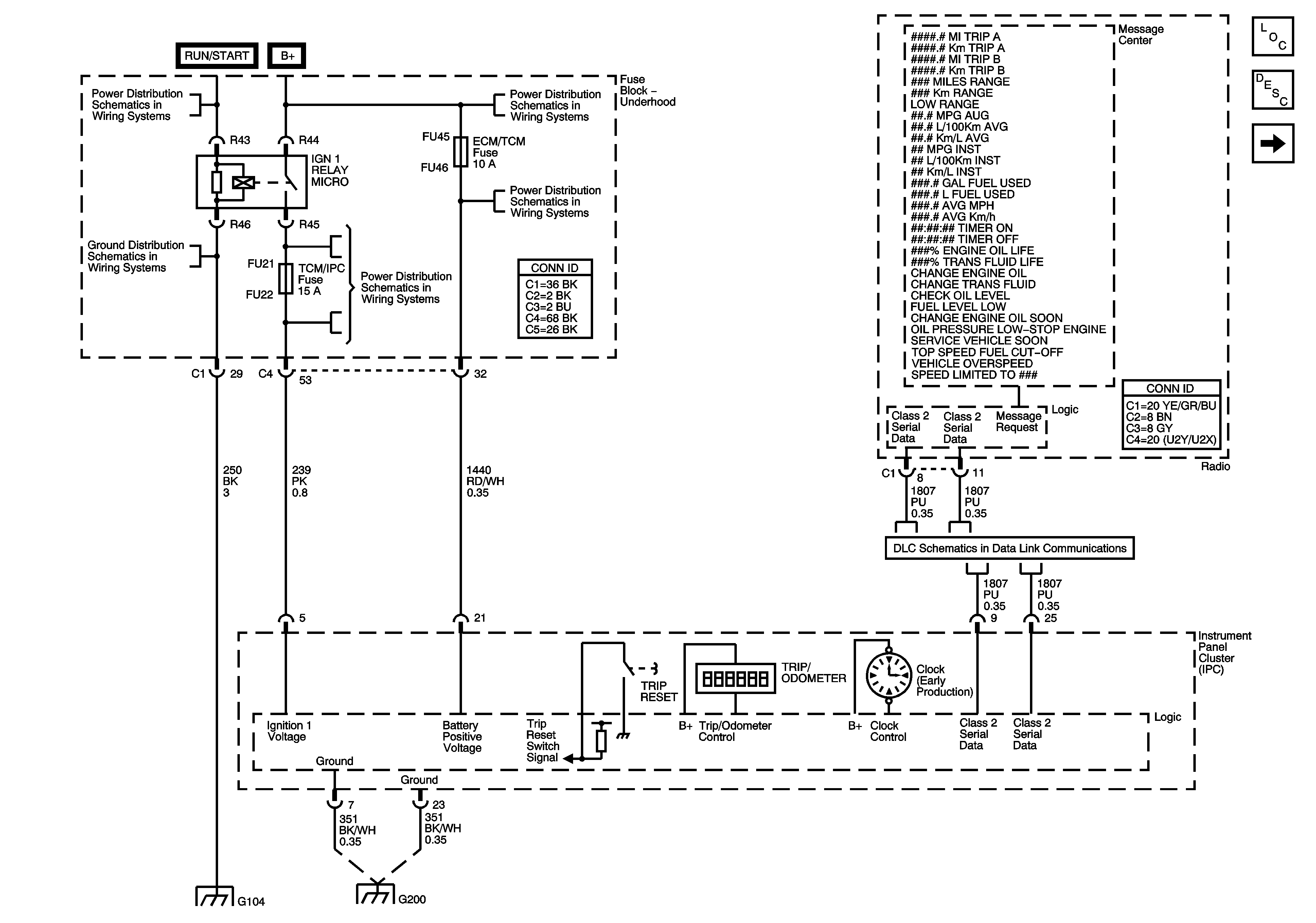
Figure
1:
Power, Ground, DLC, Odometer, and Clock (Early Production)
Driver Information Center Schematic
Underhood Fuse Block - STARTER and IGN-1 Relays, CLUTCH, TCM/IPC, WASH NOZ, TURN SW, and HEATER VALVE Fuses
Class 2 (LHD) 1 of 2
Figure
2:
Indicators
Figure
3:
Gages