GM Service Manual Online
For 1990-2009 cars only
Makes
🢒
Cadillac
🢒
2003
🢒
CTS
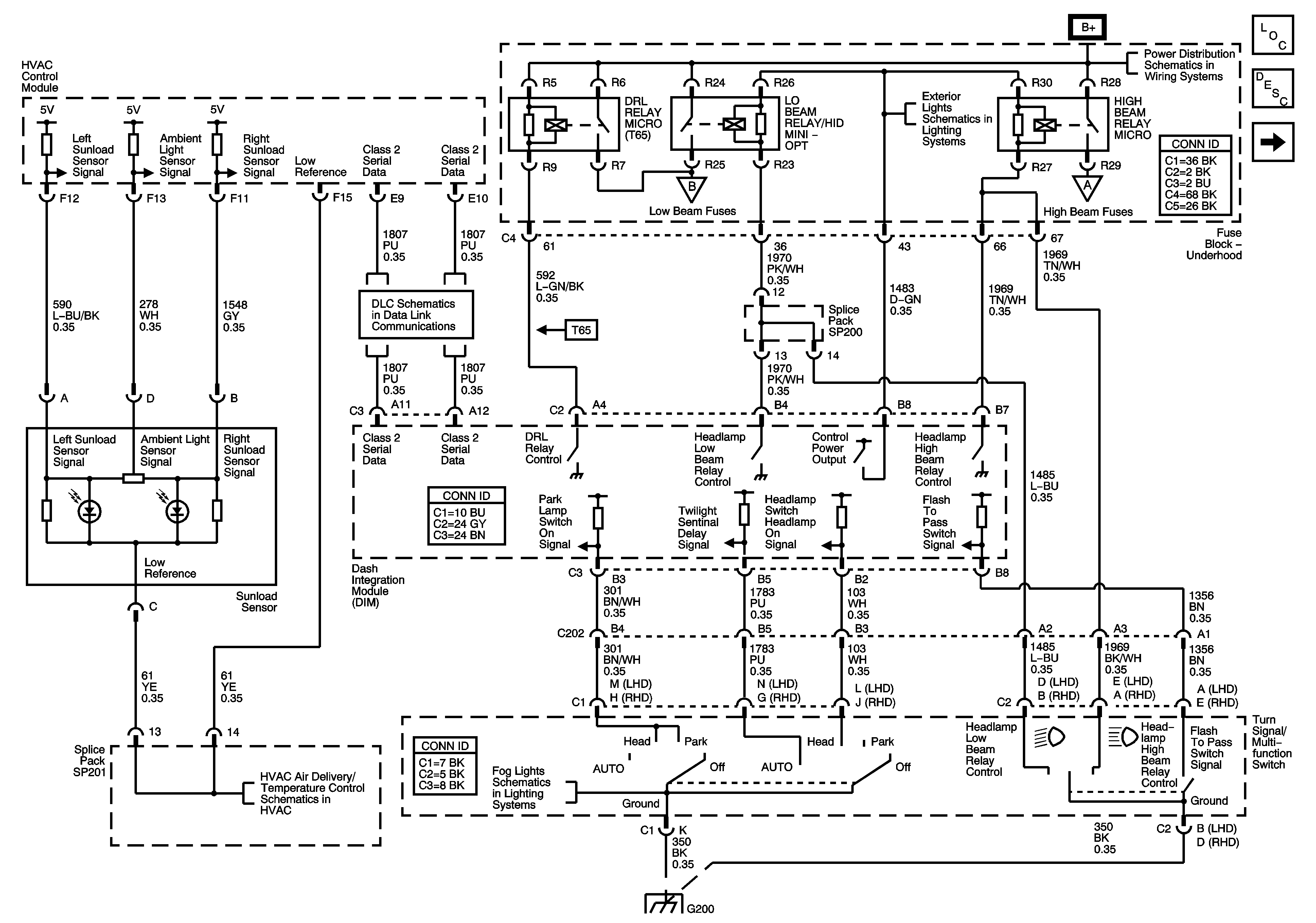
🢒 Exterior Lighting Schematics Headlamp Switch, DIM
Exterior Lighting Schematics Headlamp Switch, DIM
Turn Signal/Multi-Function Switch
Exterior Lighting Schematics Headlamp assemblys, Power
Exterior Lighting Schematics Power, Headlamp Switch, DIM
Class 2 (LHD) 1 of 2
Class 2 (LHD) 1 of 2
Exterior Lighting Schematics Headlamp assemblys, Power
Exterior Lighting Schematics Headlamp assemblys, Power