GM Service Manual Online
For 1990-2009 cars only
Makes
🢒
Cadillac
🢒
2003
🢒
CTS
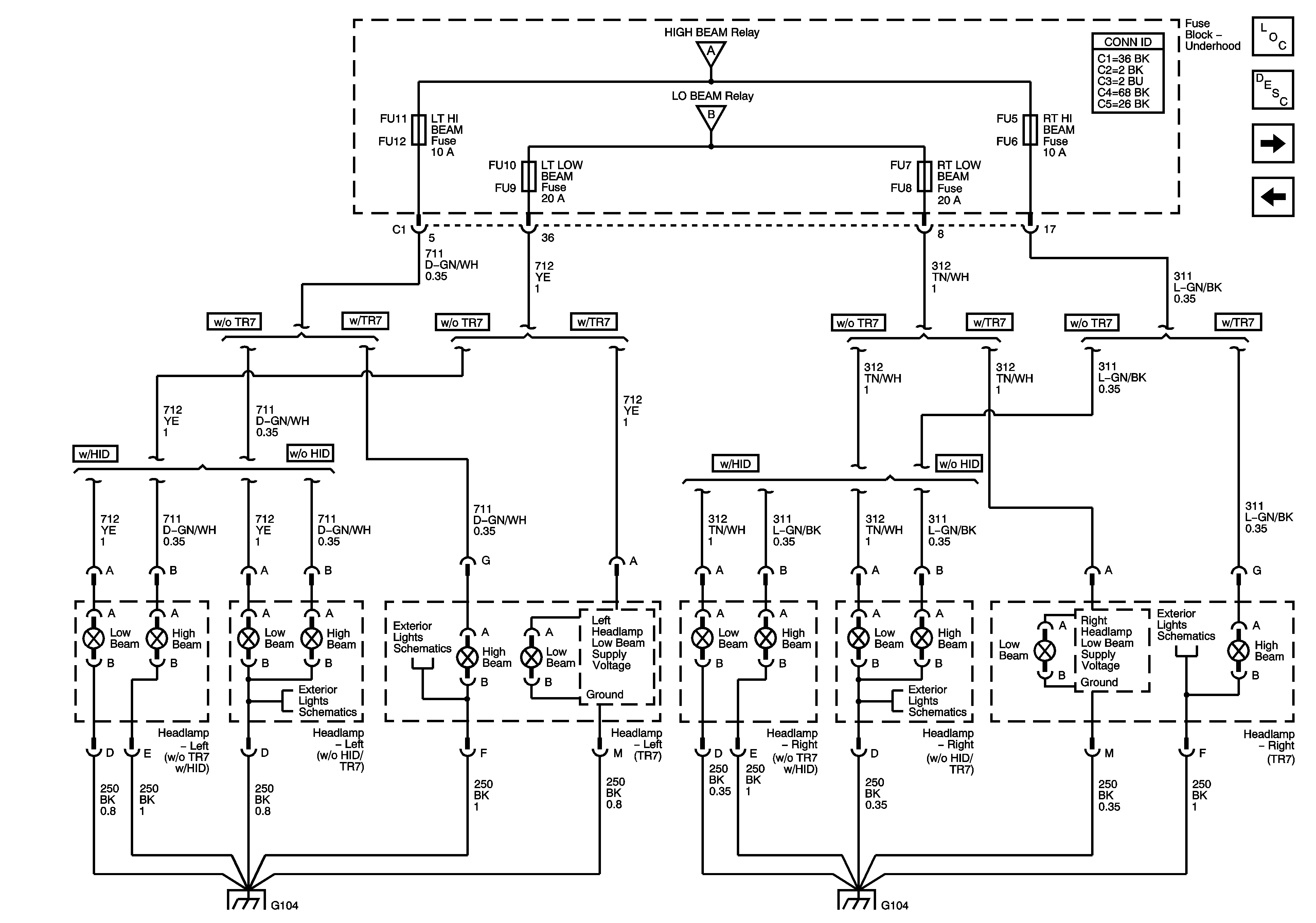
🢒 Exterior Lighting Schematics Headlamp assemblys, Power
Exterior Lighting Schematics Headlamp assemblys, Power
Headlamps
Headlamp Schematics ( Export Daytime Running Lights (DRL) )
Exterior Lighting Schematics Headlamp Switch, DIM
Exterior Lighting Schematics Power, Headlamp Switch, DIM
Exterior Lighting Schematics Power, Headlamp Switch, DIM
Exterior Lighting Schematics Power, Headlamp Switch, DIM
Exterior Lighting Schematics Power, Headlamp Switch, DIM
Exterior Lighting Schematics Headlamp Switch, DIM
Exterior Lighting Schematics Headlamp Switch, DIM