GM Service Manual Online
For 1990-2009 cars only
Makes
🢒
Cadillac
🢒
2003
🢒
CTS
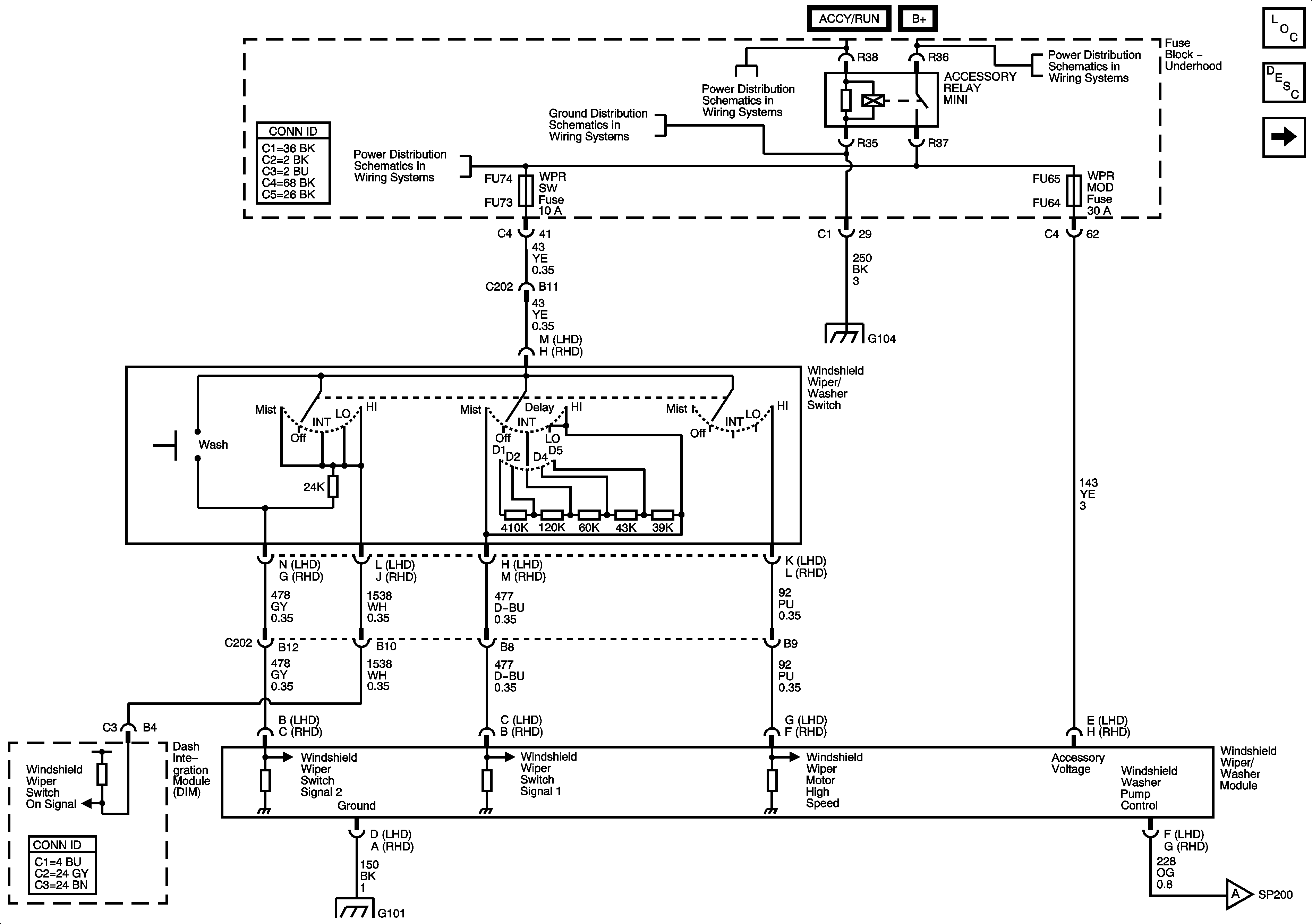
🢒 Wiper/Washer System Schematics Wiper/Washer Switch and Wiper Module
Wiper/Washer System Schematics Wiper/Washer Switch and Wiper Module
Power, Ground, and Wiper Switch
Wiper/Washer System Schematics Power, Grounds, Washer Pump Motor
Wiper/Washer System Schematics Power, Grounds, Washer Pump Motor