GM Service Manual Online
For 1990-2009 cars only
Makes
🢒
Cadillac
🢒
2003
🢒
CTS
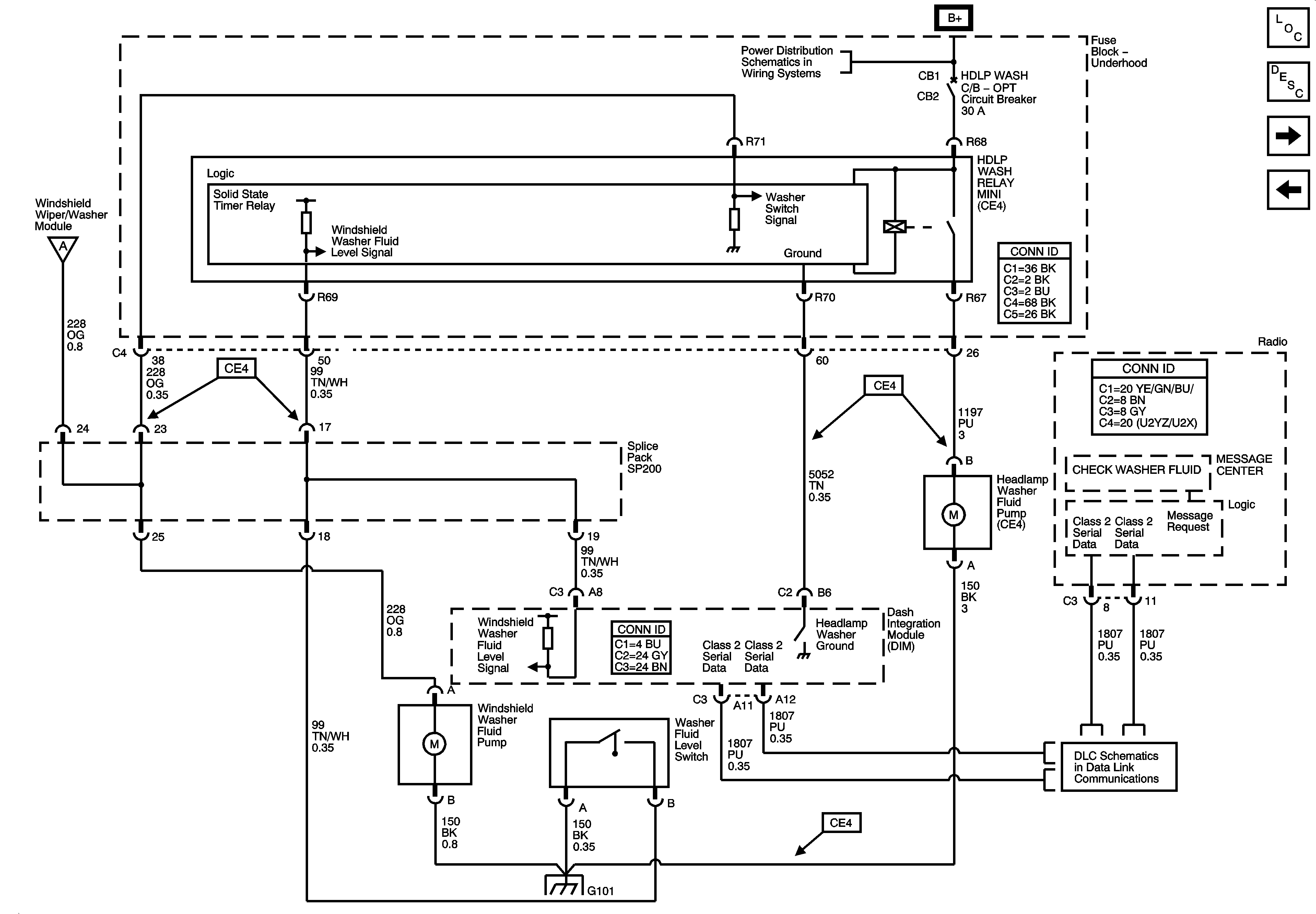
🢒 Wiper/Washer System Schematics Power, Grounds, Washer Pump Motor
Wiper/Washer System Schematics Power, Grounds, Washer Pump Motor
Washer Motor and Headlamp Washer Relay (Late Production-VIN 105858 and After)
Wiper/Washer System Schematics Wiper/Washer Switch and Wiper Module
Wiper/Washer System Schematics Wiper/Washer Switch and Wiper Module