GM Service Manual Online
For 1990-2009 cars only
Makes
🢒
Cadillac
🢒
2003
🢒
CTS
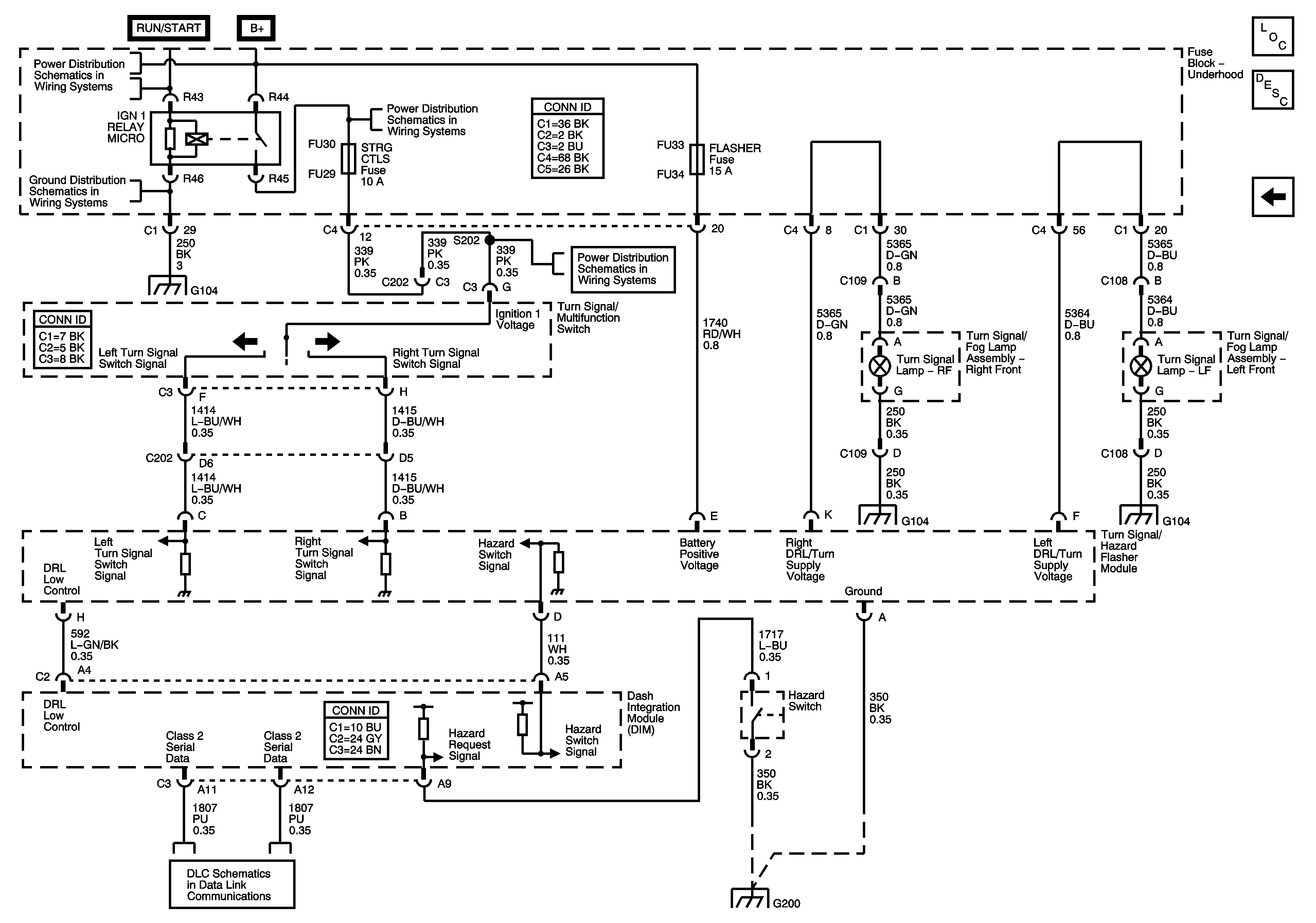
🢒 Headlamp Schematics ( Domestic Daytime Running Lights (DRL) )
Headlamp Schematics ( Domestic Daytime Running Lights (DRL) )
Domestic Daytime Running Lamps (DRL)
Headlamp Schematics ( Export Daytime Running Lights (DRL) )
Class 2 (LHD) 1 of 2