GM Service Manual Online
For 1990-2009 cars only
Figure 1:

Power, Ground, Serial Data, DIC and Indicator


Object Number: 1343576  Size: FS
Master Electrical Component List
Powertrain Control Module Description
Engine Data Sensors - 5 Volt and Low Reference Buses
OBD II Symbol Description Notice
Underhood Fuse Block B+ Bus - 2 of 2
Underhood Fuse Block DIM/ALDL, VOLT CHECK, FLASHER, CCP, ECM/TCM and ABS Fuses
Ignition Switch - 2 of 2
Ignition Switch - 2 of 2
Ignition Switch - 2 of 2
Underhood Fuse Block STARTER and IGN 1 Relays, HTR VLV/CLTCH and TCM/IPC Fuses
G104 - 1 of 2
Ignition Switch - 1 of 2
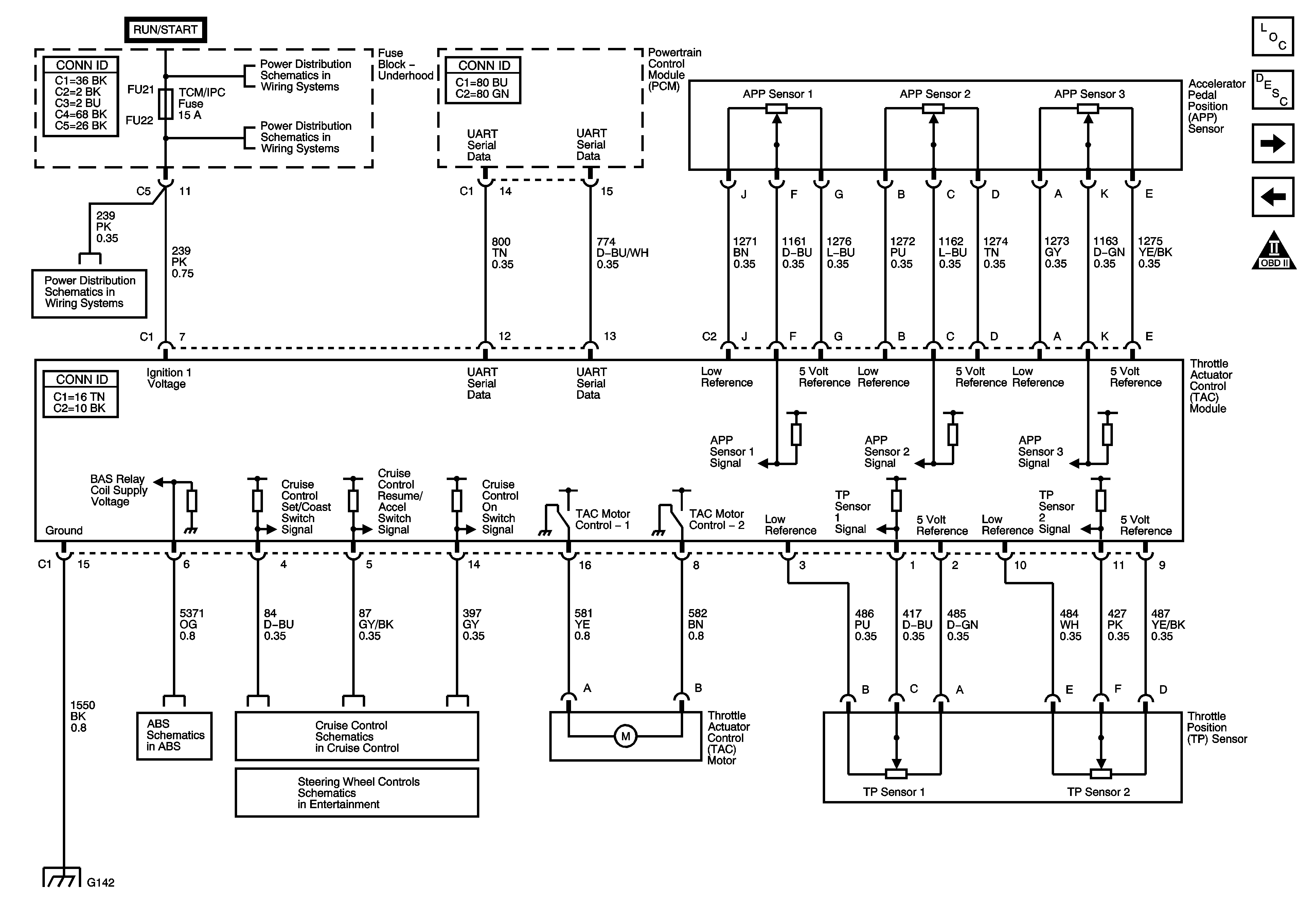
Engine Data Sensors - Throttle Actuator Control (TAC) System
Class 2 Serial Data Bus - LHD - 1 of 2
Class 2 Serial Data Bus - LHD - 2 of 2
G140, G141 and G142 - 5.7L (LS6)
G140, G141 and G142 - 5.7L (LS6)
G140, G141 and G142 - 5.7L (LS6)
G104 - 1 of 2
Underhood Fuse Block MAIN Relay, Cooling Fan Fuses/Relays, ECM and TOS Fuses
Figure 2:

Engine Data Sensors - 5 Volt and Low Reference Buses


Object Number: 1343584  Size: FS
Master Electrical Component List
Powertrain Control Module Description
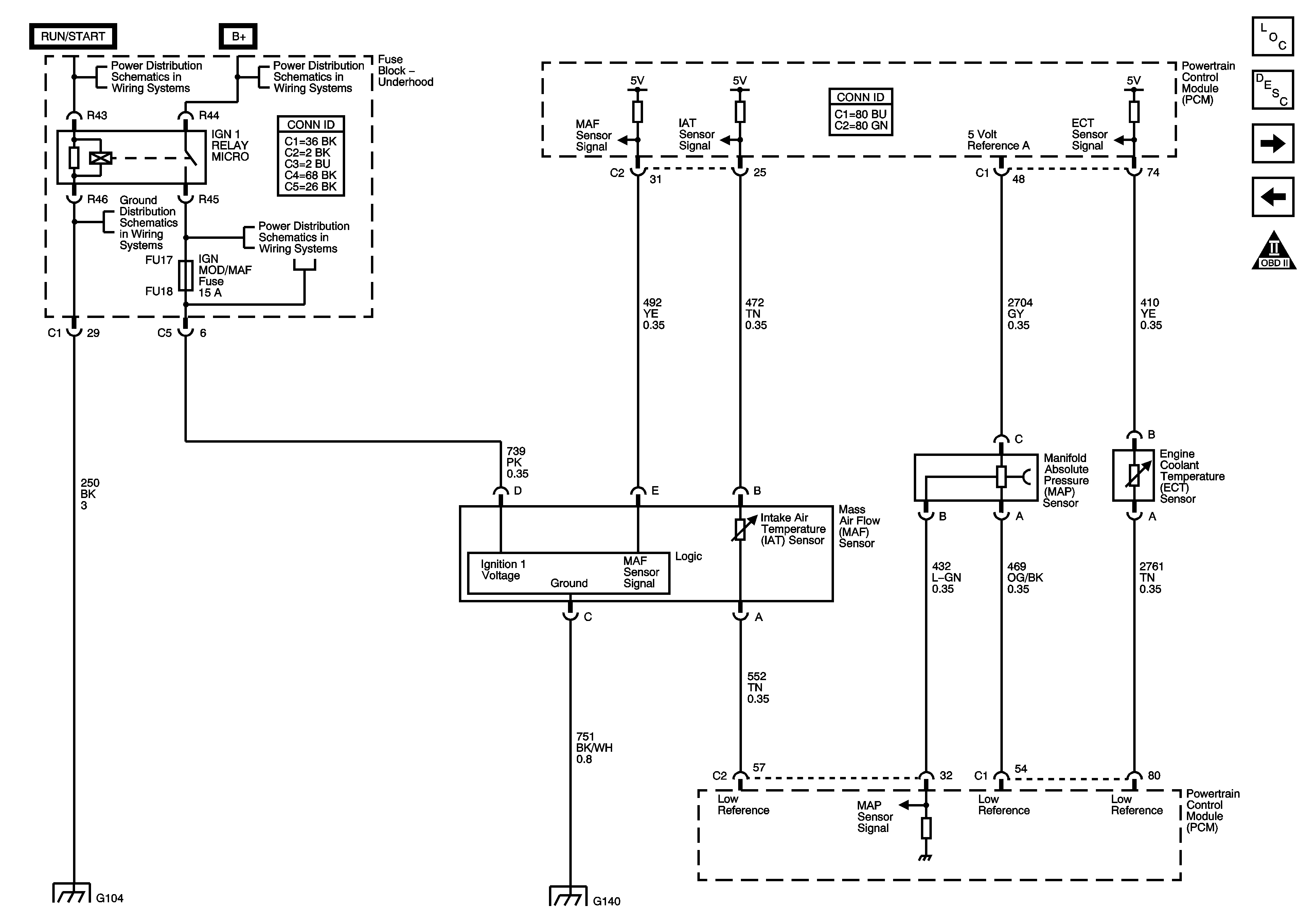
Engine Data Sensors - MAP, ECT, MAF and IAT Sensors (LS6)
Power, Ground, Serial Data, DIC and Indicator (LS6)
OBD II Symbol Description Notice
Figure 3:

Engine Data Sensors - MAP, ECT, MAF and IAT Sensors


Object Number: 1343587  Size: FS
Master Electrical Component List
Powertrain Control Module Description
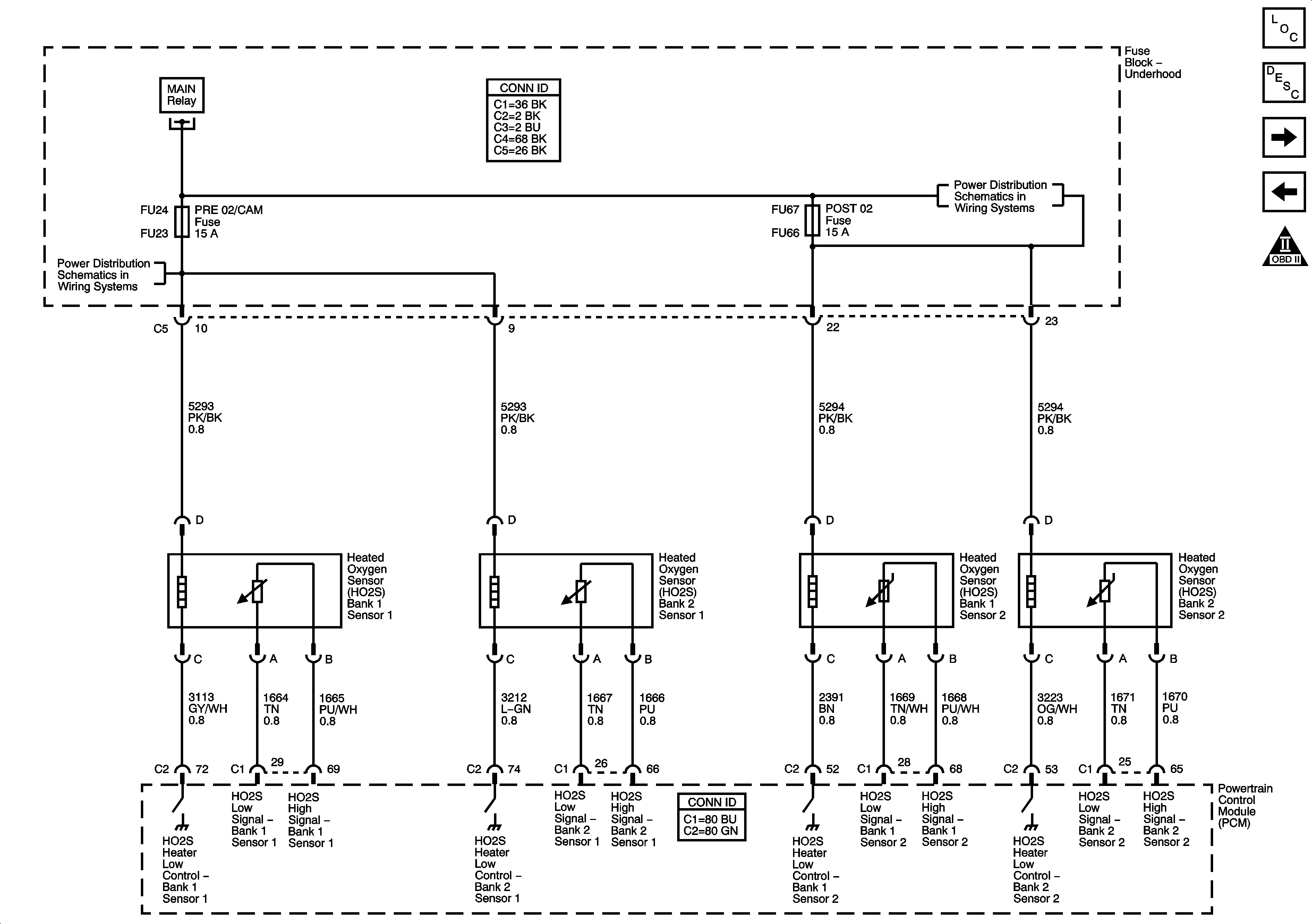
Engine Data Sensors - Heated Oxygen Sensors (HO2S)
Engine Data Sensors - 5 Volt and Low Reference Buses
OBD II Symbol Description Notice
Ignition Switch - 2 of 2
Underhood Fuse Block B+ Bus - 2 of 2
G104 - 1 of 2
Underhood Fuse Block WASH NOZ, STRG CTLS and IGN MOD/MAF Fuses
G104 - 1 of 2
G140, G141 and G142 - 5.7L (LS6)
Figure 4:

Engine Data Sensors - Heated Oxygen Sensors (HO2S)


Object Number: 1343588  Size: FS
Master Electrical Component List
Powertrain Control Module Description
Engine Data Sensors - Throttle Actuator Control (TAC) System
Engine Data Sensors - MAP, ECT, MAF and IAT Sensors (LS6)
OBD II Symbol Description Notice
Power, Ground, Serial Data, DIC and Indicator (LS6)
Underhood Fuse Block PRE O2/CAM Fuse
Underhood Fuse Block POST O2 Fuse
Underhood Fuse Block PRE O2/CAM Fuse
Figure 5:

Engine Data Sensors - Throttle Actuator Control (TAC) System


Object Number: 1343589  Size: FS
Master Electrical Component List
Throttle Actuator Control (TAC) System Description
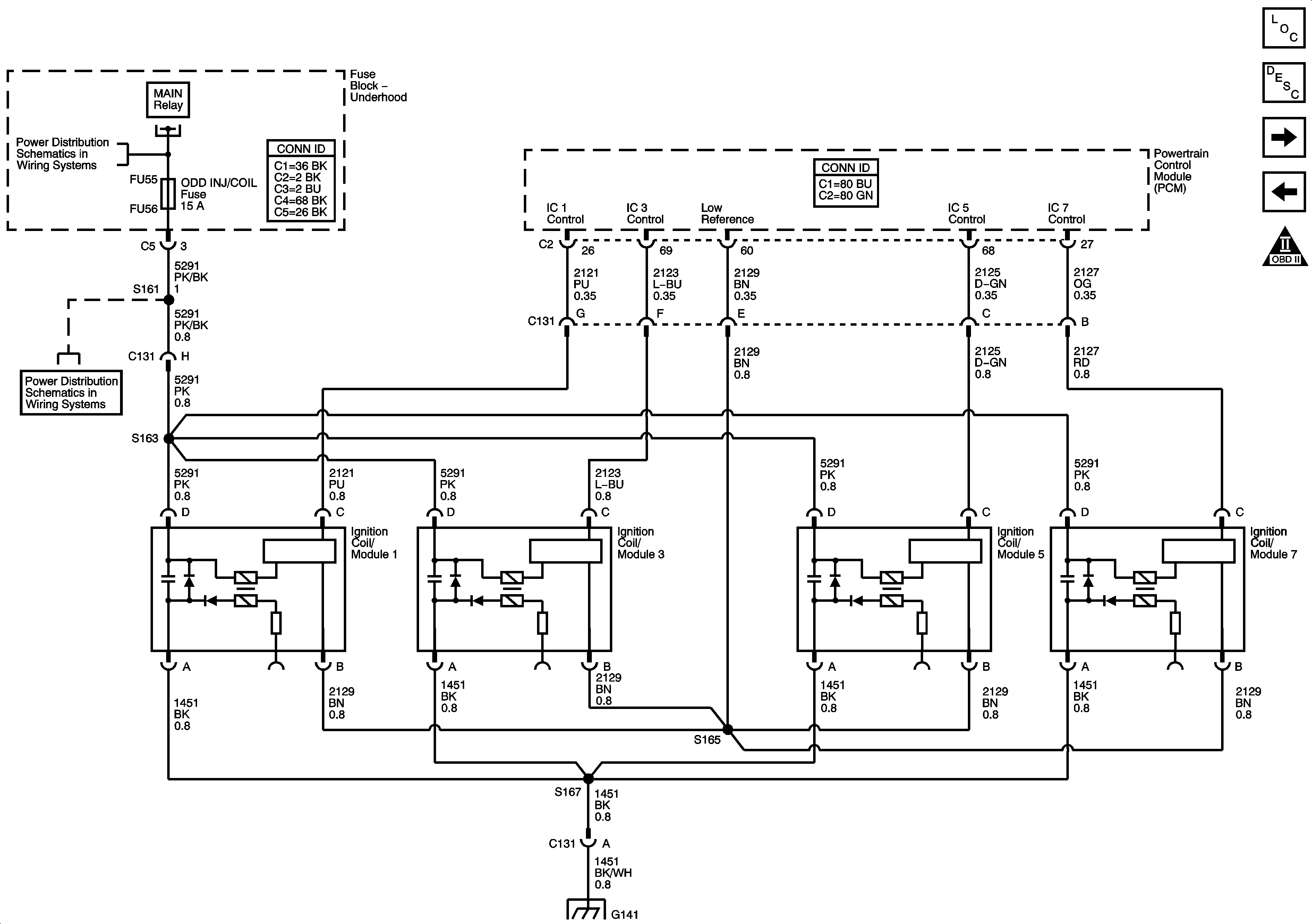
Ignition Controls - Odd Ignition Coils
Engine Data Sensors - Heated Oxygen Sensors (HO2S)
OBD II Symbol Description Notice
Underhood Fuse Block B+ Bus - 2 of 2
Underhood Fuse Block STARTER and IGN 1 Relays, HTR VLV/CLTCH and TCM/IPC Fuses
Underhood Fuse Block STARTER and IGN 1 Relays, HTR VLV/CLTCH and TCM/IPC Fuses
BPP Sensor, Switches and Indicators - 5.7L (LS6)
Cruise Control System - 5.7L (LS6)
Steering Wheel Controls - 5.7L (LS6)
G140, G141 and G142 - 5.7L (LS6)
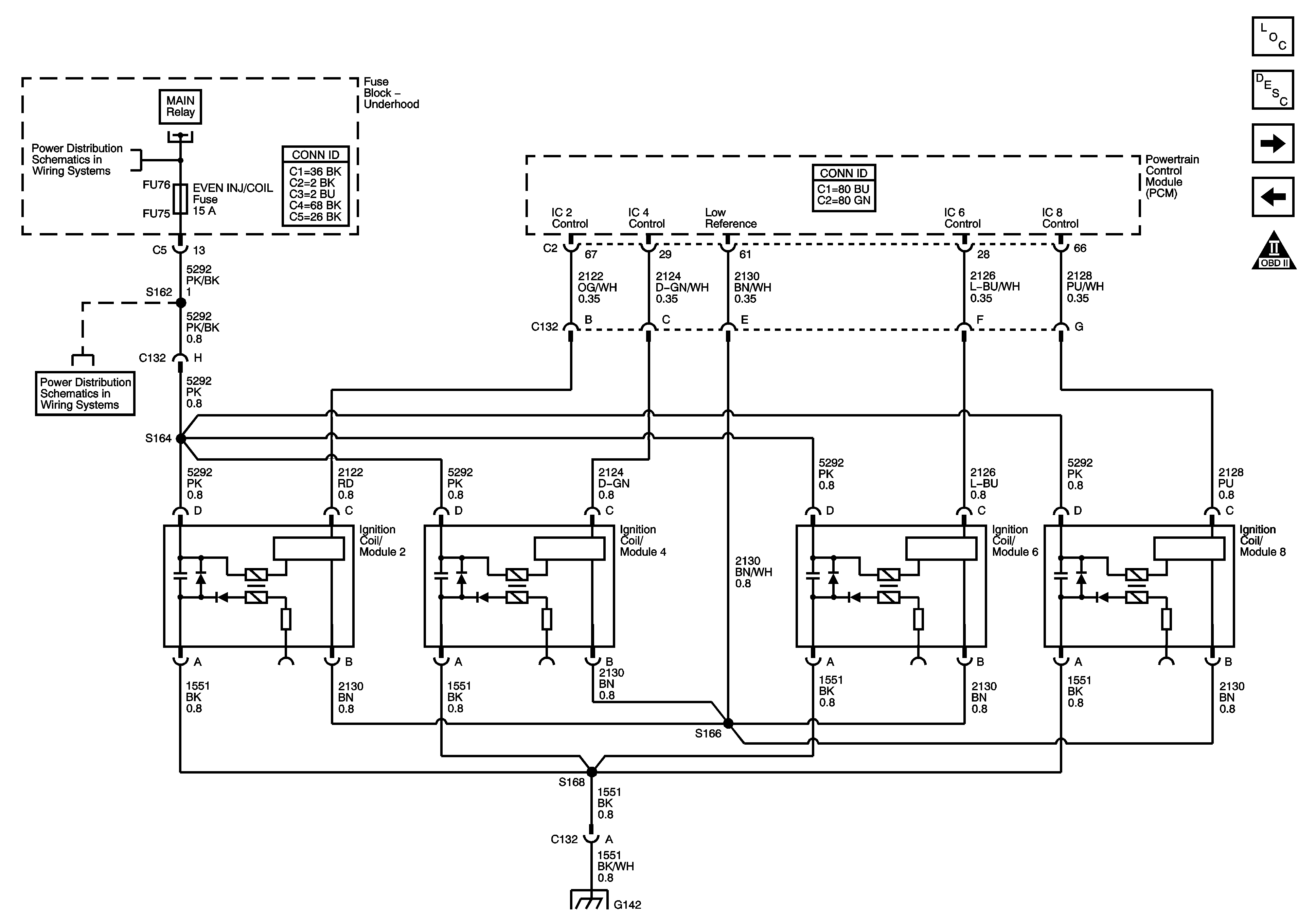
Figure 6:

Ignition Controls - Odd Ignition Coils


Object Number: 1343590  Size: FS
Master Electrical Component List
Electronic Ignition (EI) System Description
Ignition Controls - Even Ignition Coils
Engine Data Sensors - Throttle Actuator Control (TAC) System
OBD II Symbol Description Notice
Power, Ground, Serial Data, DIC and Indicator (LS6)
Underhood Fuse Block B+ Bus - 2 of 2
Underhood Fuse Block ODD INJ/COIL Fuse
G140, G141 and G142 - 5.7L (LS6)
Figure 7:

Ignition Controls - Even Ignition Coils


Object Number: 1343591  Size: FS
Master Electrical Component List
Electronic Ignition (EI) System Description
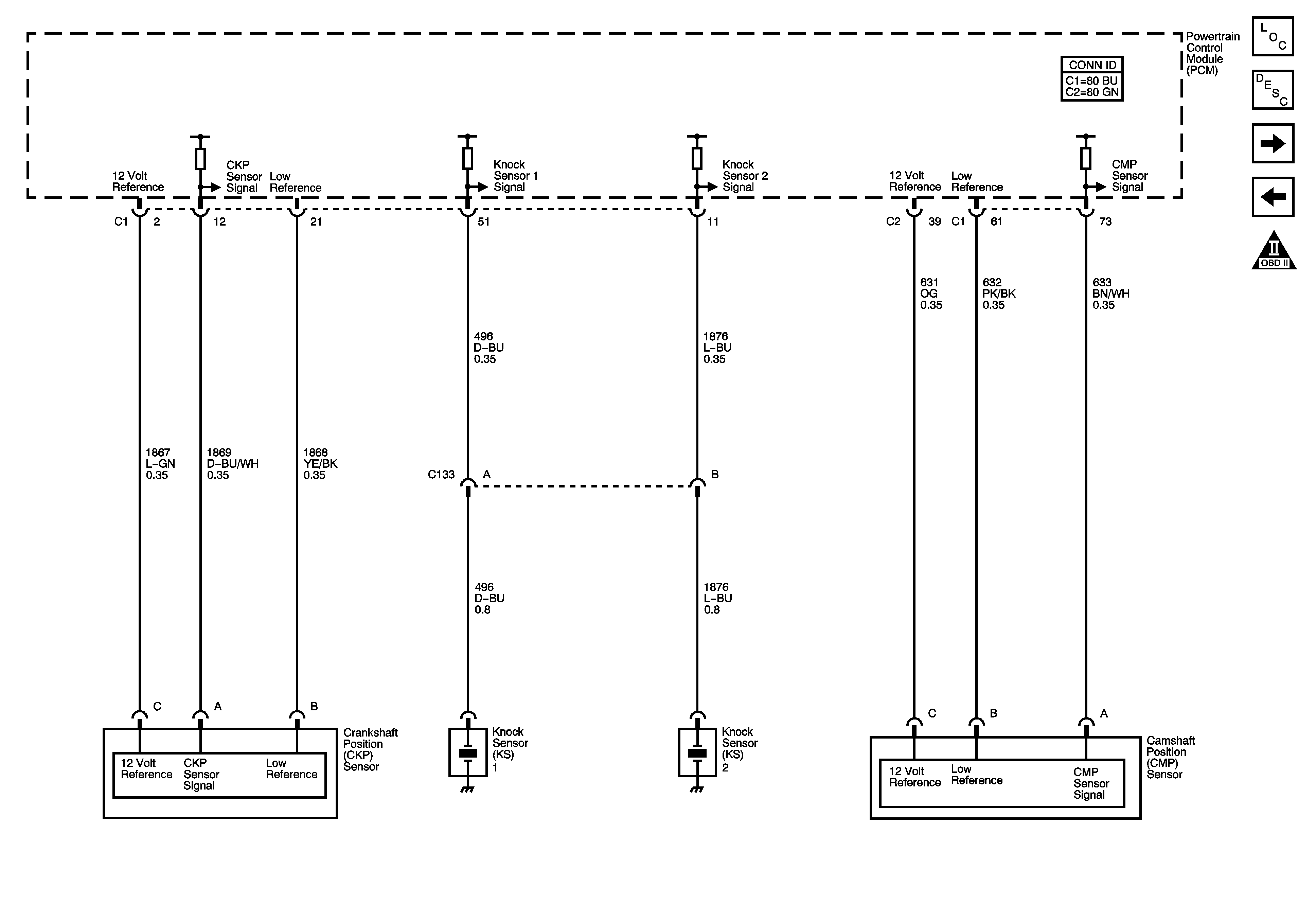
Ignition Controls - Knock, CKP and CMP Sensors
Ignition Controls - Odd Ignition Coils
OBD II Symbol Description Notice
Power, Ground, Serial Data, DIC and Indicator (LS6)
Underhood Fuse Block B+ Bus - 2 of 2
Underhood Fuse BLock EVEN INJ/COIL Fuse
G140, G141 and G142 - 5.7L (LS6)
Figure 8:

Ignition Controls - Knock, CKP and CMP Sensors


Object Number: 1343595  Size: FS
Master Electrical Component List
Knock Sensor (KS) System Description
Fuel Controls - Fuel Injectors and Fuel Pump/Sender Assembly
Ignition Controls - Even Ignition Coils
OBD II Symbol Description Notice
Figure 9:

Fuel Controls - Fuel Injectors and Fuel Pump and Sender Assembly


Object Number: 1343600  Size: FS
Master Electrical Component List
Fuel System Description
Fuel Controls - EVAP Controls
Ignition Controls - Knock, CKP and CMP Sensors
OBD II Symbol Description Notice
Power, Ground, Serial Data, DIC and Indicator (LS6)
Underhood Fuse Block ODD INJ/COIL Fuse
Underhood Fuse Block B+ Bus - 2 of 2
Right Rear Fuse Block B+ Bus
G401
Gages - 5.7L (LS6)
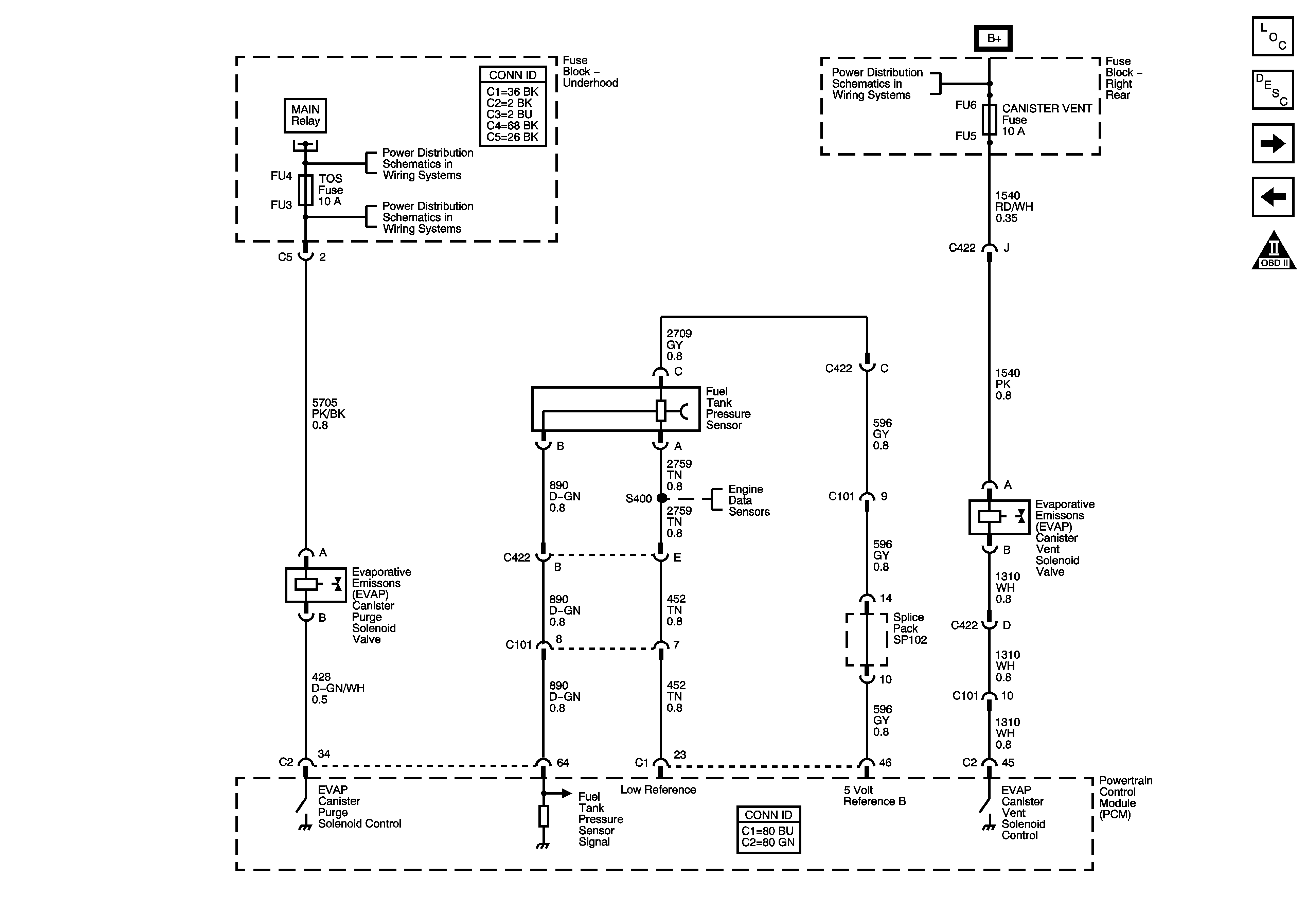
Figure 10:

Fuel Controls - EVAP Controls


Object Number: 1343602  Size: FS
Master Electrical Component List
Evaporative Emission Control System Description
Controlled/Monitored Subsystem References
Fuel Controls - Fuel Injectors and Fuel Pump/Sender Assembly
OBD II Symbol Description Notice
Power, Ground, Serial Data, DIC and Indicator (LS6)
Underhood Fuse Block B+ Bus - 2 of 2
Underhood Fuse Block MAIN Relay, Cooling Fan Fuses/Relays, ECM and TOS Fuses
Right Rear Fuse Block DR MOD PWR Circuit Breaker, CANISTER VENT, RIM/IGN SW, R FRT HTD SEAT MOD and POWER SOUNDER Fuses
Engine Data Sensors - 5 Volt and Low Reference Buses
Figure 11:

Controlled/Monitored Subsystem References


Object Number: 1343603  Size: FS
Master Electrical Component List
Powertrain Control Module Description
Fuel Controls - EVAP Controls
OBD II Symbol Description Notice
Starting System - 5.7L (LS6)
BPP Sensor, Switches and Indicators - 5.7L (LS6)
Cooling Fans - 5.7L (LS6)
EOP Sensors, Engine Oil Level/Temperature Sensors, DIC and Indicator
A/C Compressor Controls - 5.7L (LS6)
Manual Transmission (M12)