GM Service Manual Online
For 1990-2009 cars only
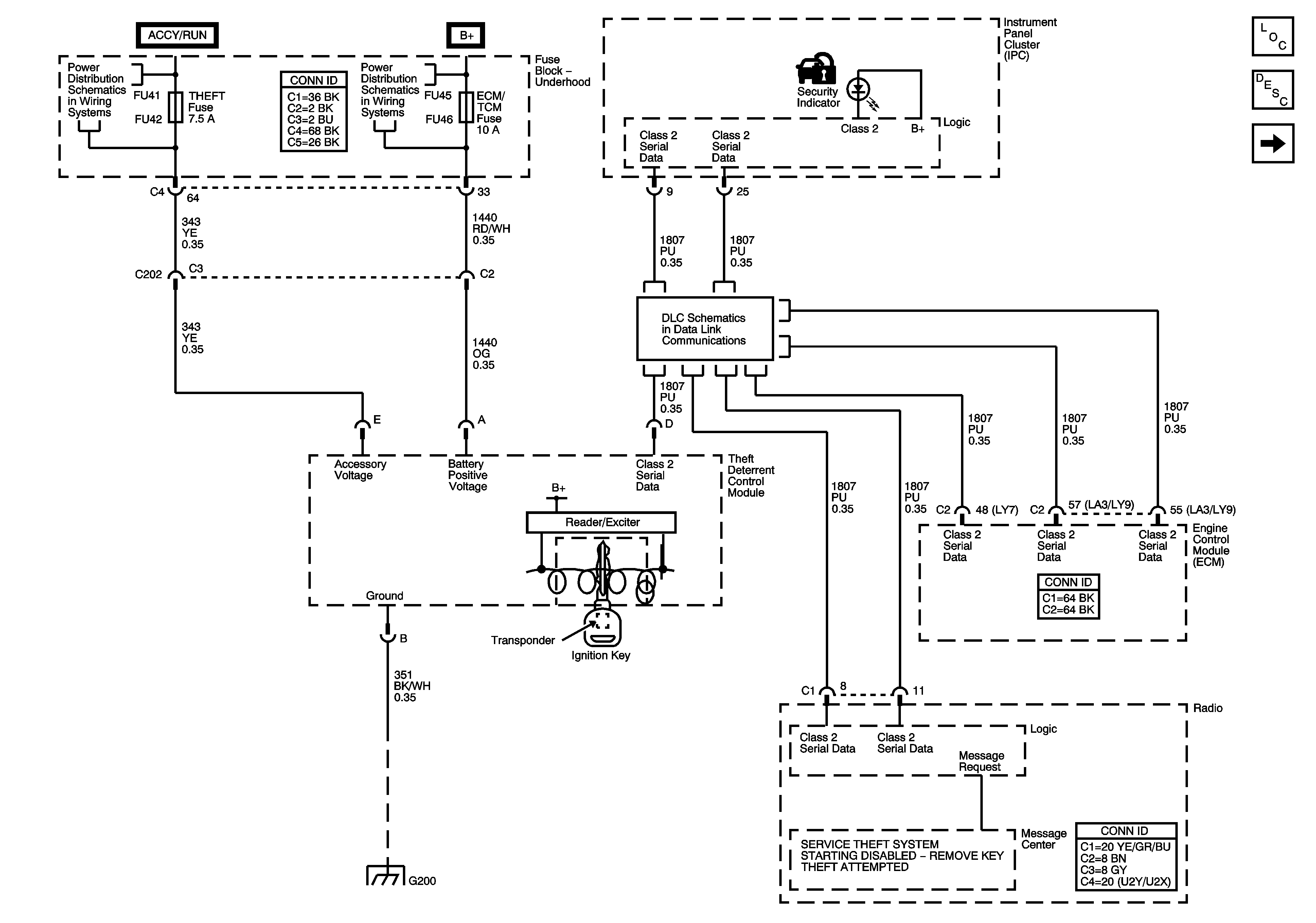
Figure 1:

Power, Ground, Serial Data, Theft Deterrent Control Module and Indicator


Object Number: 1316867  Size: FS
Master Electrical Component List
Theft Systems Description and Operation
Theft Deterrent Alarm, Intrusion Sensor and Inclination Sensor (Export w/UA2)
Ignition Switch - 2 of 2
Underhood Fuse Block DIM/ALDL, VOLT CHECK, FLASHER, CCP, ECM/TCM and ABS Fuses
Class 2 Serial Data Bus - LHD - 1 of 2
G200
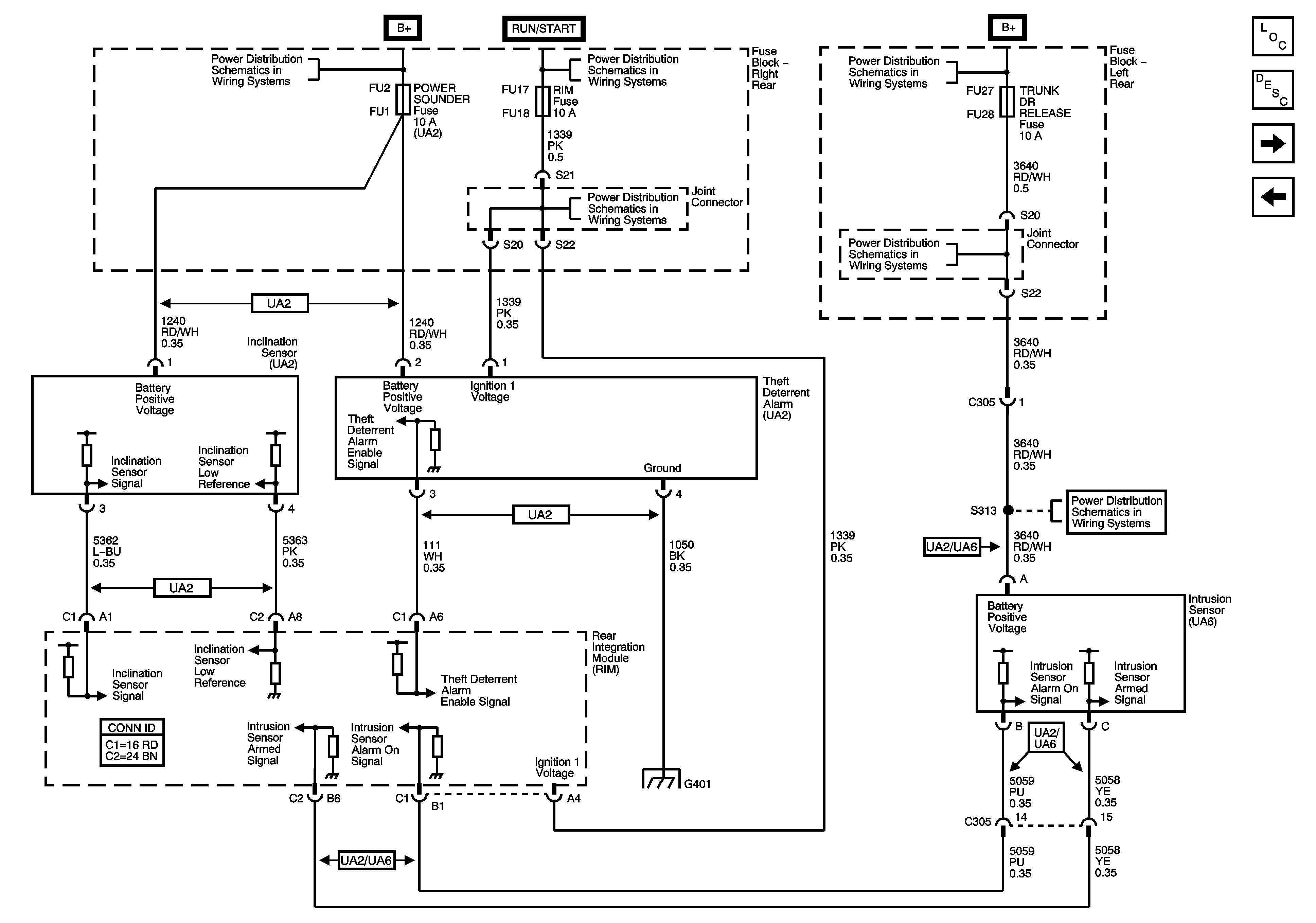
Figure 2:

Theft Deterrent Alarm, Intrusion Sensor and Inclination Sensor - Export w/ UA2


Object Number: 1316871  Size: FS
Master Electrical Component List
Theft Systems Description and Operation
Door Modules, Hood Ajar Switch (Export w/UA2), Serial Data and Indicator
Power, Ground, Serial Data, Theft Deterrent Control Module and Indicator
Right Rear Fuse Block B+ Bus
Right Rear Fuse Block IGN1 Relay, AIRBAG, RIM, ABS, PSGR DR MOD and TV/VICS Fuses
Right Rear Fuse Block IGN1 Relay, AIRBAG, RIM, ABS, PSGR DR MOD and TV/VICS Fuses
Left Rear Fuse Block B+ Bus
Left Rear Fuse Block SEAT Circuit Breaker, TRUNK Fuse/Relay, AMP, AUDIO, DRIVER DR MOD and REAR DR MOD Fuses
Left Rear Fuse Block SEAT Circuit Breaker, TRUNK Fuse/Relay, AMP, AUDIO, DRIVER DR MOD and REAR DR MOD Fuses
G401
Figure 3:

Door Modules, Hood Ajar Switch (Export w/ UA2), Serial Data and Indicator


Object Number: 1316887  Size: FS
Master Electrical Component List
Content Theft Deterrent (CTD) Description and Operation
Theft Deterrent Alarm, Intrusion Sensor and Inclination Sensor (Export w/UA2)
Horns
Class 2 Serial Data Bus - LHD - 1 of 2
Underhood Fuse Block B+ Bus - 1 of 2
Underhood Fuse Block PARK LAMP Relay/Fuses and DIMMING Fuse
Front Marker Lamps (W/TT7) and Front Park Lamps (w/o TT7)
G104 - 1 of 2