GM Service Manual Online
For 1990-2009 cars only
Figure 1:

Power, Ground, Serial Data, DIC and Indicator


Object Number: 1310994  Size: FS
Master Electrical Component List
Engine Control Module Description
Engine Data Sensors - 5 Volt and Low Reference Buses
OBD II Symbol Description Notice
Underhood Fuse Block B+ Bus - 2 of 2
Ignition Switch - 2 of 2
Ignition Switch - 2 of 2
Underhood Fuse Block DIM/ALDL, VOLT CHECK, FLASHER, CCP, ECM/TCM and ABS Fuses
Ignition Switch - 2 of 2
Underhood Fuse Block STARTER and IGN 1 Relays, HTR VLV/CLTCH and TCM/IPC Fuses
G104 - 1 of 2
Ignition Switch - 1 of 2
Class 2 Serial Data Bus - LHD - 2 of 2
Class 2 Serial Data Bus - LHD - 1 of 2
Underhood Fuse Block DIM/ALDL, VOLT CHECK, FLASHER, CCP, ECM/TCM and ABS Fuses
G100 and G107 - 2.6L/3.2L (LY9/LA3)
Power, Ground, GMLAN Bus and Keyword 2000 Bus
Power, Ground, GMLAN Bus and Keyword 2000 Bus
Engine Controls Schematic Icons
G104 - 1 of 2
Figure 2:

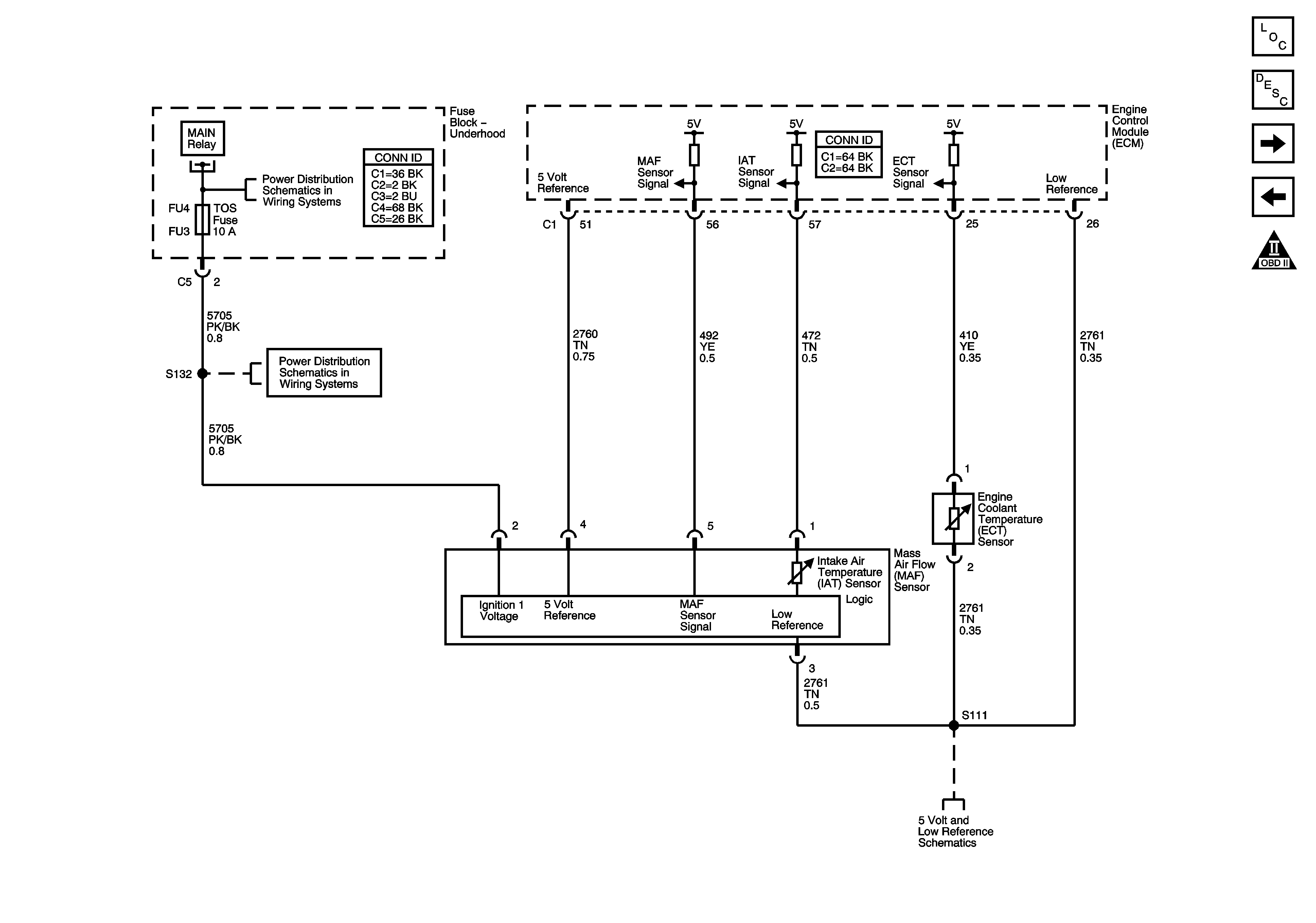
Engine Data Sensors - 5 Volt and Low Reference Buses


Object Number: 1311051  Size: FS
Master Electrical Component List
Engine Control Module Description
Engine Data Sensors - ECT, MAF and IAT Sensors
Power, Ground, Serial Data, DIC and Indicator
OBD II Symbol Description Notice
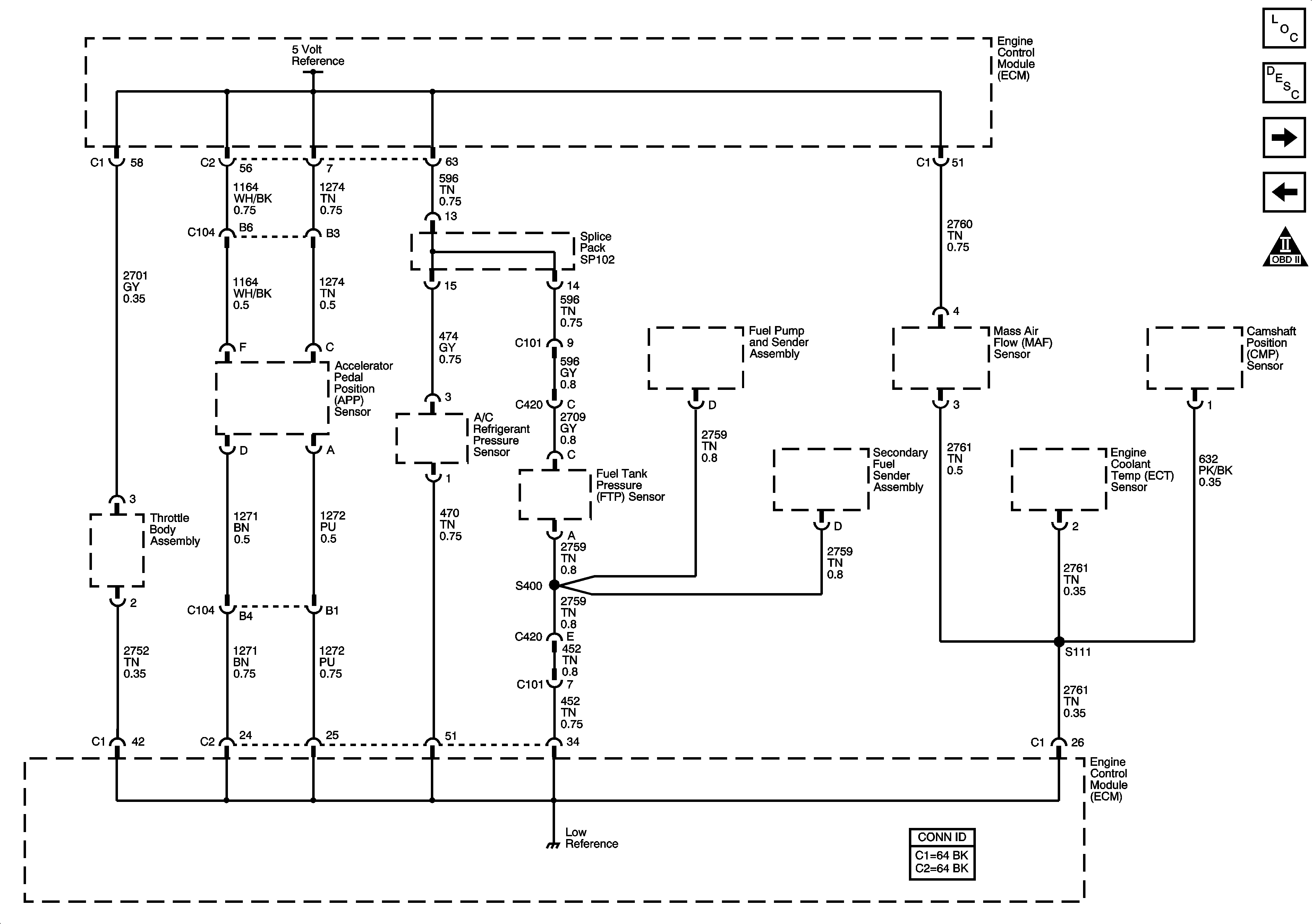
Figure 3:

Engine Data Sensors - ECT, MAF and IAT Sensors


Object Number: 1311070  Size: FS
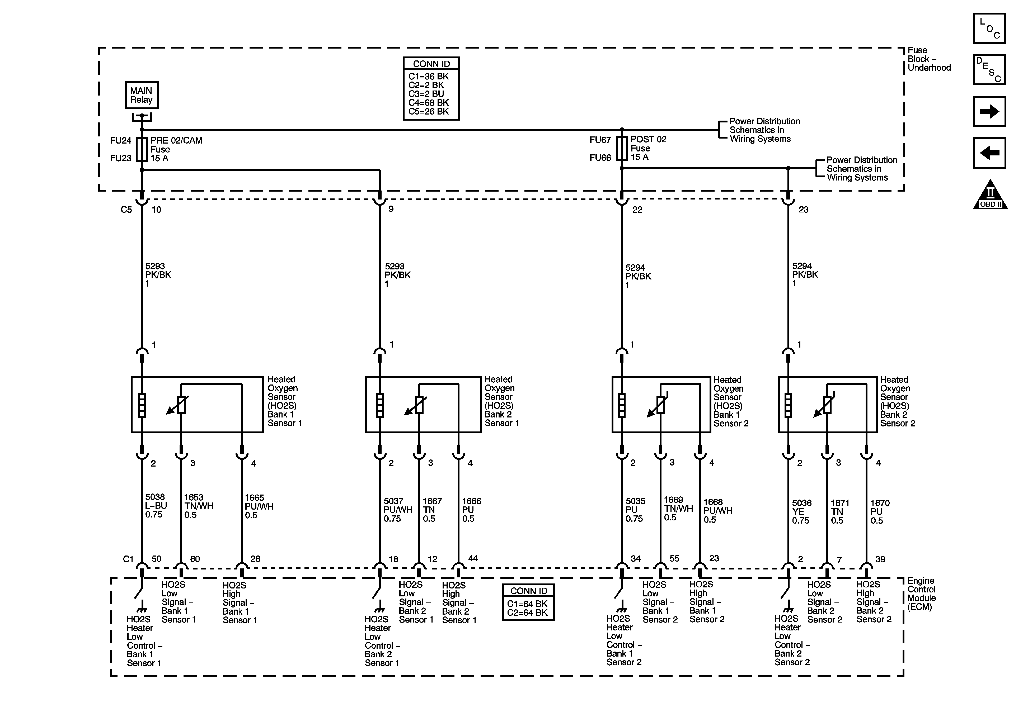
Master Electrical Component List
Engine Control Module Description
Engine Data Sensors - Heated Oxygen Sensors (HO2S)
Engine Data Sensors - 5 Volt and Low Reference Buses
OBD II Symbol Description Notice
Power, Ground, Serial Data, DIC and Indicator
Underhood Fuse Block MAIN Relay, Cooling Fan Fuses/Relays, ECM and TOS Fuses
Underhood Fuse Block MAIN Relay, Cooling Fan Fuses/Relays, ECM and TOS Fuses
Engine Data Sensors - 5 Volt and Low Reference Buses
Figure 4:

Engine Data Sensors - Heated Oxygen Sensors (HO2S)


Object Number: 1311071  Size: FS
Master Electrical Component List
Engine Control Module Description
Engine Data Sensors - Throttle Actuator Control (TAC) System
Engine Data Sensors - ECT, MAF and IAT Sensors
OBD II Symbol Description Notice
Power, Ground, Serial Data, DIC and Indicator
Underhood Fuse Block B+ Bus - 2 of 2
Underhood Fuse Block POST O2 Fuse
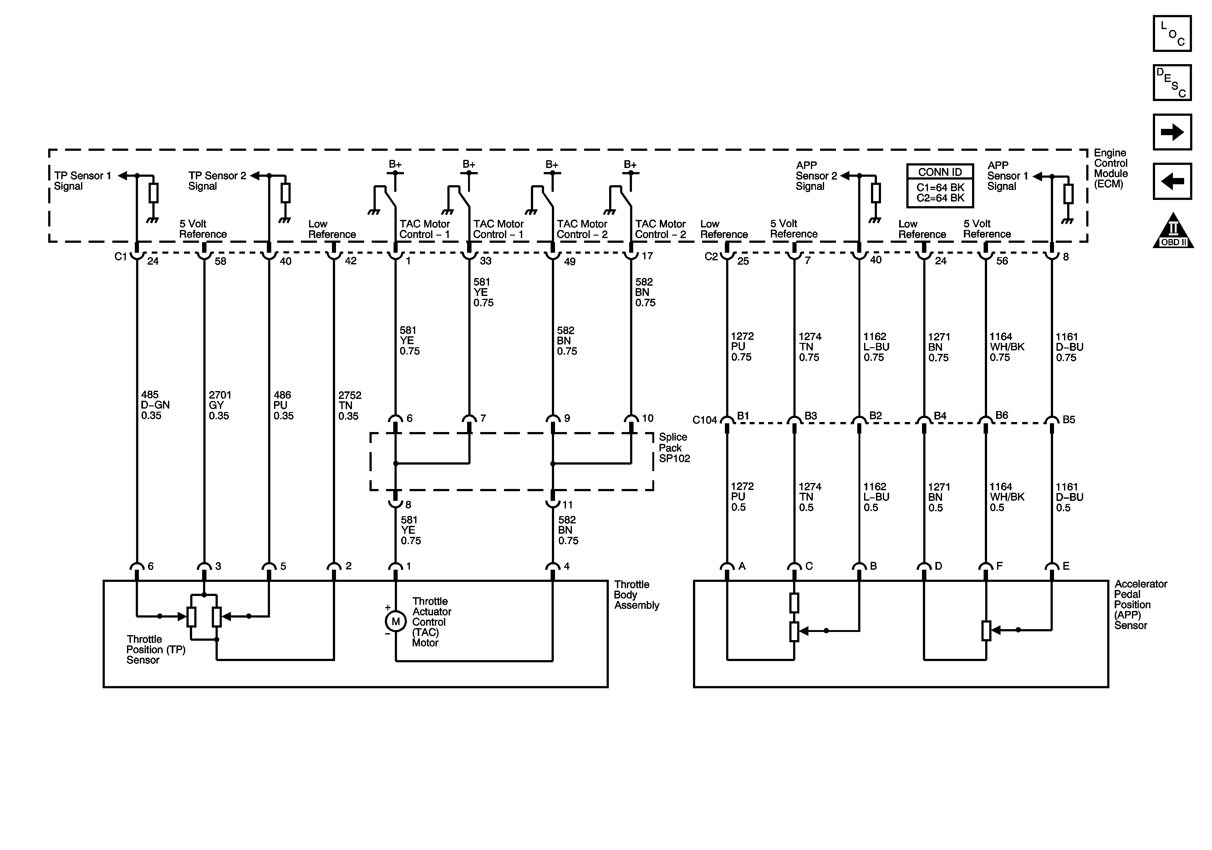
Figure 5:

Engine Data Sensors - Throttle Actuator Control (TAC) System


Object Number: 1311072  Size: FS
Master Electrical Component List
Throttle Actuator Control (TAC) System Description
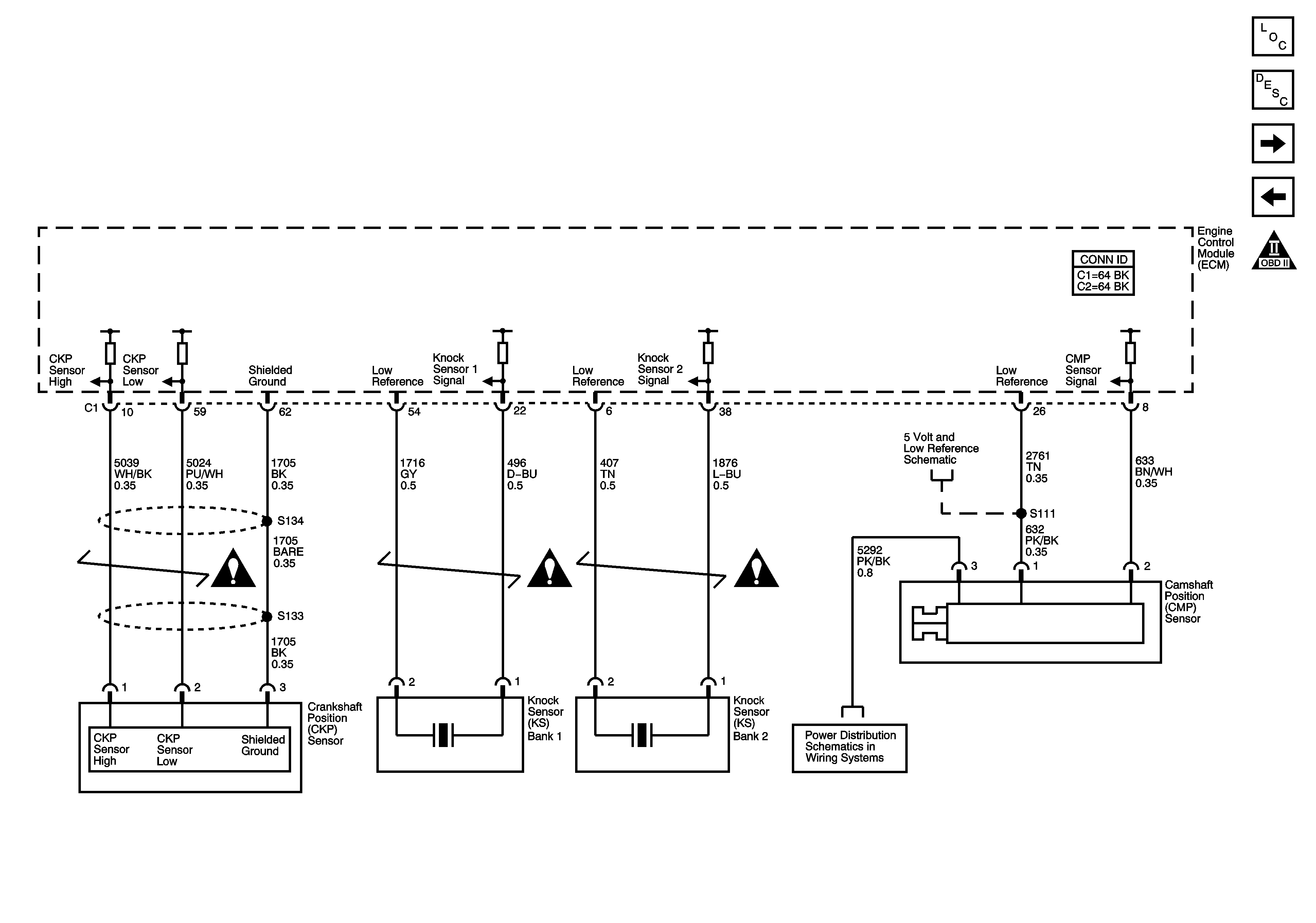
Ignition Controls - Knock, CKP and CMP Sensors
Engine Data Sensors - Heated Oxygen Sensors (HO2S)
OBD II Symbol Description Notice
Figure 6:

Ignition Controls - Knock, CKP and CMP Sensors


Object Number: 1311073  Size: FS
Master Electrical Component List
Knock Sensor (KS) System Description
Ignition Controls - Ignition Coils
Engine Data Sensors - Throttle Actuator Control (TAC) System
OBD II Symbol Description Notice
Engine Controls Schematic Icons
Engine Controls Schematic Icons
Engine Controls Schematic Icons
Engine Data Sensors - 5 Volt and Low Reference Buses
Underhood Fuse BLock EVEN INJ/COIL Fuse
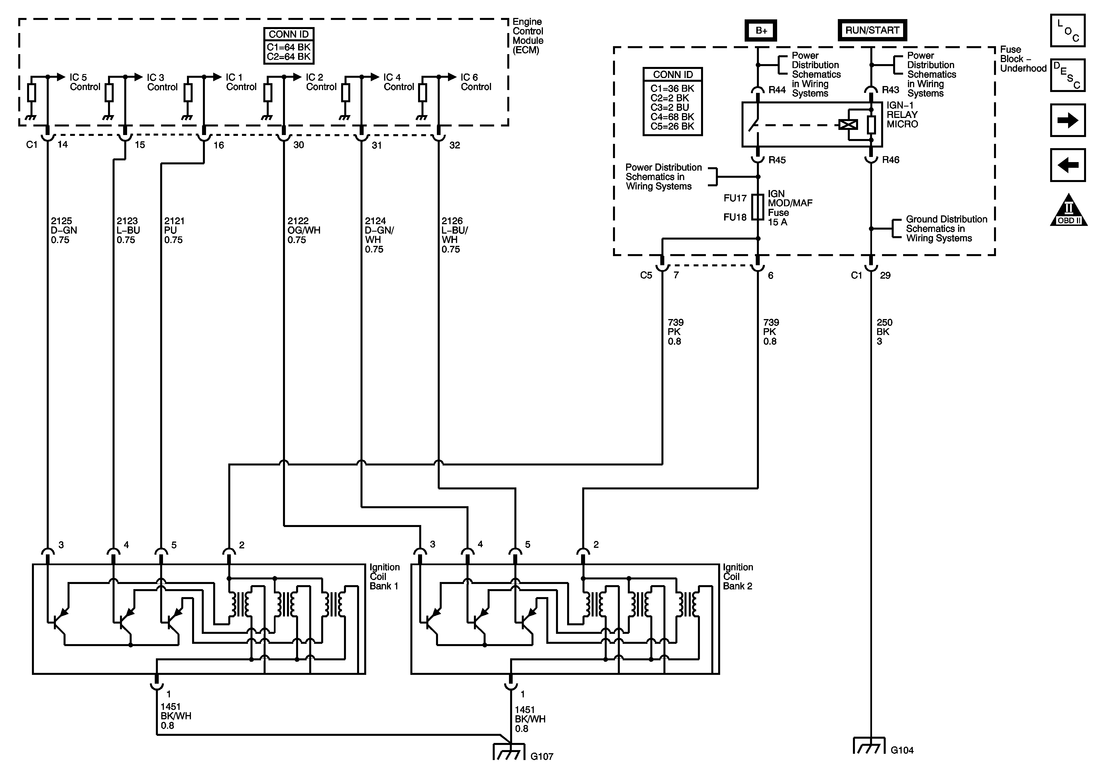
Figure 7:

Ignition Controls - Ignition Coils


Object Number: 1311074  Size: FS
Master Electrical Component List
Electronic Ignition (EI) System Description
Fuel Controls - Fuel Injectors and Fuel Pump/Sender Assembly
Ignition Controls - Knock, CKP and CMP Sensors
OBD II Symbol Description Notice
Underhood Fuse Block B+ Bus - 2 of 2
Ignition Switch - 2 of 2
Underhood Fuse Block WASH NOZ, STRG CTLS and IGN MOD/MAF Fuses
G104 - 1 of 2
G100 and G107 - 2.6L/3.2L (LY9/LA3)
G104 - 1 of 2
Figure 8:

Fuel Controls - Fuel Injectors and Fuel Pump and Sender Assembly


Object Number: 1311077  Size: FS
Master Electrical Component List
Fuel System Description
Fuel Controls - EVAP Controls, IMTV and IMRC Solenoids
Ignition Controls - Ignition Coils
OBD II Symbol Description Notice
Power, Ground, Serial Data, DIC and Indicator
Underhood Fuse Block ODD INJ/COIL Fuse
Right Rear Fuse Block B+ Bus
G401
Gages - 2.6L/3.2L/3.6L (LY9/LA3/LY7)
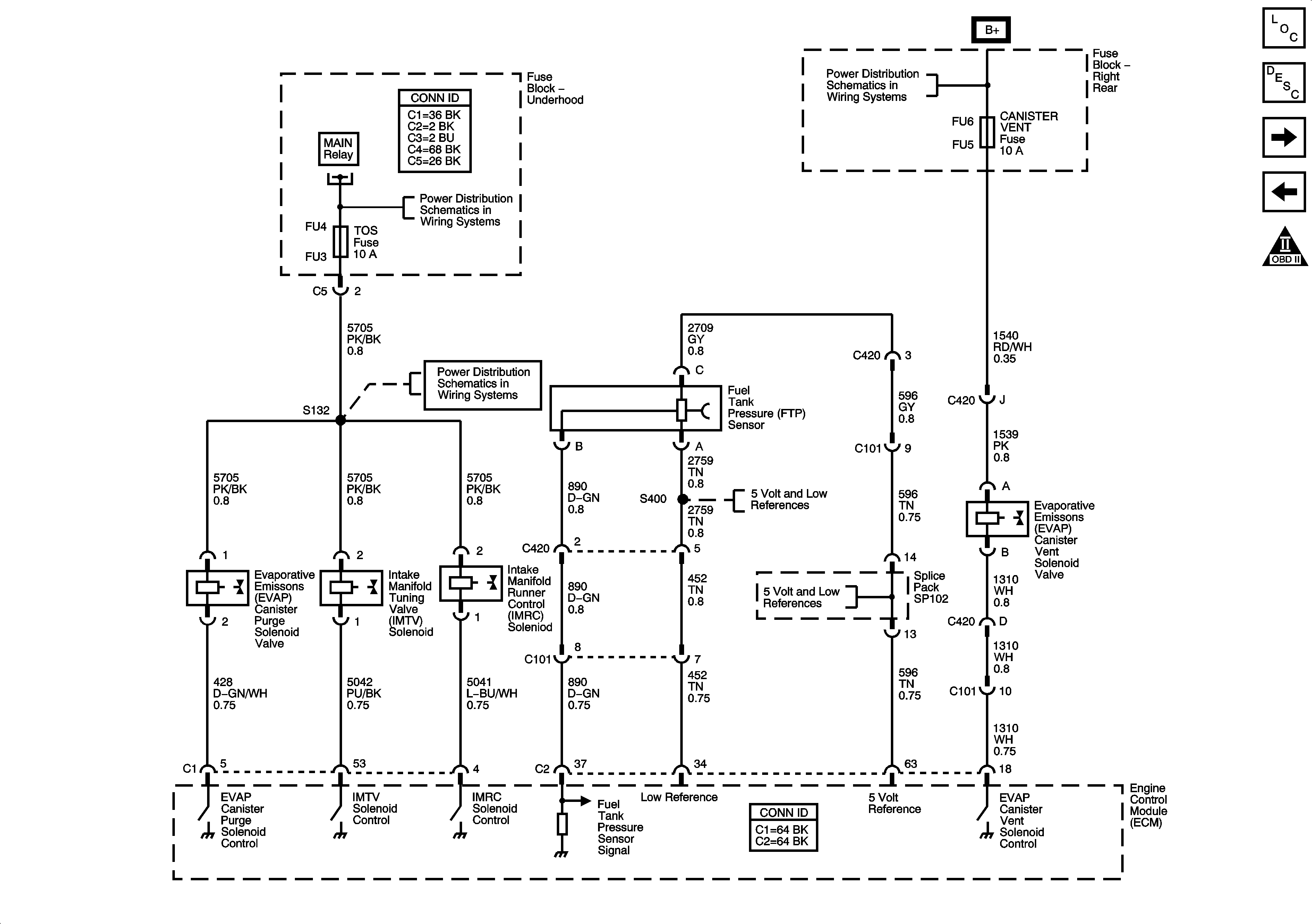
Figure 9:

Fuel Controls - EVAP Controls, IMTV and IMRC Solenoids


Object Number: 1311127  Size: FS
Master Electrical Component List
Evaporative Emission Control System Description
Controlled/Monitored Subsystem References
Fuel Controls - Fuel Injectors and Fuel Pump/Sender Assembly
OBD II Symbol Description Notice
Power, Ground, Serial Data, DIC and Indicator
Underhood Fuse Block MAIN Relay, Cooling Fan Fuses/Relays, ECM and TOS Fuses
Right Rear Fuse Block DR MOD PWR Circuit Breaker, CANISTER VENT, RIM/IGN SW, R FRT HTD SEAT MOD and POWER SOUNDER Fuses
Underhood Fuse Block MAIN Relay, Cooling Fan Fuses/Relays, ECM and TOS Fuses
Engine Data Sensors - 5 Volt and Low Reference Buses
Engine Data Sensors - 5 Volt and Low Reference Buses
Figure 10:

Controlled/Monitored Subsystem References


Object Number: 1311141  Size: FS
Master Electrical Component List
Engine Control Module Description
Fuel Controls - EVAP Controls, IMTV and IMRC Solenoids
OBD II Symbol Description Notice
Starting System - 2.6L/3.2L/3.6L (LY9/LA3/LY7)
BPP Sensor, Switches and Indicators - 2.6L/3.2L/3.6L (LY9/LA3/LY7)
Cooling Fans - Domestic and Japan - 2.6L/3.2L (LY9/LA3)
Power, Ground, Serial Data, TCM and Internal Mode Switch (IMS)
Manual Transmission (M35)
Gages - 2.6L/3.2L/3.6L (LY9/LA3/LY7)
A/C Compressor Controls - 2.6L/3.2L (LY9/LA3)
BPP Sensor, Switches and Indicators - 2.6L/3.2L/3.6L (LY9/LA3/LY7)
Cruise Control System - 2.6L/3.2L/3.6L (LY9/LA3/LY7)