GM Service Manual Online
For 1990-2009 cars only
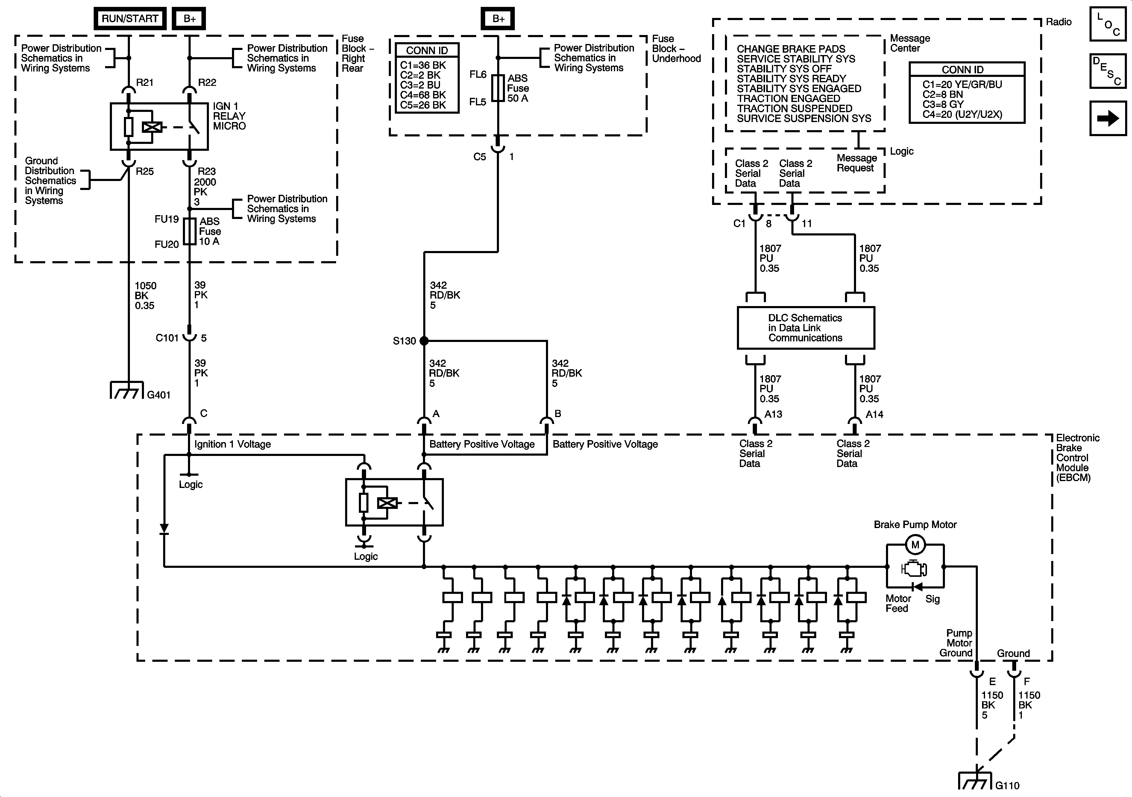
Figure 1:

Power, Ground, Serial Data and DIC


Object Number: 1310245  Size: FS
Master Electrical Component List
ABS Description and Operation
Vehicle Stability Enhancement System - JL4
Ignition Switch - 2 of 2
Right Rear Fuse Block IGN1 Relay, AIRBAG, RIM, ABS, PSGR DR MOD and TV/VICS Fuses
Underhood Fuse Block B+ Bus - 1 of 2
G401
Right Rear Fuse Block IGN1 Relay, AIRBAG, RIM, ABS, PSGR DR MOD and TV/VICS Fuses
G401
Class 2 Serial Data Bus - LHD - 1 of 2
G102, G105, G110, G303, G304 and G306
Figure 2:

Vehicle Stability Enhancement System (JL4)


Object Number: 1310247  Size: FS
Master Electrical Component List
ABS Description and Operation
BPP Sensor, Switches and Indicators - 2.6L/3.2L/3.6L (LY9/LA3/LY7)
Power, Ground, Serial Data and DIC
Figure 3:

BPP Sensor, Switches and Indicators - 2.6L/3.2L/3.6L (LY9/LA3/LY7)


Object Number: 1310248  Size: FS
Master Electrical Component List
ABS Description and Operation
BPP Sensor, Switches and Indicators - 5.7L (LS6)
Vehicle Stability Enhancement System - JL4
Class 2 Serial Data Bus - LHD - 2 of 2
Left Rear Fuse Block B+ Bus
Class 2 Serial Data Bus - LHD - 1 of 2
G201
G200
G402 - 2 of 2
Stop Lamps, BPP Sensor and BAS Fuse/Relay (Domestic and Export)
Power, Ground, Serial Data, TCM and Internal Mode Switch (IMS)
Figure 4:

BPP Sensor, Switches and Indicators - 5.7L (LS6)


Object Number: 1346962  Size: FS
Master Electrical Component List
ABS Description and Operation
Wheel Speed Sensors and Variable Effort Steering Actuator
BPP Sensor, Switches and Indicators - 2.6L/3.2L/3.6L (LY9/LA3/LY7)
Class 2 Serial Data Bus - LHD - 1 of 2
Left Rear Fuse Block B+ Bus
Stop Lamps, BPP Sensor and BAS Fuse/Relay (Domestic and Export)
G200
G402 - 2 of 2
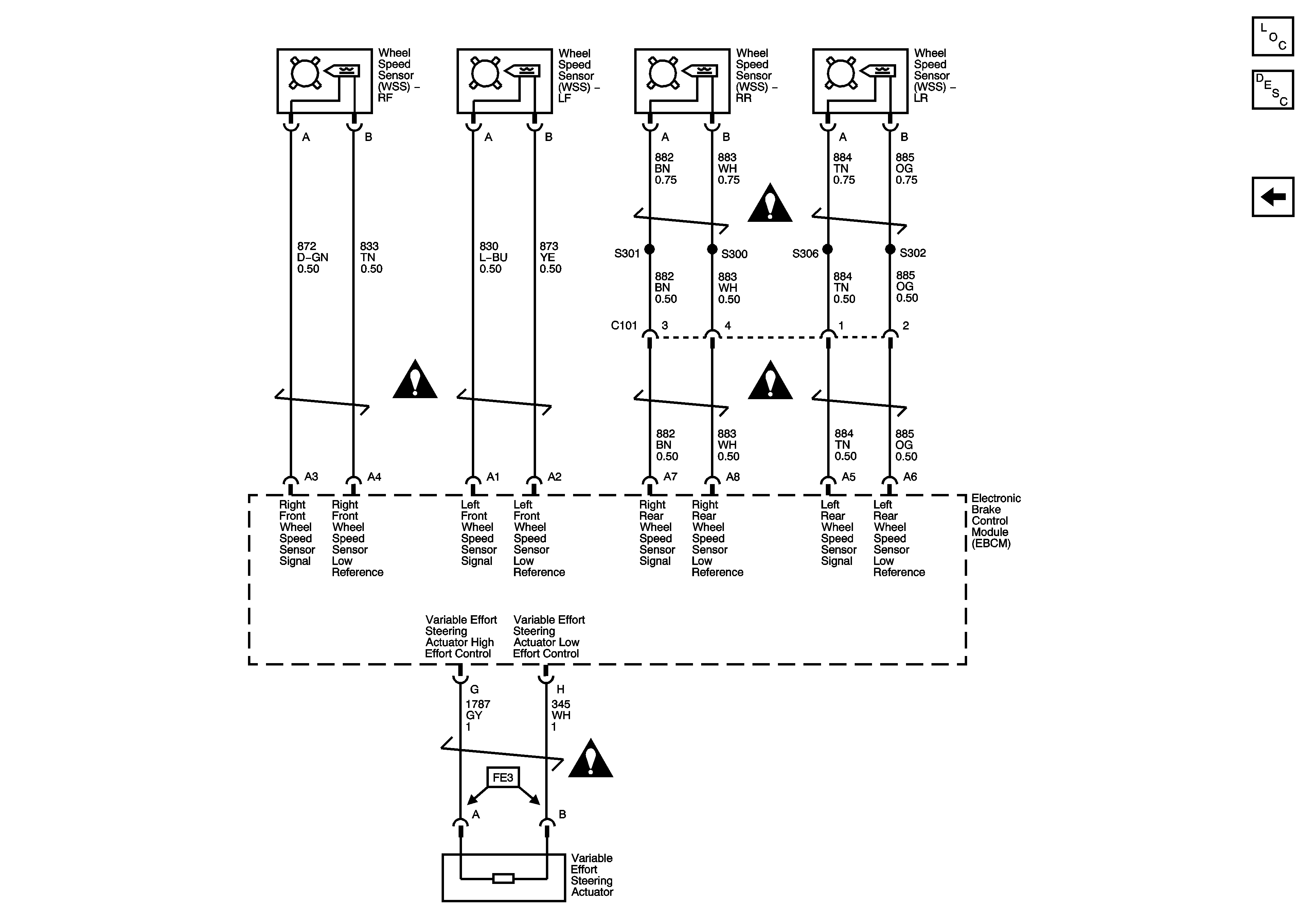
Figure 5:

Wheel Speed Sensors and Variable Effort Steering Actuator


Object Number: 1310251  Size: FS
Master Electrical Component List
ABS Description and Operation
BPP Sensor, Switches and Indicators - 5.7L (LS6)
Antilock Brake System Schematic Icons
Antilock Brake System Schematic Icons
Antilock Brake System Schematic Icons
Antilock Brake System Schematic Icons