GM Service Manual Online
For 1990-2009 cars only
Makes
🢒
Cadillac
🢒
2004
🢒
CTS
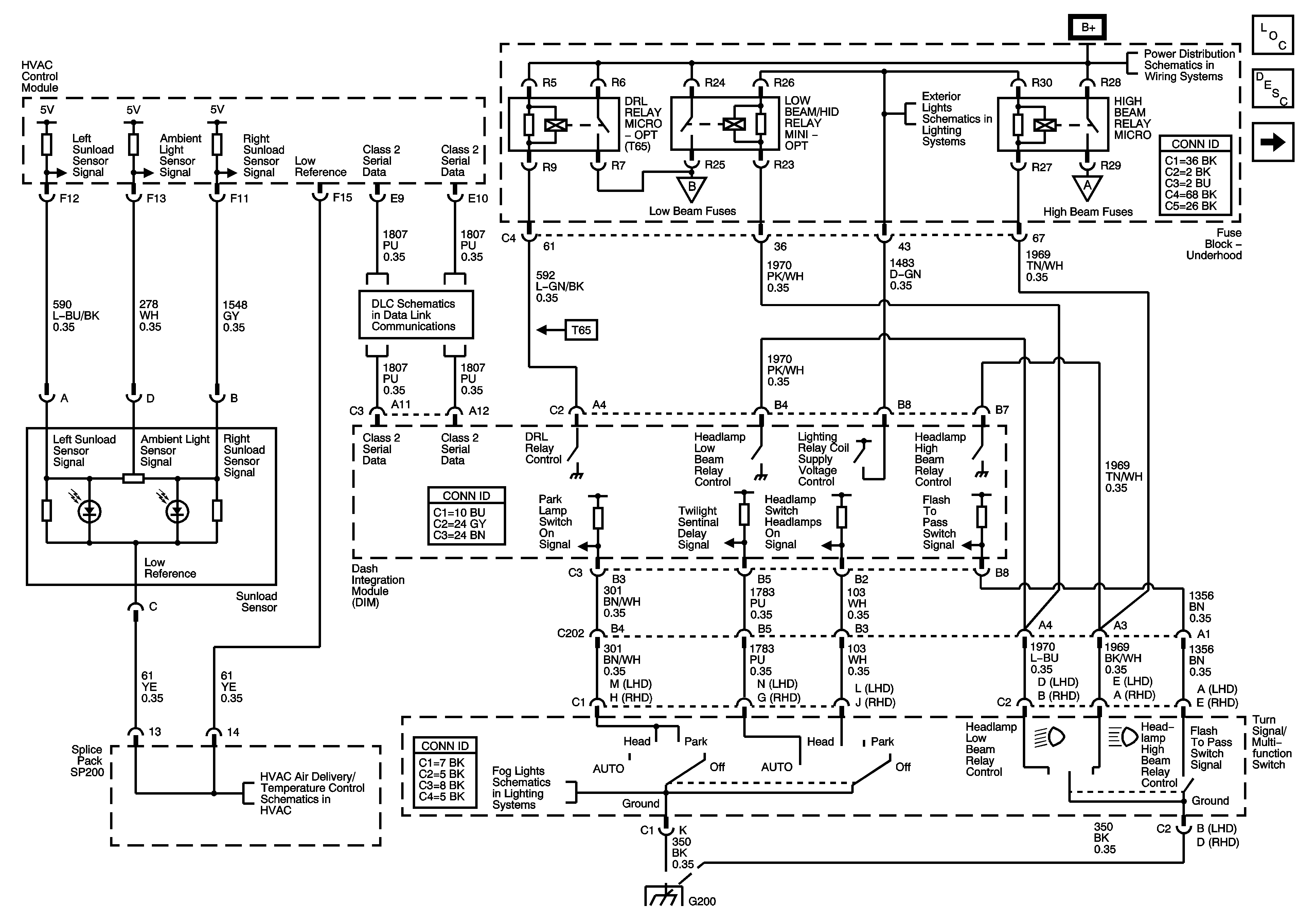
🢒 Headlamp Controls
Headlamp Controls
Headlamp Controls
Master Electrical Component List
Exterior Lighting Systems Description and Operation
Headlamps
Class 2 Serial Data Bus - LHD - 2 of 2
Headlamps
Front Marker Lamps (W/TT7) and Front Park Lamps (w/o TT7)
Headlamps
Underhood Fuse Block B+ Bus - 1 of 2
Ambient Air Temperature Sensor, Sunload Sensor, Coolant Level Switch and DIC
Fog Lamps - Front
G200