GM Service Manual Online
For 1990-2009 cars only
Makes
🢒
Cadillac
🢒
2004
🢒
CTS
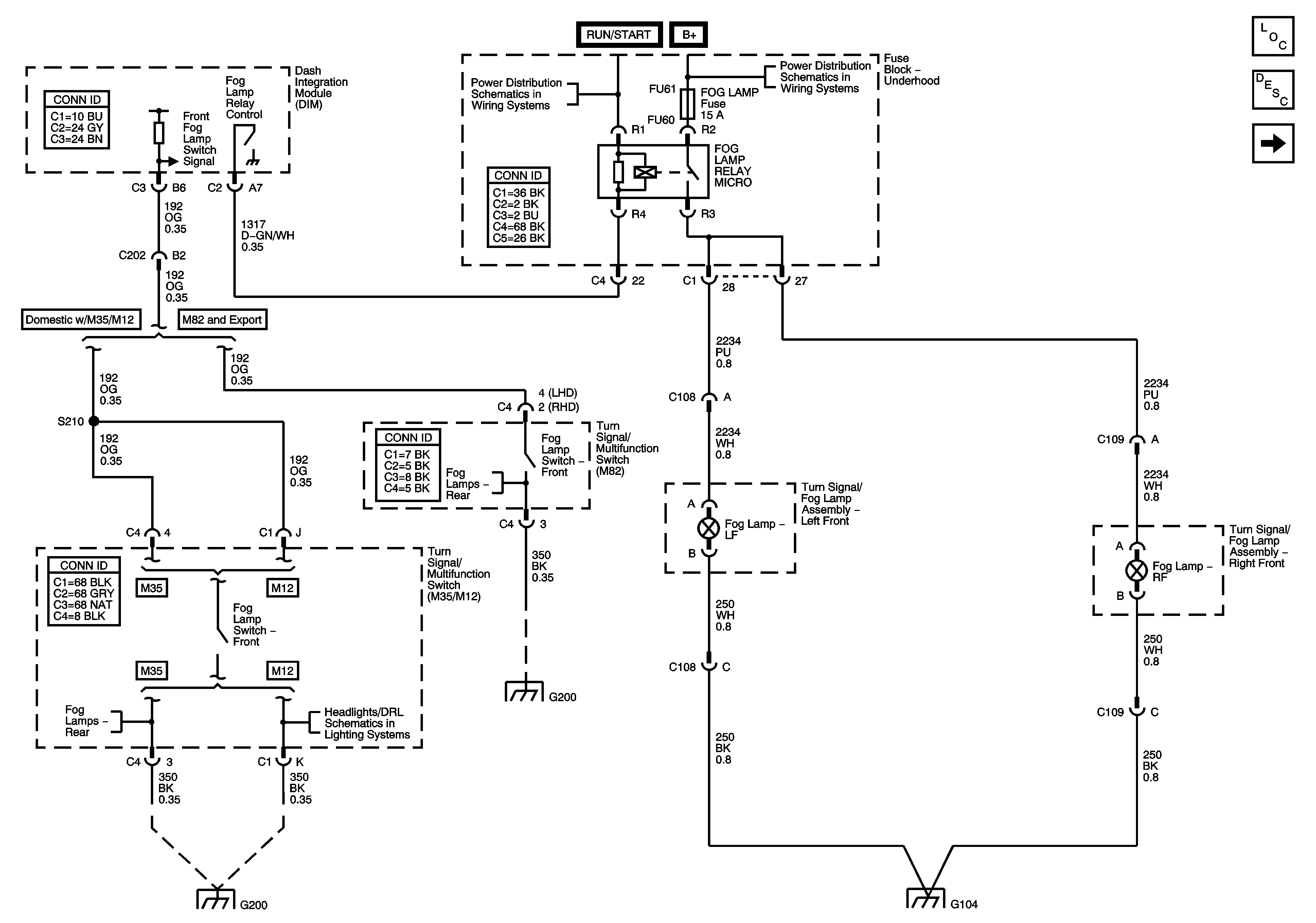
🢒 Fog Lamps - Front
Fog Lamps - Front
Fog Lamps-Front
Master Electrical Component List
Exterior Lighting Systems Description and Operation
Fog Lamps - Rear (Export w/T79)
Ignition Switch - 2 of 2
Underhood Fuse Block B+ Bus - 1 of 2
Fog Lamps - Rear (Export w/T79)
Fog Lamps - Rear (Export w/T79)
Headlamp Controls
G200
G200
G104 - 1 of 2