GM Service Manual Online
For 1990-2009 cars only
Makes
🢒
Cadillac
🢒
2004
🢒
CTS
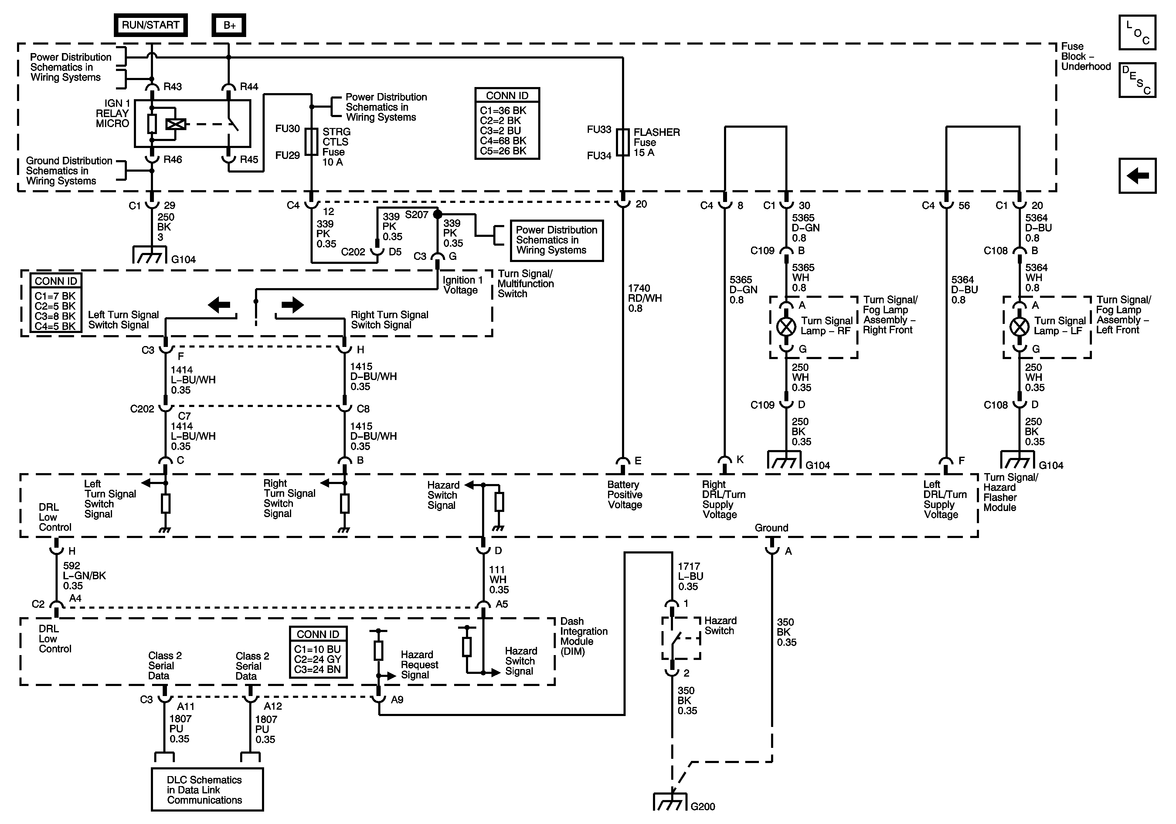
🢒 Daytime Running Lamps (DRL) (Domestic )
Daytime Running Lamps (DRL) (Domestic )
Daytime Running Lamps (DRL) -- Domestic
Master Electrical Component List
Exterior Lighting Systems Description and Operation
Daytime Running Lamps (DRL) (Export W/T65)
Underhood Fuse Block B+ Bus - 2 of 2
G104 - 1 of 2
G104 - 1 of 2
Underhood Fuse Block WASH NOZ, STRG CTLS and IGN MOD/MAF Fuses
Underhood Fuse Block WASH NOZ, STRG CTLS and IGN MOD/MAF Fuses
G104 - 1 of 2
G104 - 1 of 2
Class 2 Serial Data Bus - LHD - 2 of 2
G200