GM Service Manual Online
For 1990-2009 cars only
Makes
🢒
Cadillac
🢒
2004
🢒
CTS
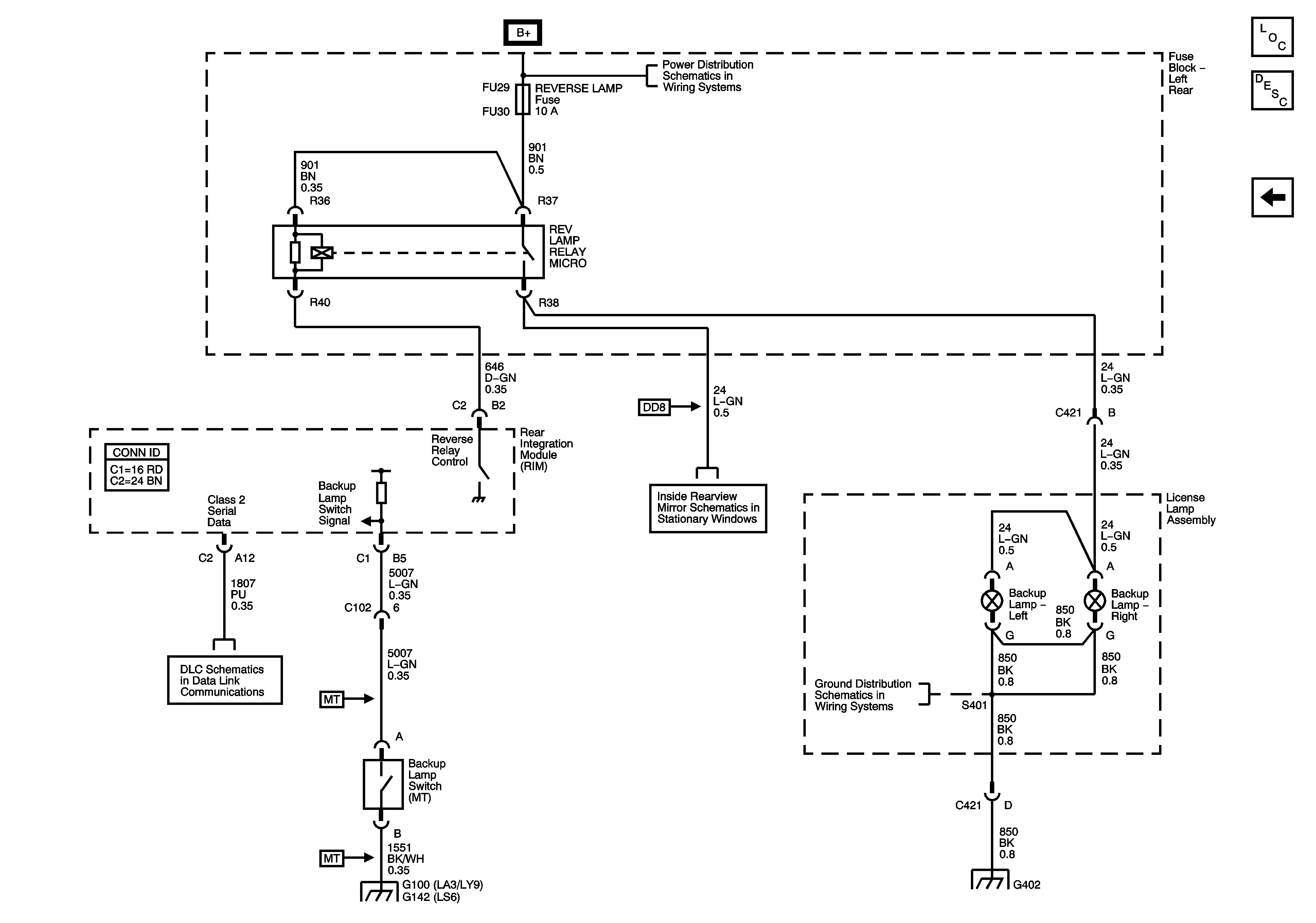
🢒 Backup Lamps (Domestic and Export)
Backup Lamps (Domestic and Export)
Backup Lamps
Master Electrical Component List
Exterior Lighting Systems Description and Operation
Stop Lamps, BPP Sensor and BAS Fuse/Relay (Domestic and Export)
Left Rear Fuse Block B+ Bus
Class 2 Serial Data Bus - LHD - 2 of 2
G100 and G107 - 2.6L/3.2L (LY9/LA3)
Inside Rearview Mirror (ISRVM) (UE1)
G402 - 2 of 2
G402 - 2 of 2