GM Service Manual Online
For 1990-2009 cars only
Makes
🢒
Cadillac
🢒
2004
🢒
CTS
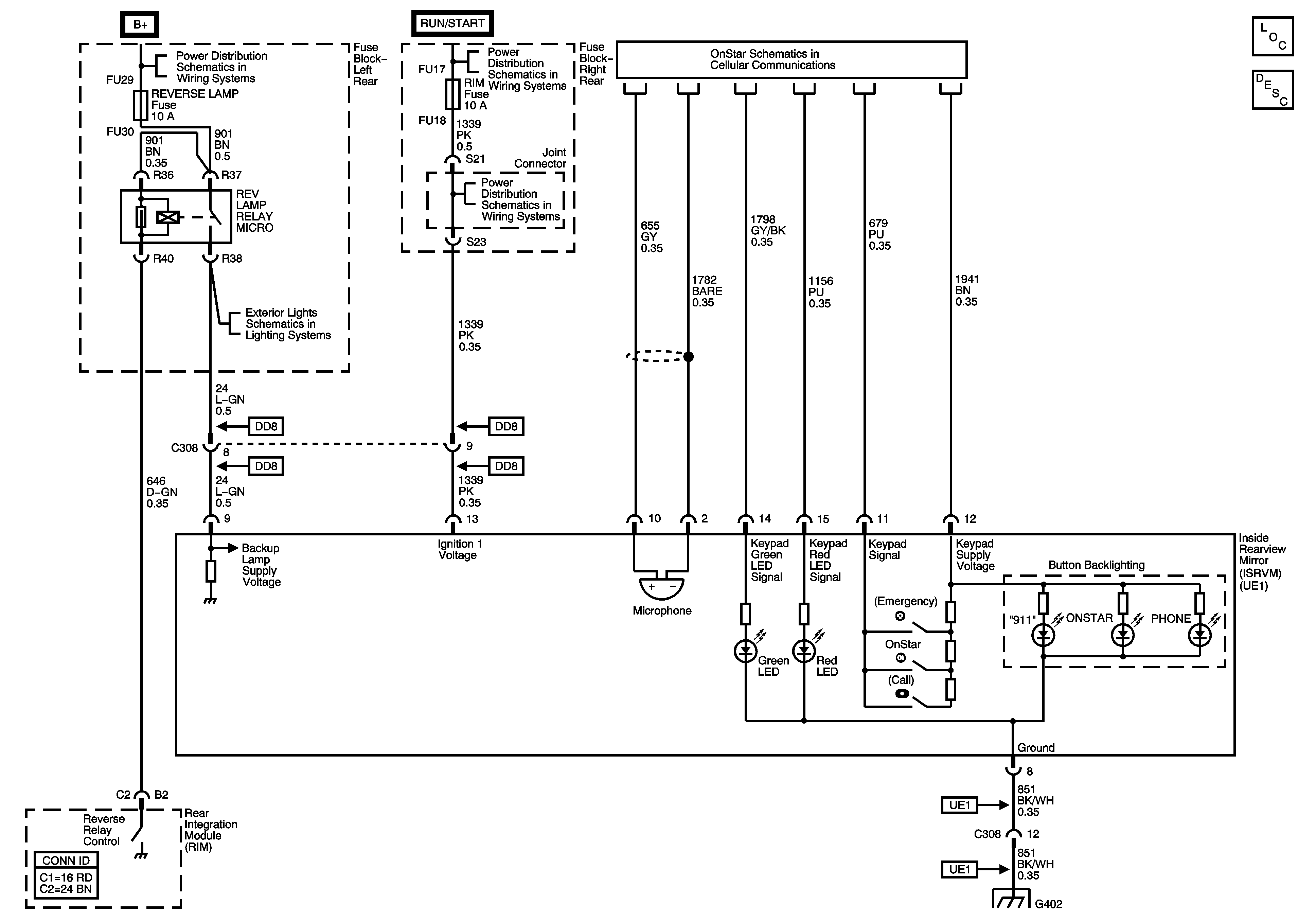
🢒 Inside Rearview Mirror (ISRVM) (UE1)
Inside Rearview Mirror (ISRVM) (UE1)
Master Electrical Component List
Automatic Day-Night Mirror Description and Operation
Left Rear Fuse Block B+ Bus
Right Rear Fuse Block B+ Bus
On Star (EU1)
Right Rear Fuse Block IGN1 Relay, AIRBAG, RIM, ABS, PSGR DR MOD and TV/VICS Fuses
Backup Lamps (Domestic and Export)
G104 - 1 of 2