GM Service Manual Online
For 1990-2009 cars only
Makes
🢒
Cadillac
🢒
2004
🢒
CTS
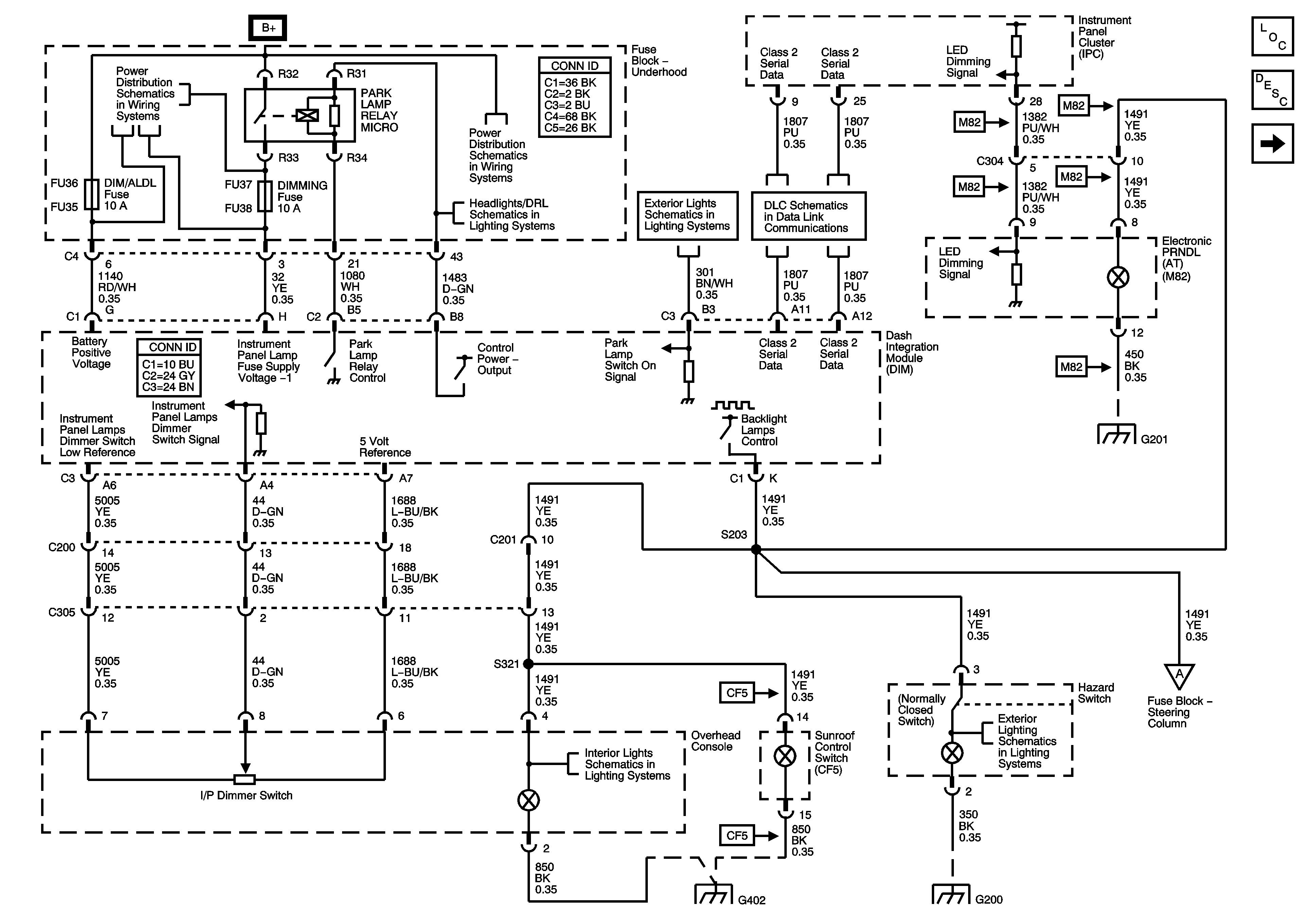
🢒 Power, Ground, and Serial Data - 1 of 2
Power, Ground, and Serial Data - 1 of 2
Power, Ground and Serial Data (1 of 2)
Master Electrical Component List
Interior Lighting Systems Description and Operation
Power, Ground, and Serial Data - 2 of 2
Underhood Fuse Block PARK LAMP Relay/Fuses and DIMMING Fuse
Underhood Fuse Block B+ Bus - 1 of 2
Front Marker Lamps (W/TT7) and Front Park Lamps (w/o TT7)
Front Marker Lamps (W/TT7) and Front Park Lamps (w/o TT7)
Class 2 Serial Data Bus - LHD - 2 of 2
G201
Overhead Courtesy Lamp, Dome Lamp, and Vanity Lamps
Turn Signal/Hazard Flasher Module (Domestic and Export)
Steering Wheel Controls Dimming
G104 - 1 of 2
G200