GM Service Manual Online
For 1990-2009 cars only
Makes
🢒
Cadillac
🢒
2004
🢒
CTS
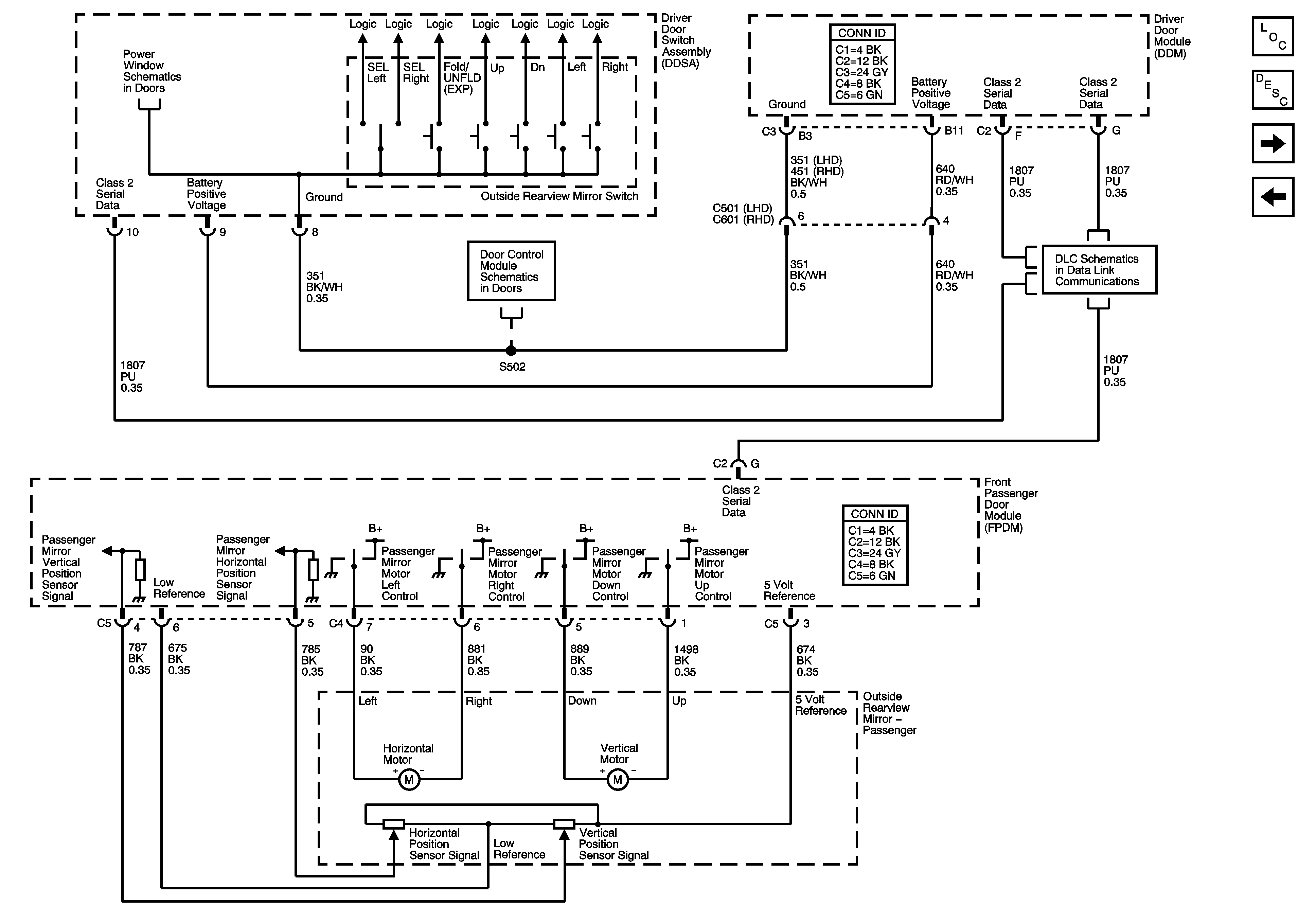
🢒 Passenger Outside Rearview Mirror (A45)
Passenger Outside Rearview Mirror (A45)
Passenger Outside Rearview Mirror (A45)
Master Electrical Component List
Outside Mirror Description and Operation
Heated Outside Rearview Mirrors
Driver Outside Rearview Mirror (A45)
Front Power Window Switches and Motors
Driver Door Module (DDM) Power, Ground, and Serial Data
Class 2 Serial Data Bus - LHD - 1 of 2