GM Service Manual Online
For 1990-2009 cars only
Makes
🢒
Cadillac
🢒
2004
🢒
CTS
🢒 Heated Outside Rearview Mirrors
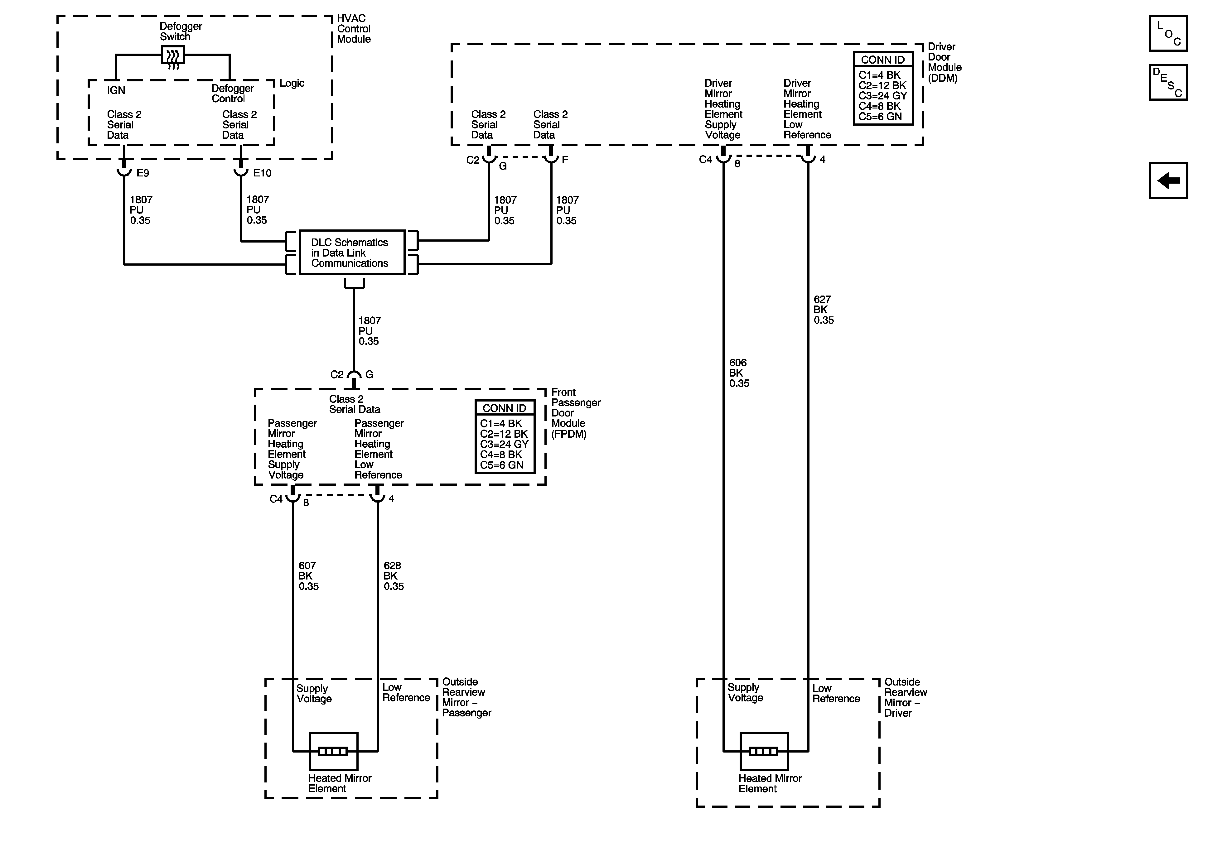
Heated Outside Rearview Mirrors
Heated Outside Rearview Mirrors
Master Electrical Component List
Outside Mirror Description and Operation
Passenger Outside Rearview Mirror (A45)
Class 2 Serial Data Bus - LHD - 2 of 2