GM Service Manual Online
For 1990-2009 cars only
Makes
🢒
Cadillac
🢒
2004
🢒
CTS
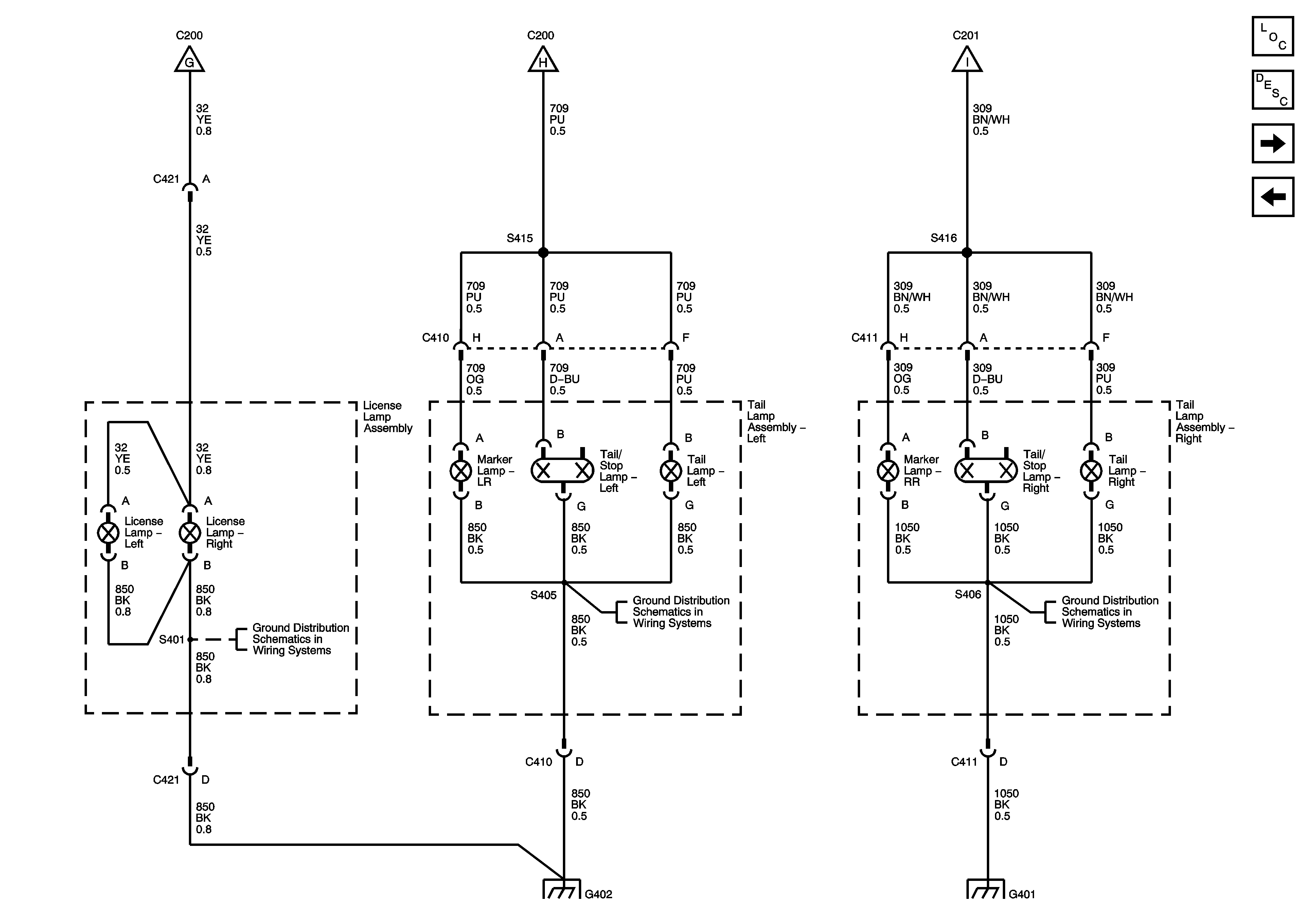
🢒 License Lamps - Domestic and Export, Rear Marker Lamps - Domestic. and Tail Lamps - Domestic
License Lamps - Domestic and Export, Rear Marker Lamps - Domestic. and Tail Lamps - Domestic
License Lamps (Domestic and Export, Rear Marker Lamps (Domestic) and Tail Lamps (Domestic)
Master Electrical Component List
Exterior Lighting Systems Description and Operation
Position Lamp Controls (Export w/T79)
Front Marker Lamps (W/TT7) and Front Park Lamps (w/o TT7)
Front Marker Lamps (W/TT7) and Front Park Lamps (w/o TT7)
Front Marker Lamps (W/TT7) and Front Park Lamps (w/o TT7)
Front Marker Lamps (W/TT7) and Front Park Lamps (w/o TT7)
G402 - 2 of 2
G402 - 2 of 2
G401
G402 - 2 of 2
G401