GM Service Manual Online
For 1990-2009 cars only
Makes
🢒
Cadillac
🢒
2004
🢒
CTS
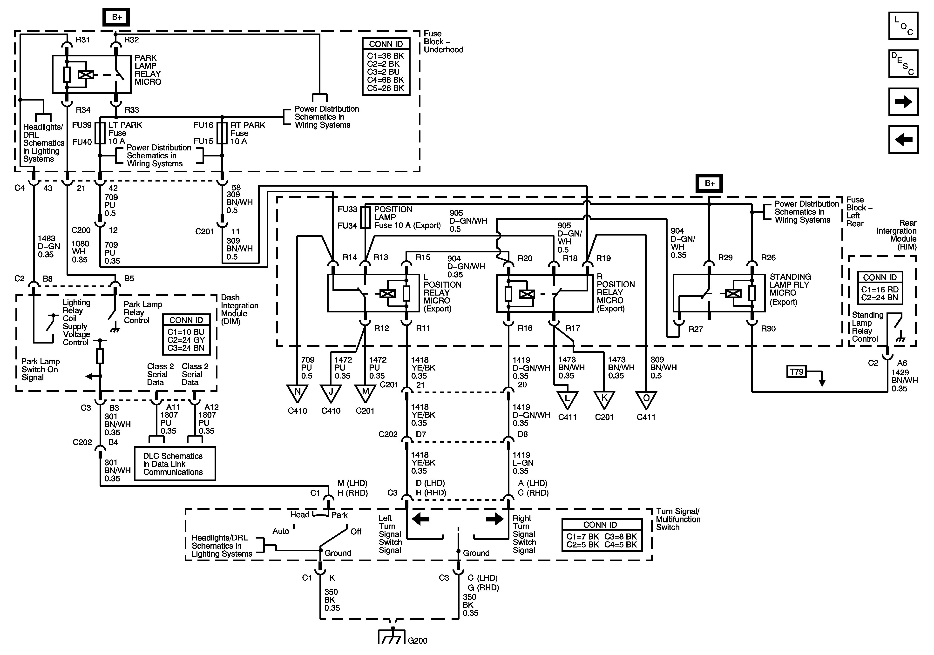
🢒 Position Lamp Controls (Export w/T79)
Position Lamp Controls (Export w/T79)
Position Lamp Controls (Export w/T79)
Master Electrical Component List
Exterior Lighting Systems Description and Operation
Position Lamps, Park Lamps and Tail Lamps (Export w/T79)
License Lamps - Domestic and Export, Rear Marker Lamps - Domestic. and Tail Lamps - Domestic
Headlamp Controls
Underhood Fuse Block PARK LAMP Relay/Fuses and DIMMING Fuse
Underhood Fuse Block PARK LAMP Relay/Fuses and DIMMING Fuse
Left Rear Fuse Block B+ Bus
Position Lamps, Park Lamps and Tail Lamps (Export w/T79)
Position Lamps, Park Lamps and Tail Lamps (Export w/T79)
Position Lamps, Park Lamps and Tail Lamps (Export w/T79)
Position Lamps, Park Lamps and Tail Lamps (Export w/T79)
Position Lamps, Park Lamps and Tail Lamps (Export w/T79)
Position Lamps, Park Lamps and Tail Lamps (Export w/T79)
Class 2 Serial Data Bus - LHD - 2 of 2
Headlamp Controls
G200