GM Service Manual Online
For 1990-2009 cars only
Makes
🢒
Cadillac
🢒
2004
🢒
CTS
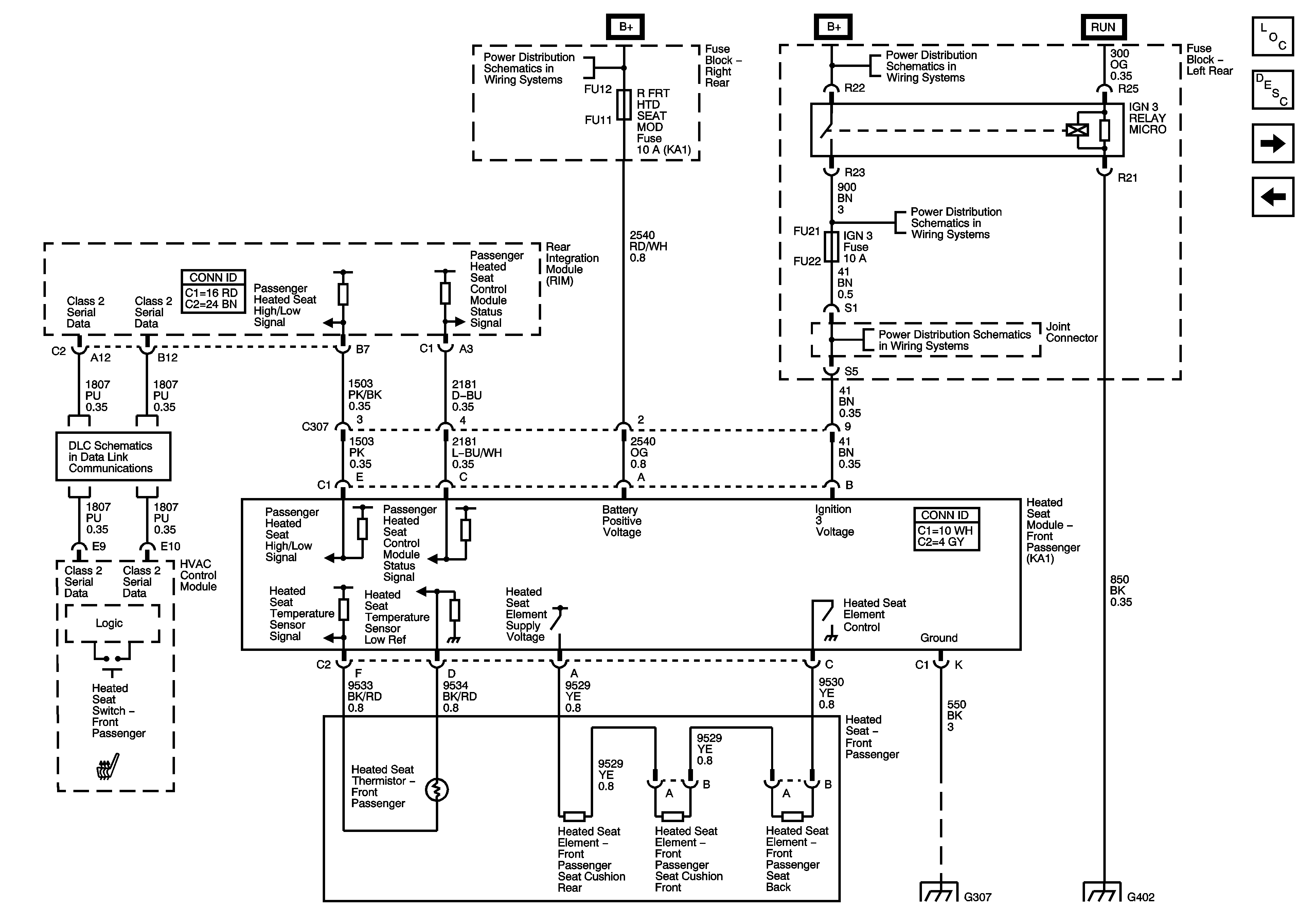
🢒 Heated Seat - Passenger (KA1)
Heated Seat - Passenger (KA1)
Heated Seat - Passenger (KA1)
Master Electrical Component List
Heated Seats Description and Operation
Power Lumbar - Passenger (AL2)
Power Seat - Passenger (A45)
Right Rear Fuse Block B+ Bus
Left Rear Fuse Block B+ Bus
Left Rear Fuse Block IGN 3 Relay, L FRT HTD SEAT MOD, MEM/ADAPT SEAT, CCP, and HDLP LEVELING and IGN 3 Fuses
Left Rear Fuse Block IGN 3 Relay, L FRT HTD SEAT MOD, MEM/ADAPT SEAT, CCP, and HDLP LEVELING and IGN 3 Fuses
Class 2 Serial Data Bus - LHD - 2 of 2
G307
G402 - 2 of 2