GM Service Manual Online
For 1990-2009 cars only
Makes
🢒
Cadillac
🢒
2005
🢒
CTS
🢒
Vehicle Control Systems
🢒
Vehicle DTC Information
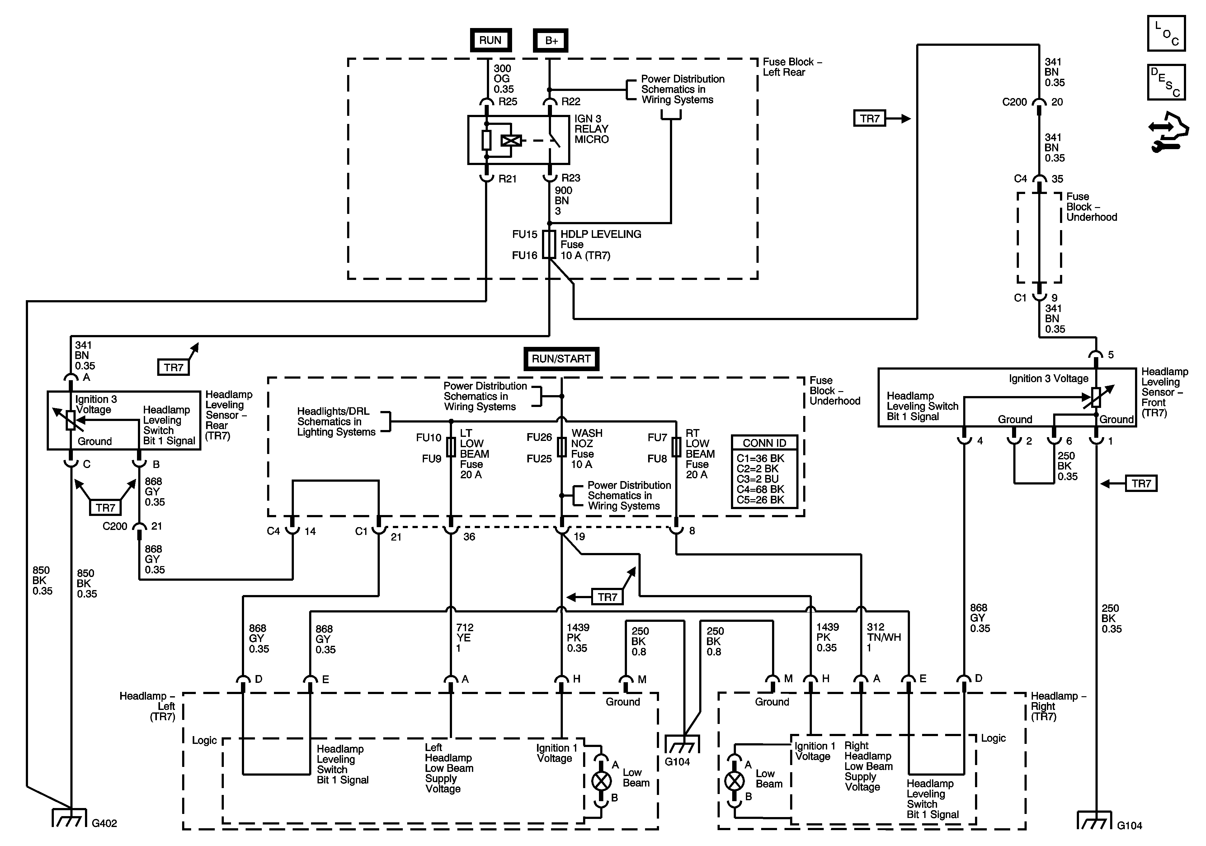
🢒 Headlight Leveling Schematics
Headlamp Leveling (Export w/TR7)
Master Electrical Component List
Exterior Lighting Systems Description and Operation
Control Module References
Left Rear Fuse Block, IGN3 Relay, L FRT HTD SEAT MOD, MEM/ADAPT SEAT, CCP, HDLP LEVELING and IGN3 Fuses
Headlamps
Underhood Fuse Block WASH NOZ, STRG CTLS and IGN MOD/MAF Fuses
Underhood Fuse Block WASH NOZ, STRG CTLS and IGN MOD/MAF Fuses
G402 - 2 of 2
G104 - 2 of 2
G104 - 2 of 2