GM Service Manual Online
For 1990-2009 cars only
Makes
🢒
Cadillac
🢒
2005
🢒
CTS
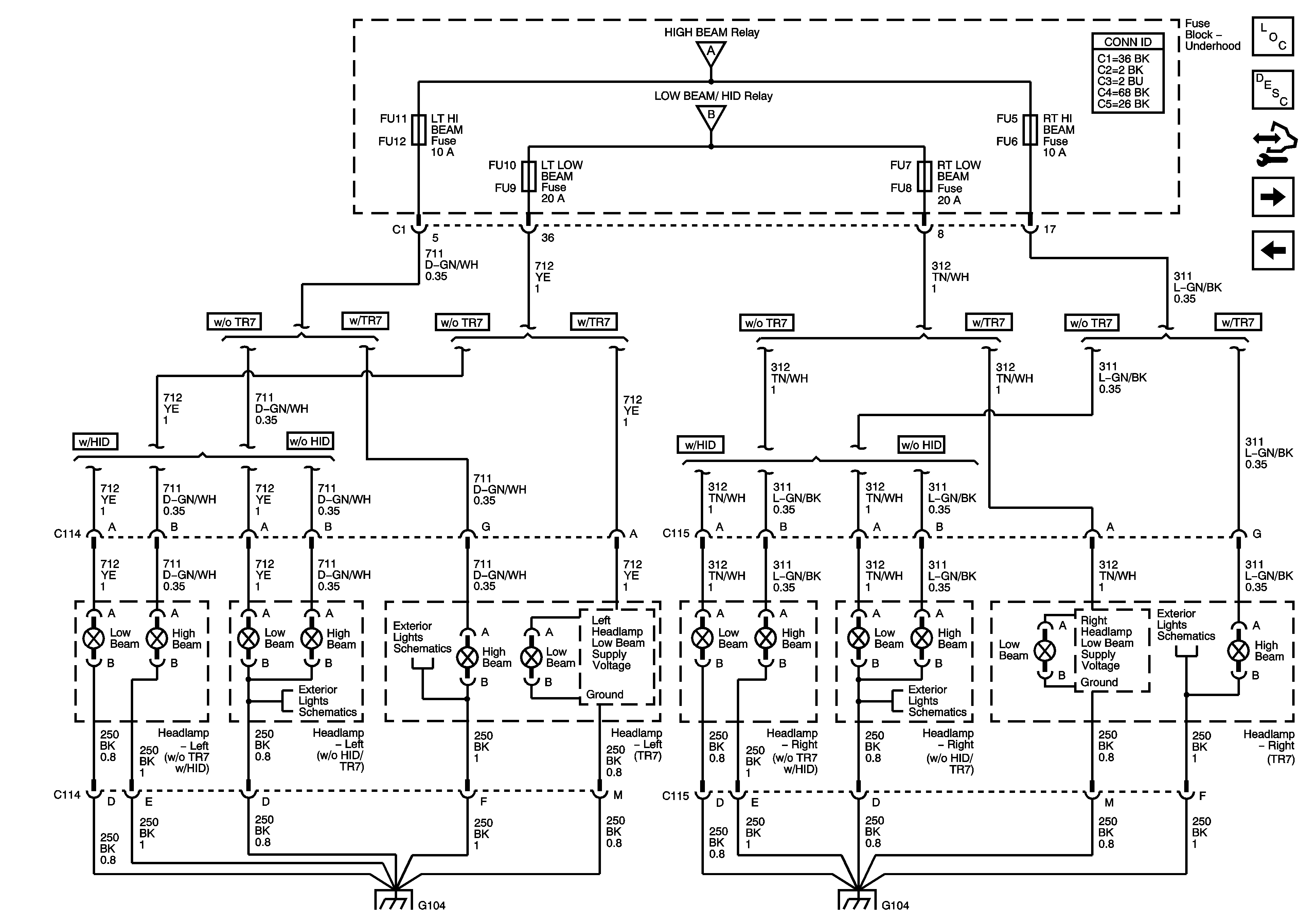
🢒 Headlamps
Headlamps
Headlamps
Master Electrical Component List
Exterior Lighting Systems Description and Operation
Control Module References
Daytime Running Lamp (DRL) - Export (T65)
Headlamp Controls
Headlamp Controls
Headlamp Controls
Turn Signal Lamps - Domestic and Export, Repeater Lamps - Export (T90
Position, Park and Tail Lamps - Export
Turn Signal Lamps - Domestic and Export, Repeater Lamps - Export (T90
Position, Park and Tail Lamps - Export
G104 - 2 of 2
G104 - 2 of 2