GM Service Manual Online
For 1990-2009 cars only
Makes
🢒
Cadillac
🢒
2005
🢒
CTS
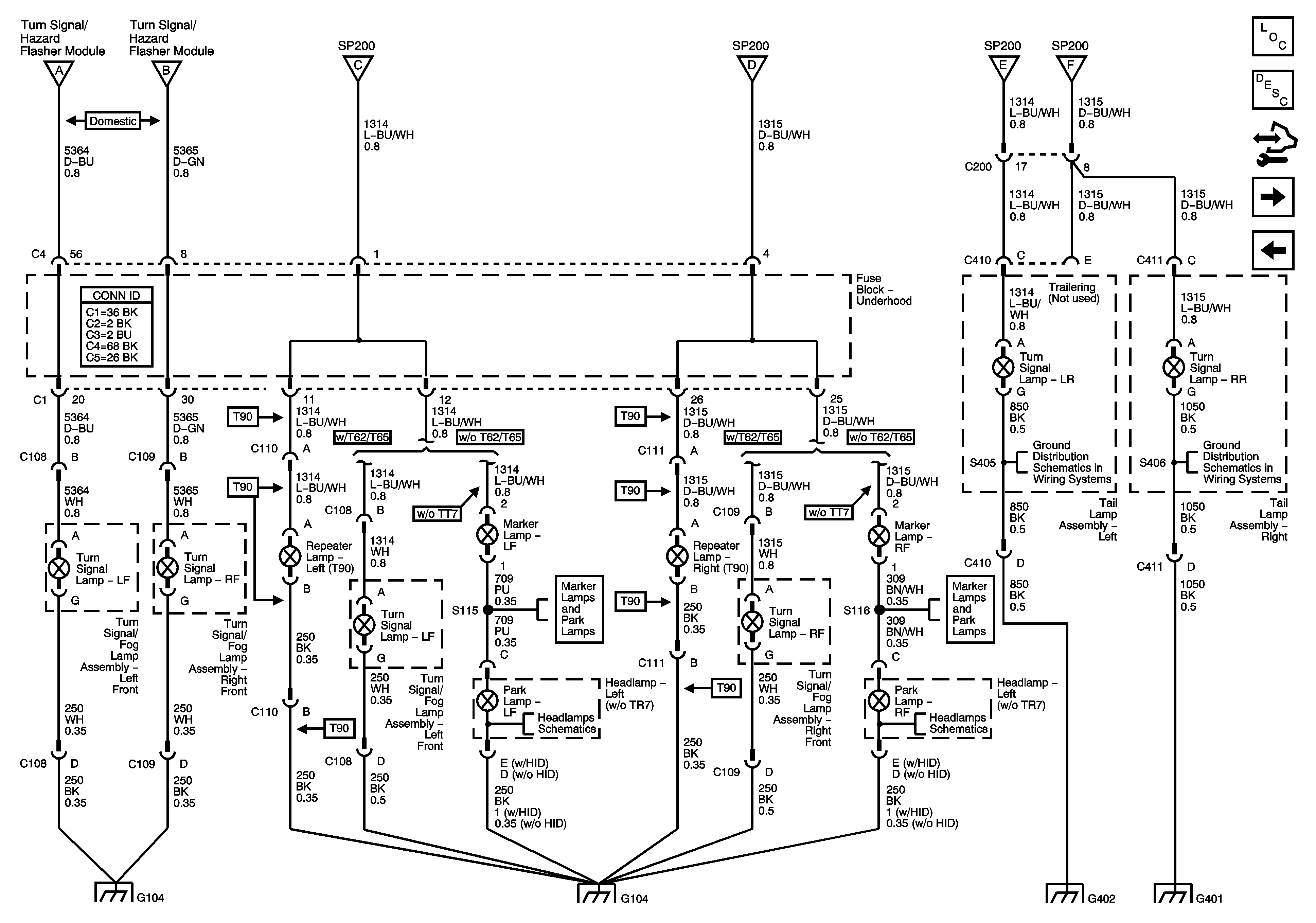
🢒 Turn Signal Lamps - Domestic and Export, Repeater Lamps - Export (T90
Turn Signal Lamps - Domestic and Export, Repeater Lamps - Export (T90
Turn Signal Lamps (Domestic and Export) and Repeater Lamps (Export w/T90)
Master Electrical Component List
Exterior Lighting Systems Description and Operation
Control Module References
Front Marker Lamps (w/TT7) and Front Park Lamps (w/o TT7)
Turn Signal/Hazard Flasher Module
Turn Signal/Hazard Flasher Module
Turn Signal/Hazard Flasher Module
Turn Signal/Hazard Flasher Module
Turn Signal/Hazard Flasher Module
Turn Signal/Hazard Flasher Module
Turn Signal/Hazard Flasher Module
G402 - 2 of 2
G402 - 2 of 2
Front Marker Lamps (w/TT7) and Front Park Lamps (w/o TT7)
Front Marker Lamps (w/TT7) and Front Park Lamps (w/o TT7)
Headlamps
Headlamps
G104 - 1 of 2
G104 - 1 of 2
G402 - 2 of 2
G401