GM Service Manual Online
For 1990-2009 cars only
Figure 1:

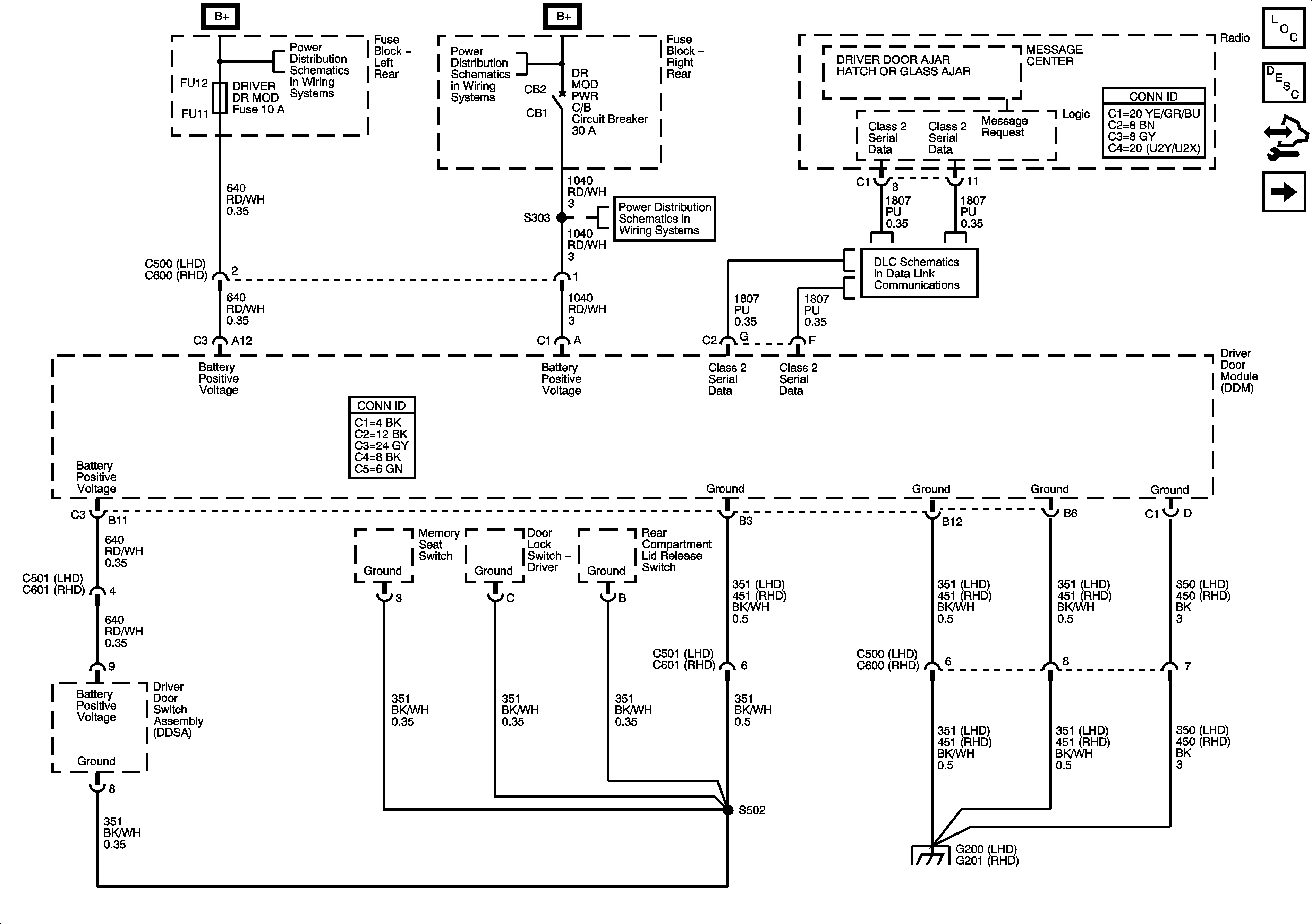
Driver Door Module (DDM) Power, Ground and Serial Data


Object Number: 1471143  Size: FS
Master Electrical Component List
Power Door Locks Description and Operation
Control Module References
DDM Controlled/Monitored Subsystem References - 1 of 2
Left Rear Fuse Block B+ Bus
Right Rear Fuse Block B+ Bus
Right Rear Fuse Block DR MOD PWR Circuit Breaker, CANISTER VENT, RIM/IGN SW, R FRT HTD SEAT MOD, and POWER SOUNDER Fuses
Class 2 Serial Data Bus - LHD - 2 of 2
G200
Figure 2:

Driver Door Module (DDM) Controlled/Monitored Subsystem References - 1 of 2


Object Number: 1471146  Size: FS
Master Electrical Component List
Power Door Locks Description and Operation
Control Module References
DDM Controlled/Monitored Subsystem References - 2 of 2
Driver Door Module (DDM) Power, Ground and Serial Data
Driver Outside Mirror (A45)
Front Power Window Switches and Motor
Power, Ground and Serial Data - 2 of 2
Figure 3:

Driver Door Module (DDM) Controlled/Monitored Subsystem References - 2 of 2


Object Number: 1471149  Size: FS
Master Electrical Component List
Power Door Locks Description and Operation
Control Module References
Front Passenger Door Module (FPDM) Power, Ground and Serial Data
DDM Controlled/Monitored Subsystem References - 1 of 2
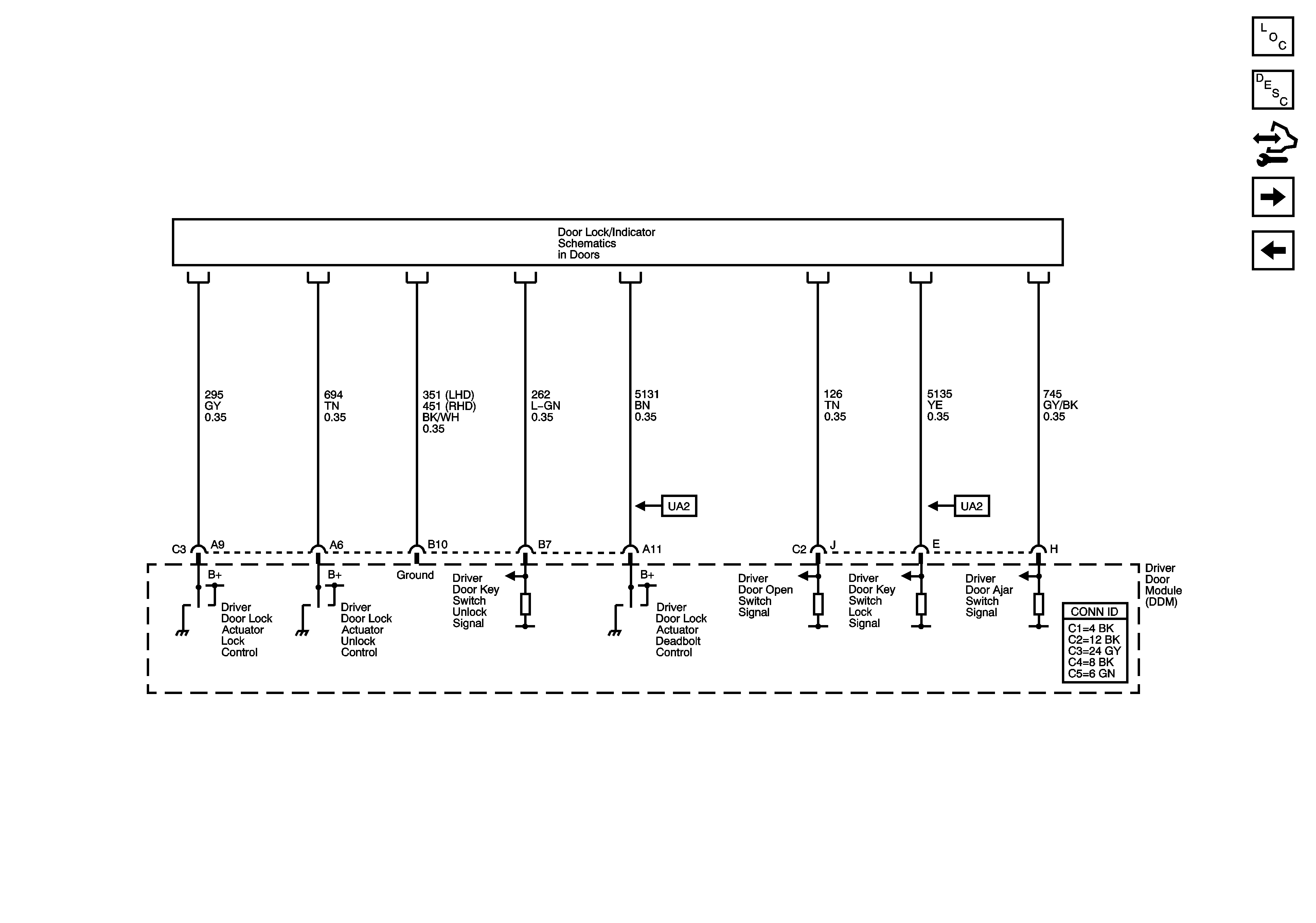
Driver Door Module (DDM), Driver Door Switch Assembly (DDSA), Door Lock Switch and Latch Assembly
Figure 4:

Front Passenger Door Module (FPDM) Power, Ground and Serial Data


Object Number: 1471151  Size: FS
Master Electrical Component List
Power Door Locks Description and Operation
Control Module References
FPDM Controlled/Monitored Subsystem References - 1 of 2
DDM Controlled/Monitored Subsystem References - 2 of 2
Right Rear Fuse Block B+ Bus
Right Rear Fuse Block DR MOD PWR Circuit Breaker, CANISTER VENT, RIM/IGN SW, R FRT HTD SEAT MOD, and POWER SOUNDER Fuses
Class 2 Serial Data Bus - LHD - 2 of 2
G201
Figure 5:

Front Passenger Door Module (FPDM) Controlled/Monitored Subsystem References - 1 of 2


Object Number: 1471152  Size: FS
Master Electrical Component List
Power Door Locks Description and Operation
Control Module References
FPDM Controlled/Monitored Subsystem References - 2 of 2
Front Passenger Door Module (FPDM) Power, Ground and Serial Data
Front Power Window Switches and Motor
Front Passenger door Module (FPDM), Door Lock Switch and Latch Assembly
Power, Ground and Serial Data - 2 of 2
Figure 6:

Front Passenger Door Module (FPDM) Controlled/Monitored Subsystem References - 2 of 2


Object Number: 1471157  Size: FS
Master Electrical Component List
Power Door Locks Description and Operation
Control Module References
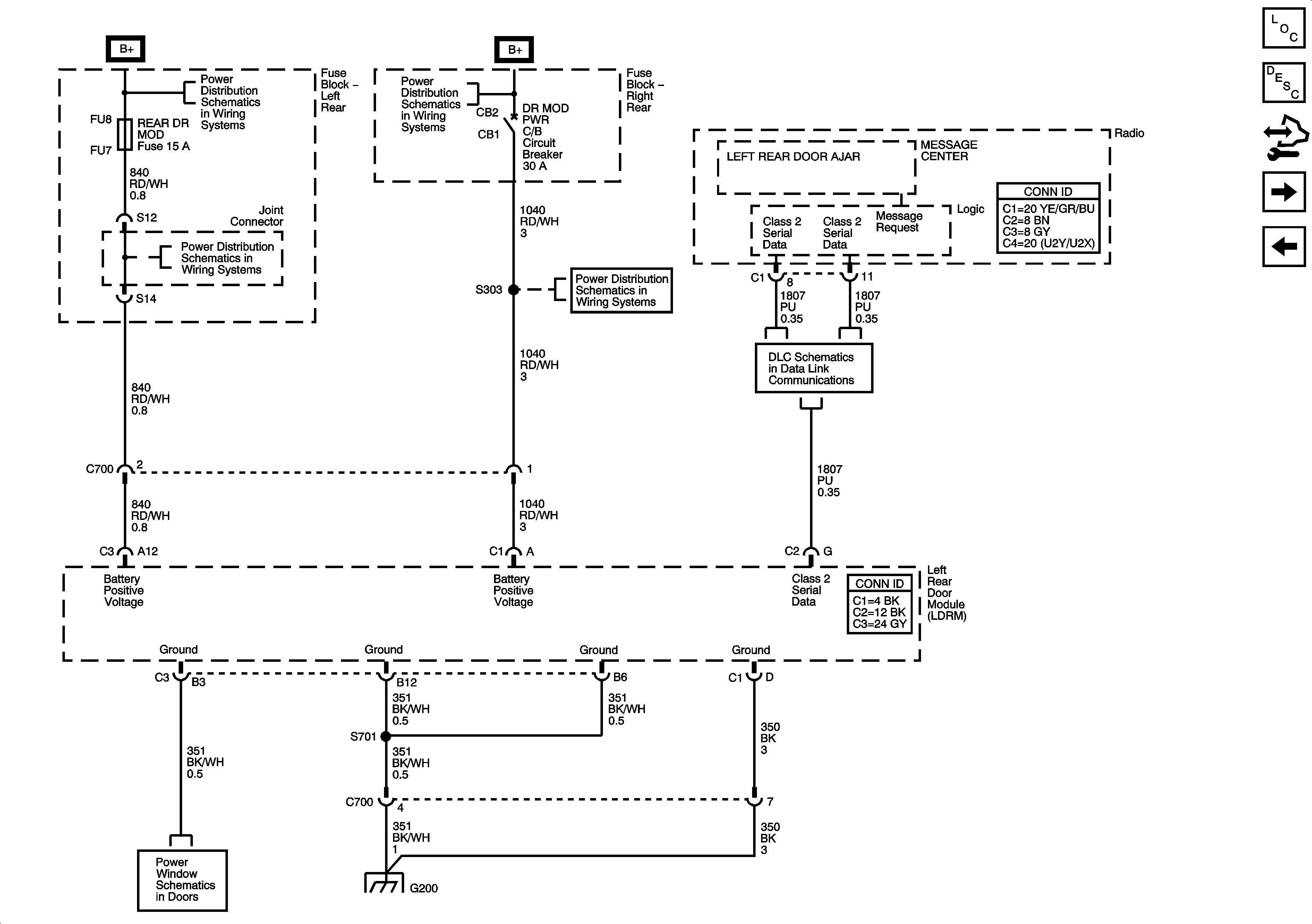
Left Rear Door Module (LRDM) Power, Ground and Serial Data
FPDM Controlled/Monitored Subsystem References - 1 of 2
Outside Rearview Mirrors, Driver Door Switch Assembly (DDSA) and Front Door Modules
Figure 7:

Left Rear Door Module (LRDM) Power, Ground and Serial Data


Object Number: 1471158  Size: FS
Master Electrical Component List
Power Door Locks Description and Operation
Control Module References
LRDM Controlled/Monitored Subsystem References
FPDM Controlled/Monitored Subsystem References - 2 of 2
Left Rear Fuse Block B+ Bus
Right Rear Fuse Block B+ Bus
Left Rear Fuse Block SEAT Circuit Breaker, TRUNK Relay/Fuse, AMP, AUDIO, DRIVER DR MOD and REAR DR MOD Fuses
Right Rear Fuse Block DR MOD PWR Circuit Breaker, CANISTER VENT, RIM/IGN SW, R FRT HTD SEAT MOD, and POWER SOUNDER Fuses
Class 2 Serial Data Bus - LHD - 1 of 2
Rear Power Window Switches and Motors
G200
Figure 8:

Left Rear Door Module (LRDM) Controlled/Monitored Subsystem References


Object Number: 1471160  Size: FS
Master Electrical Component List
Power Door Locks Description and Operation
Control Module References
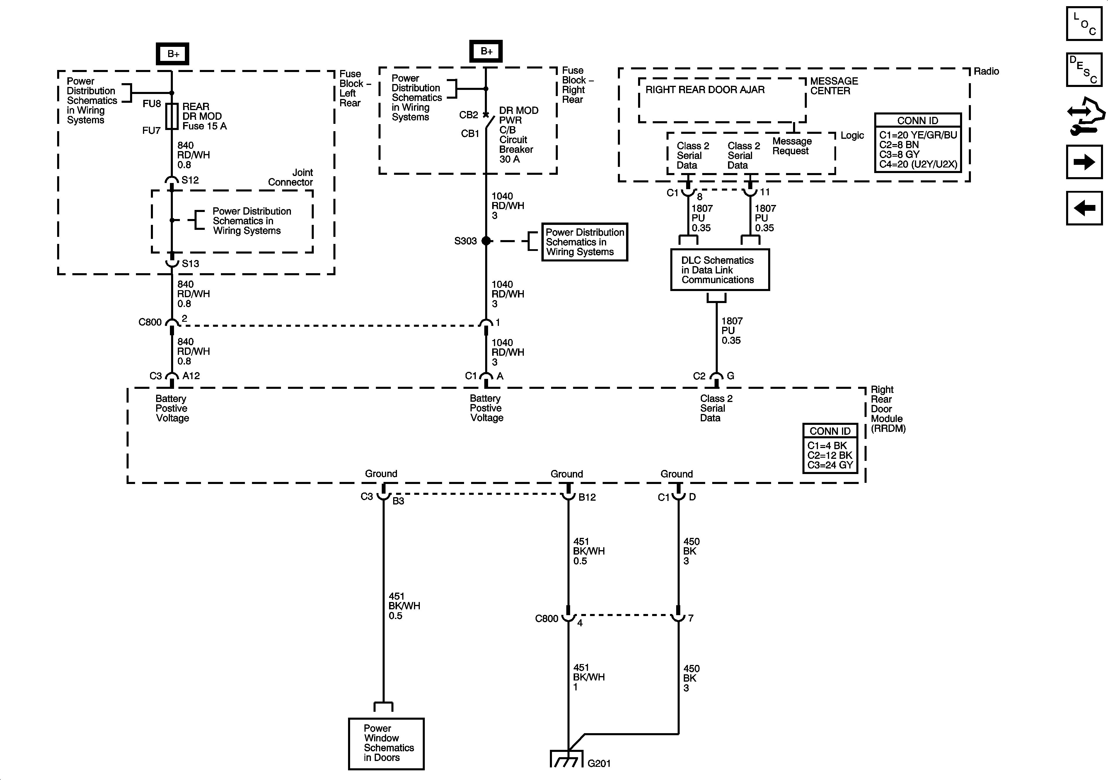
Right Rear Door Module (RRDM) Power, Ground and Serial Data
Left Rear Door Module (LRDM) Power, Ground and Serial Data
eft Rear Door Module (LRDM), Right Rear Door Module (RRDM) and Rear Door Latch Assemblies
Rear Power Window Switches and Motors
Power, Ground and Serial Data - 2 of 2
Figure 9:

Right Rear Door Module (RRDM) Power, Ground and Serial Data


Object Number: 1471161  Size: FS
Master Electrical Component List
Power Door Locks Description and Operation
Control Module References
RRDM Controlled/Monitored Subsystem References
LRDM Controlled/Monitored Subsystem References
Left Rear Fuse Block B+ Bus
Left Rear Fuse Block SEAT Circuit Breaker, TRUNK Relay/Fuse, AMP, AUDIO, DRIVER DR MOD and REAR DR MOD Fuses
Right Rear Fuse Block B+ Bus
Right Rear Fuse Block DR MOD PWR Circuit Breaker, CANISTER VENT, RIM/IGN SW, R FRT HTD SEAT MOD, and POWER SOUNDER Fuses
Class 2 Serial Data Bus - LHD - 2 of 2
Rear Power Window Switches and Motors
G201
Figure 10:

Right Rear Door Module (RRDM) Controlled/Monitored Subsystem References


Object Number: 1471163  Size: FS
Master Electrical Component List
Power Door Locks Description and Operation
Control Module References
Right Rear Door Module (RRDM) Power, Ground and Serial Data
eft Rear Door Module (LRDM), Right Rear Door Module (RRDM) and Rear Door Latch Assemblies
Rear Power Window Switches and Motors
Power, Ground and Serial Data - 2 of 2