GM Service Manual Online
For 1990-2009 cars only
Makes
🢒
Cadillac
🢒
2005
🢒
CTS
🢒 Fuel Controls - Fuel Pump and Injectors
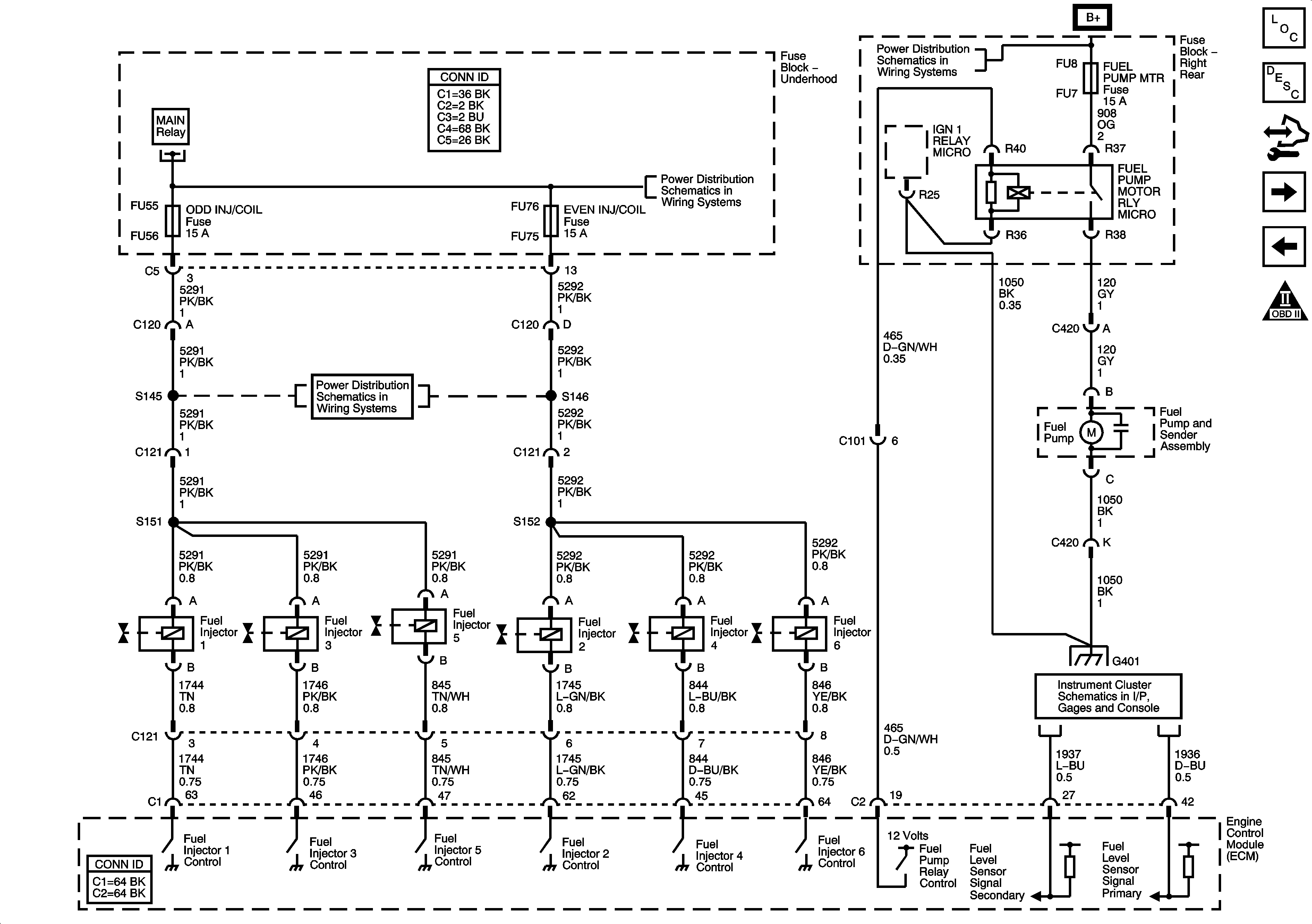
Fuel Controls - Fuel Pump and Injectors
Fuel Controls - Fuel Pump and Injectors
Master Electrical Component List
Engine Control Module Description
Control Module References
Fuel Controls - EVAP Controls and IMRC Solenoid
Ignition Controls - CKP and Knock Sensors
Engine Controls Schematic Icons
Underhood Fuse Block B+ Bus - 2 of 2
Underhood Fuse Block ODD INJ/COIL Fuse
Underhood Fuse Block B+ Bus - 2 of 2
Right Rear Fuse Block B+ Bus
G401
Gages - 2.8L/3.6L (LP1/LY7)