GM Service Manual Online
For 1990-2009 cars only
Makes
🢒
Cadillac
🢒
2005
🢒
CTS
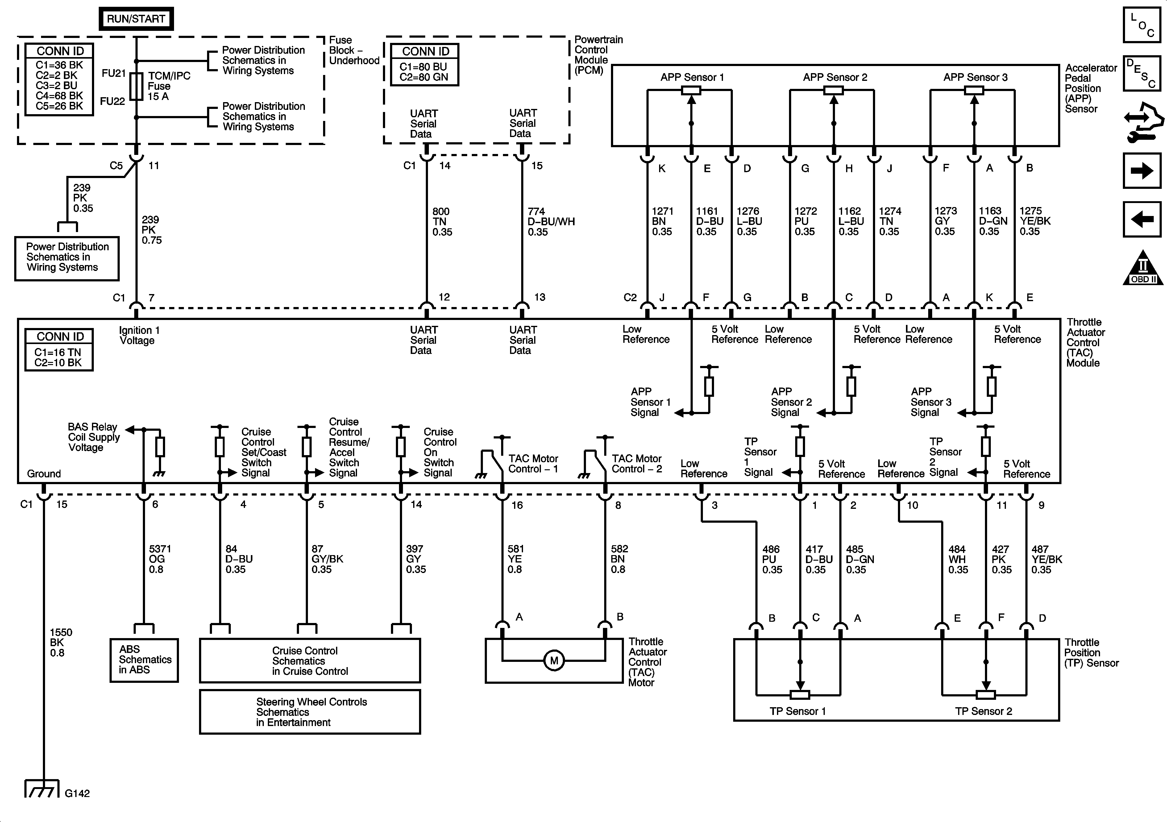
🢒 Engine Data Sensors - Throttle Actuator Control (TAC) System
Engine Data Sensors - Throttle Actuator Control (TAC) System
Engine Data Sensors - Throttle Actuator Control (TAC) System
Master Electrical Component List
Powertrain Control Module Description
Control Module References
Ignition Controls - Odd Ignition Coils
Engine Data Sensors - Heated Oxygen Sensors (HO2S)
Engine Controls Schematic Icons
Underhood Fuse Block STARTER Relay, IGN 1 Relay, HTR VLV/CLTCH and TCM/IPC Fuses
Underhood Fuse Block STARTER Relay, IGN 1 Relay, HTR VLV/CLTCH and TCM/IPC Fuses
Underhood Fuse Block STARTER Relay, IGN 1 Relay, HTR VLV/CLTCH and TCM/IPC Fuses
BPP Sensor, Switches and Indicators 5.7L
Cruise Control System - 5.7L (L56)
Steering Wheel Controls - 5.7L (L56)
G140, G141 and G142 (L56)