GM Service Manual Online
For 1990-2009 cars only
Makes
🢒
Cadillac
🢒
2005
🢒
CTS
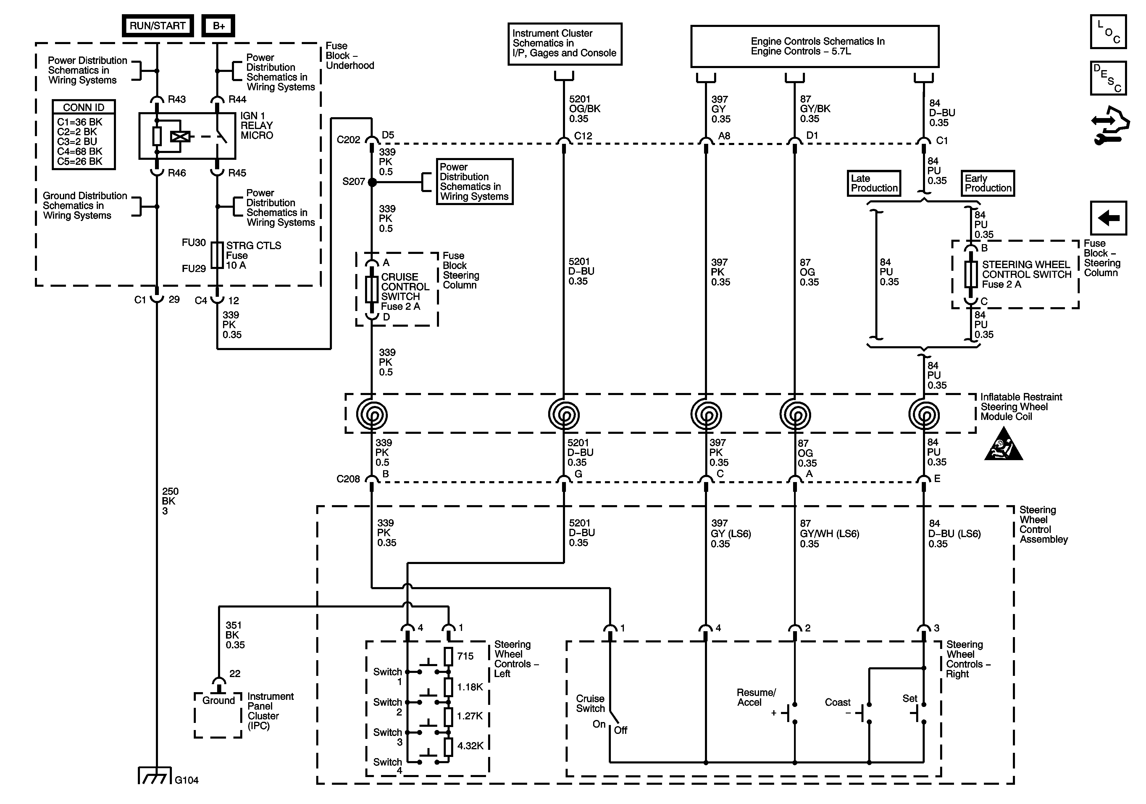
🢒 Steering Wheel Controls - 5.7L (L56)
Steering Wheel Controls - 5.7L (L56)
Steering Wheel Controls - 5.7L (LS6)
Master Electrical Component List
Radio/Audio System Description and Operation
Control Module References
Steering Wheel Controls - 2.8L/3.6L (LP1/LY7)
Ignition Switch - 2 of 2
Underhood Fuse Block B+ Bus - 2 of 2
G104 - 1 of 2
G104 - 1 of 2
Underhood Fuse Block WASH NOZ, STRG CTLS and IGN MOD/MAF Fuses
Driver Information Center (DIC) System
Engine Data Sensors - Throttle Actuator Control (TAC) System
SIR Caution for Zoning
G104 - 1 of 2
G200