GM Service Manual Online
For 1990-2009 cars only
Makes
🢒
Cadillac
🢒
2005
🢒
CTS
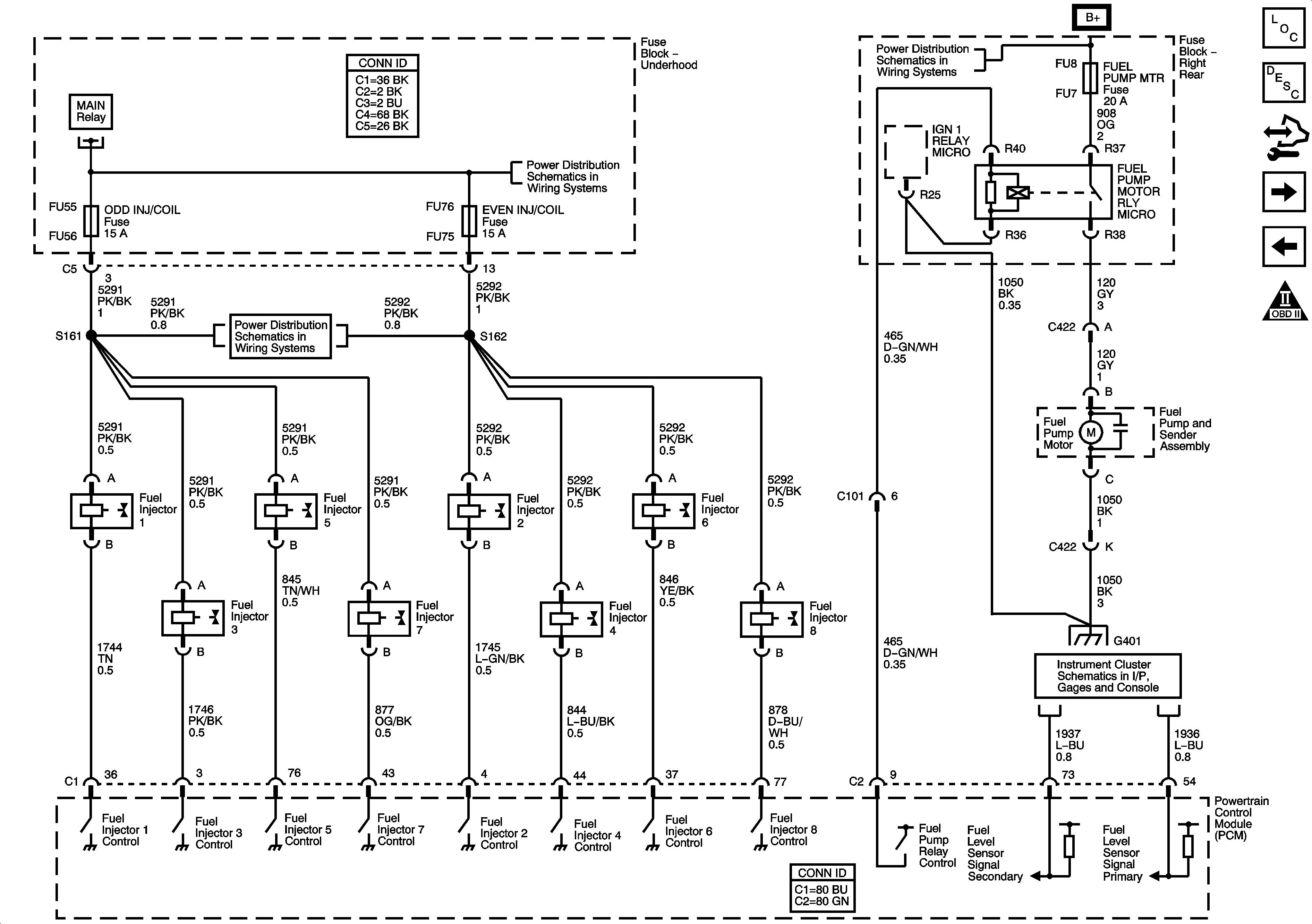
🢒 Fuel Controls - Fuel Injectors, Fuel Pump and Sender Assembly
Fuel Controls - Fuel Injectors, Fuel Pump and Sender Assembly
Fuel Controls - Fuel Injectors and Fuel Pump and Sender Assembly
Master Electrical Component List
Powertrain Control Module Description
Control Module References
Fuel Controls - EVAP Controls
Ignition Controls - Knock, CKP and CMP Sensors
Engine Controls Schematic Icons
Module Power, Ground, Serial Data, and MIL
Underhood Fuse Block ODD INJ/COIL Fuse
Underhood Fuse Block B+ Bus - 2 of 2
Right Rear Fuse Block B+ Bus
G401
Gages - 5.7L (L56)