GM Service Manual Online
For 1990-2009 cars only
Makes
🢒
Cadillac
🢒
2005
🢒
CTS
🢒 Manual Transmission (M35)
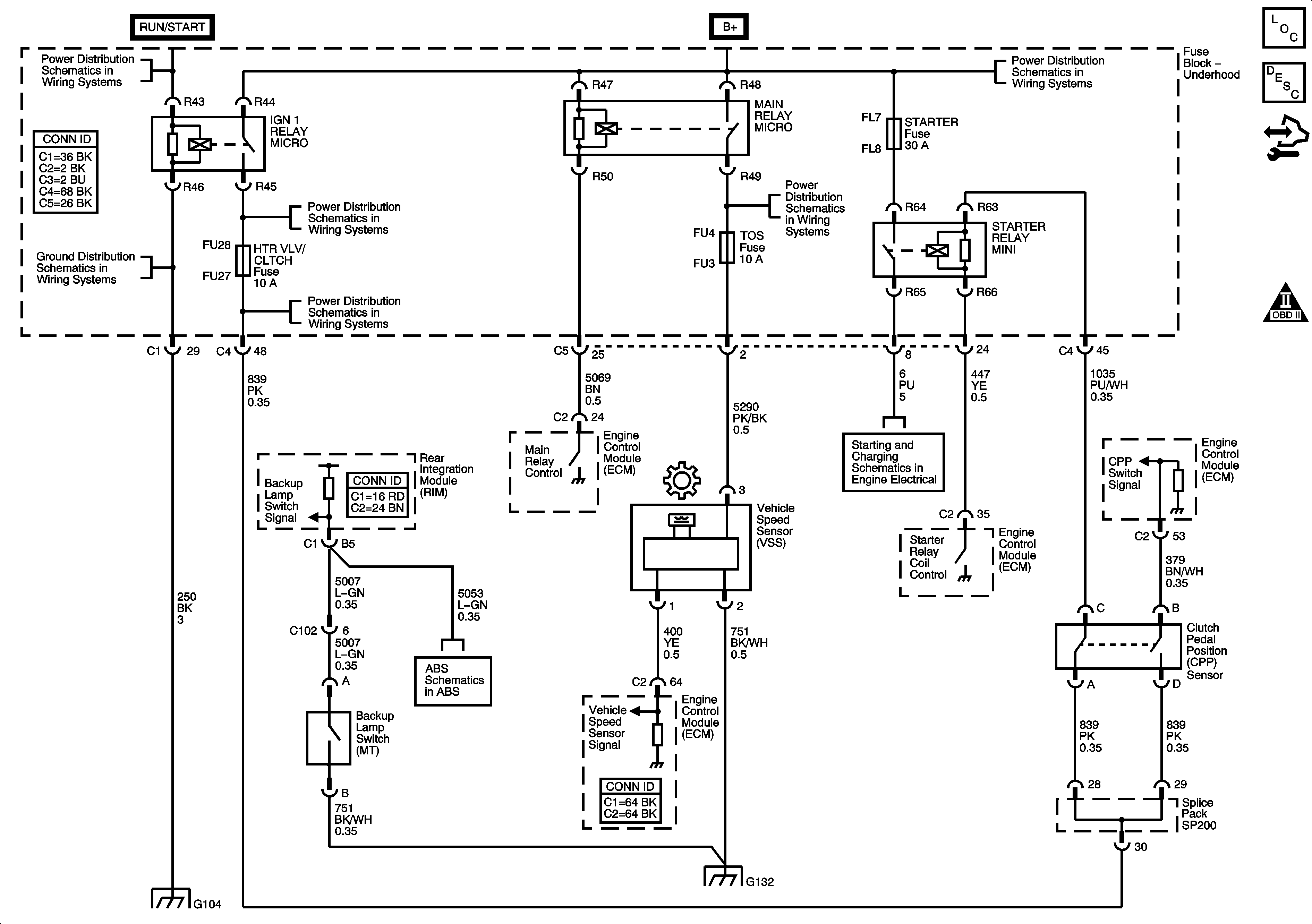
Manual Transmission (M35)
Master Electrical Component List
Transmission System Description and Operation
Control Module References
Manual Transmission Schematic Icons
Ignition Switch - 2 of 2
G104 - 1 of 2
Underhood Fuse Block WASH NOZ, STRG CTLS and IGN MOD/MAF Fuses
Underhood Fuse Block WASH NOZ, STRG CTLS and IGN MOD/MAF Fuses
Underhood Fuse Block B+ Bus - 2 of 2
Underhood Fuse Block B+ Bus - 2 of 2
G104 - 1 of 2
Underhood Fuse Block Cooling Fan Fuses/Relays, MAIN Relay, ECM and TOS Fuses
Starting System - 2.8L/3.6L (LP1/LY7)
G130, G131, G132 and G133 (LY7)
BPP Sensor, Switches and Indicators - 2.8L/3.6L (LP1/LY7)