GM Service Manual Online
For 1990-2009 cars only
Makes
🢒
Cadillac
🢒
2005
🢒
CTS
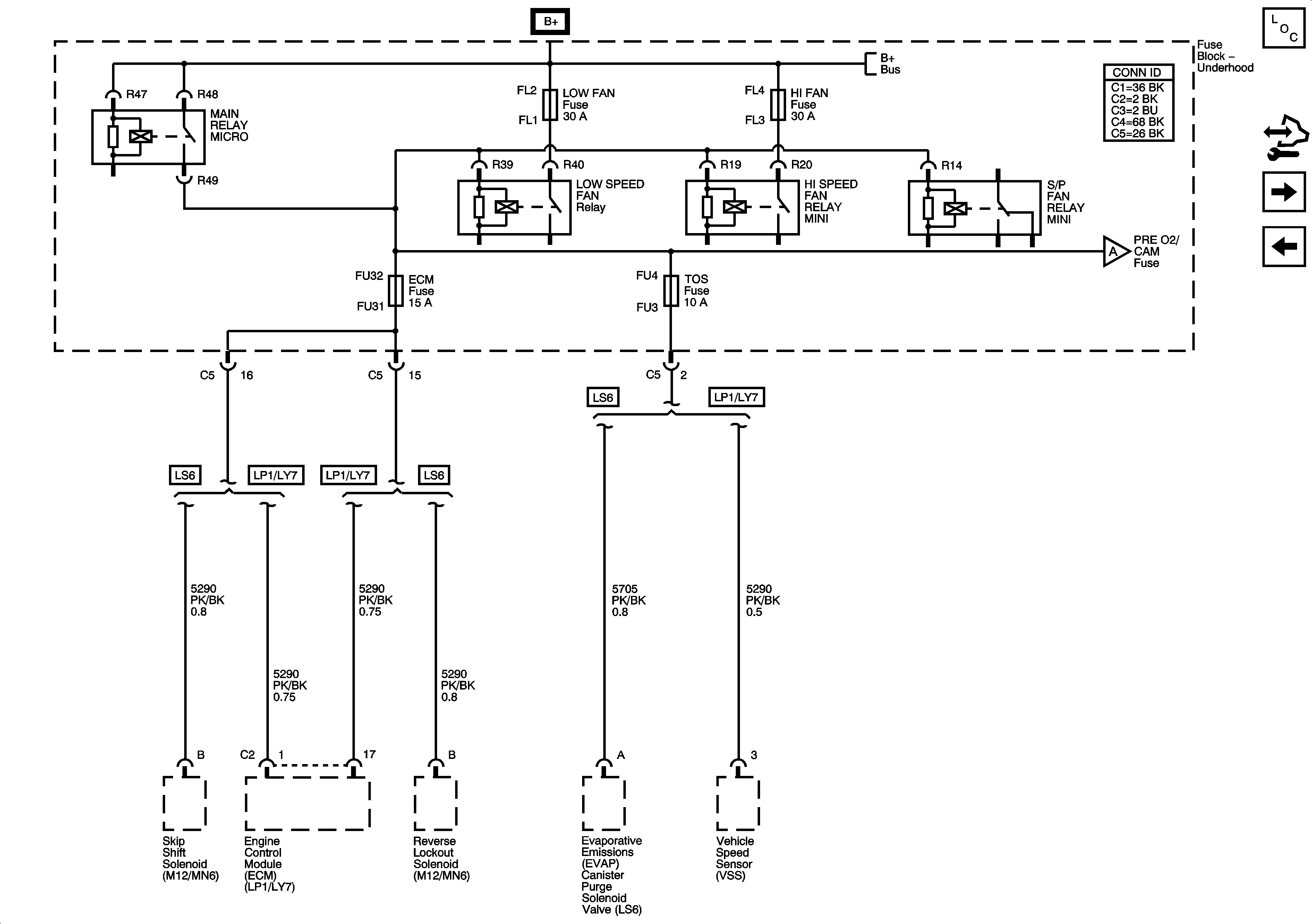
🢒 Underhood Fuse Block Cooling Fan Fuses/Relays, MAIN Relay,ECM and TOS Fuses
Underhood Fuse Block Cooling Fan Fuses/Relays, MAIN Relay,ECM and TOS Fuses
Underhood Fuse Block MAIN Relay, Cooling Fan Fuses/Relays, ECM and TOS Fuses
Master Electrical Component List
Control Module References
Underhood Fuse Block PRE 02/CAM Fuse
Underhood Fuse Block PARK LAMP Relay/Fuses and DIMMING Fuse
Underhood Fuse Block B+ Bus - 2 of 2
Underhood Fuse Block PRE 02/CAM Fuse