GM Service Manual Online
For 1990-2009 cars only
Makes
🢒
Cadillac
🢒
2005
🢒
CTS
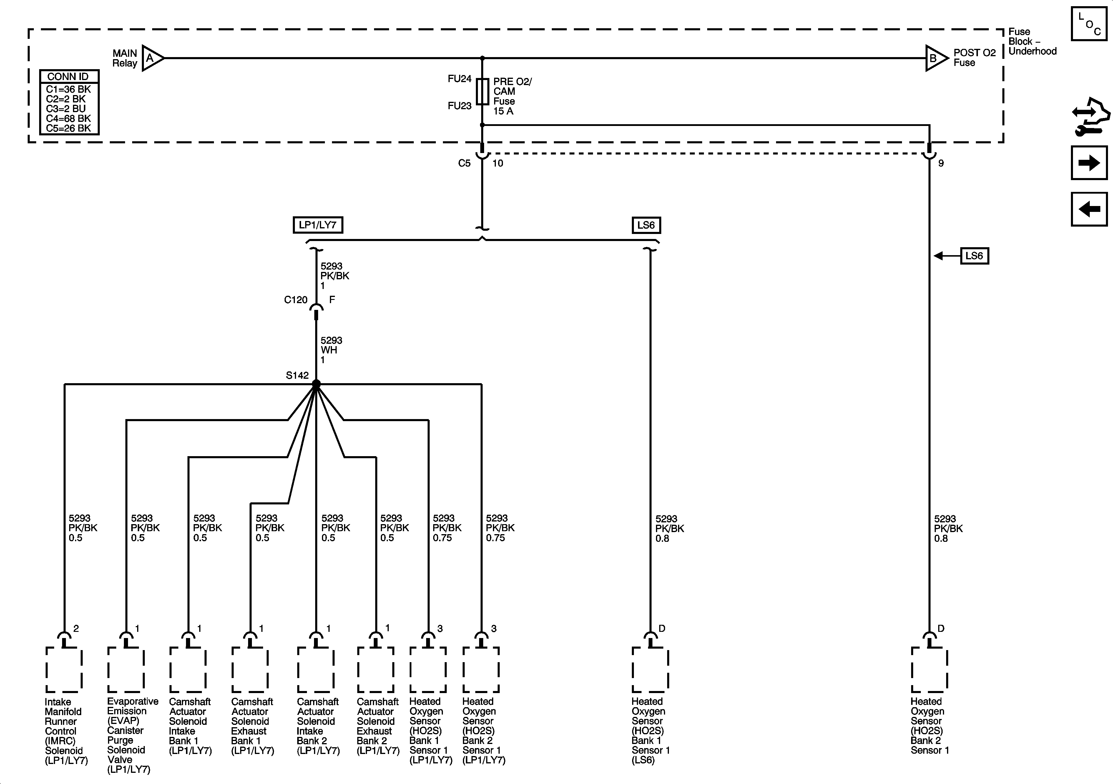
🢒 Underhood Fuse Block PRE 02/CAM Fuse
Underhood Fuse Block PRE 02/CAM Fuse
Underhood Fuse Block PRE O2/CAM Fuse
Master Electrical Component List
Control Module References
Underhood Fuse Block POST 02 Fuse
Underhood Fuse Block Cooling Fan Fuses/Relays, MAIN Relay, ECM and TOS Fuses
Underhood Fuse Block Cooling Fan Fuses/Relays, MAIN Relay, ECM and TOS Fuses
Underhood Fuse Block POST 02 Fuse