GM Service Manual Online
For 1990-2009 cars only
Makes
🢒
Cadillac
🢒
2005
🢒
CTS
🢒 Manual Transmission (M12)
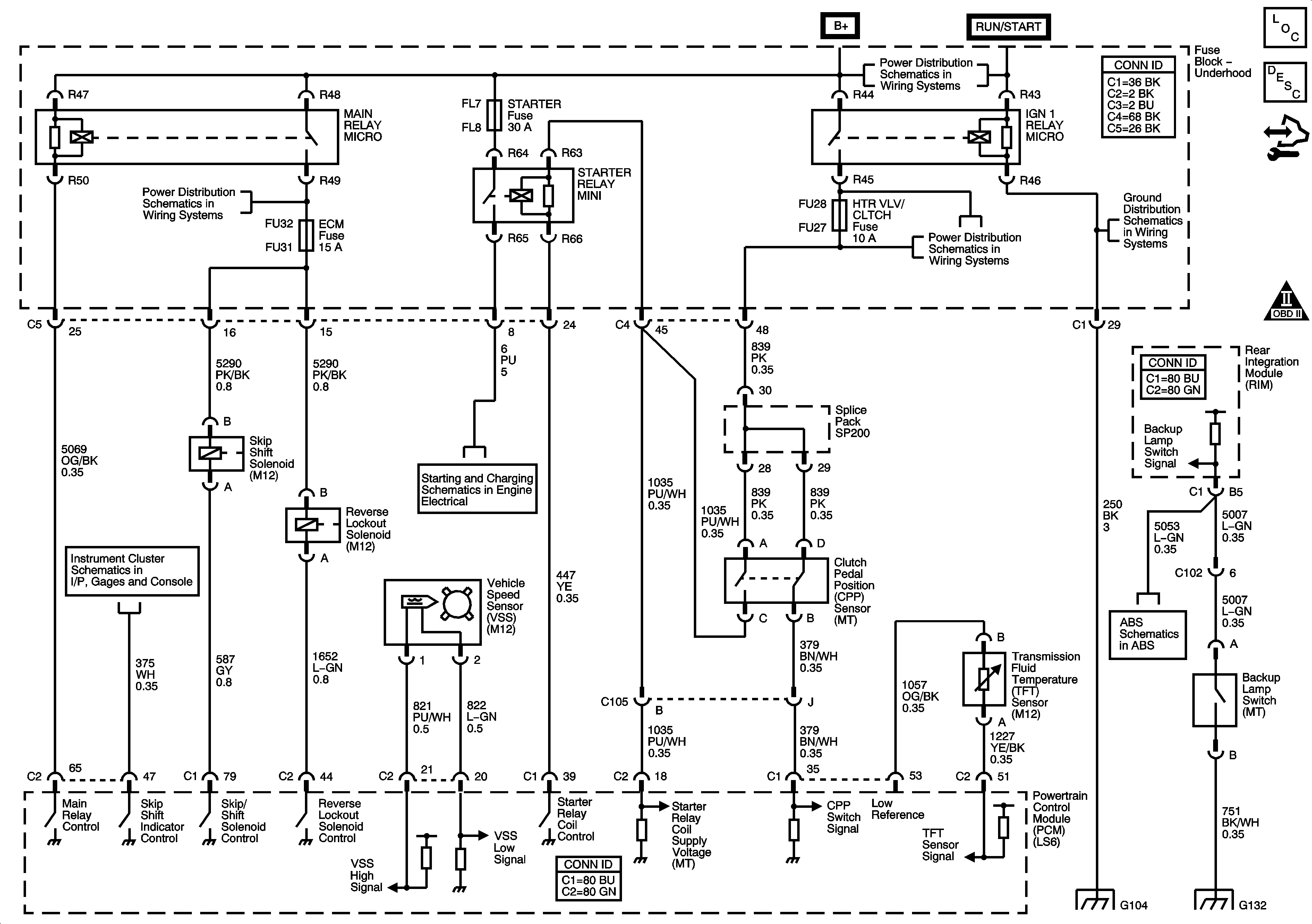
Manual Transmission (M12)
Master Electrical Component List
Manual Transmission Description and Operation
Control Module References
Manual Transmission Schematic Icons
Underhood Fuse Block PRE 02/CAM Fuse
Underhood Fuse Block STARTER Relay, IGN 1 Relay, HTR VLV/CLTCH and TCM/IPC Fuses
Underhood Fuse Block STARTER Relay, IGN 1 Relay, HTR VLV/CLTCH and TCM/IPC Fuses
G104 - 1 of 2
Indicators
Underhood Fuse Block PRE 02/CAM Fuse
Starting System - 2.8L/3.6L (LP1/LY7)
G104 - 1 of 2
G130, G131, G132 and G133 (LY7)
BPP Sensor, Switches and Indicators - 2.8L/3.6L (LP1/LY7)