GM Service Manual Online
For 1990-2009 cars only
Makes
🢒
Cadillac
🢒
2005
🢒
CTS
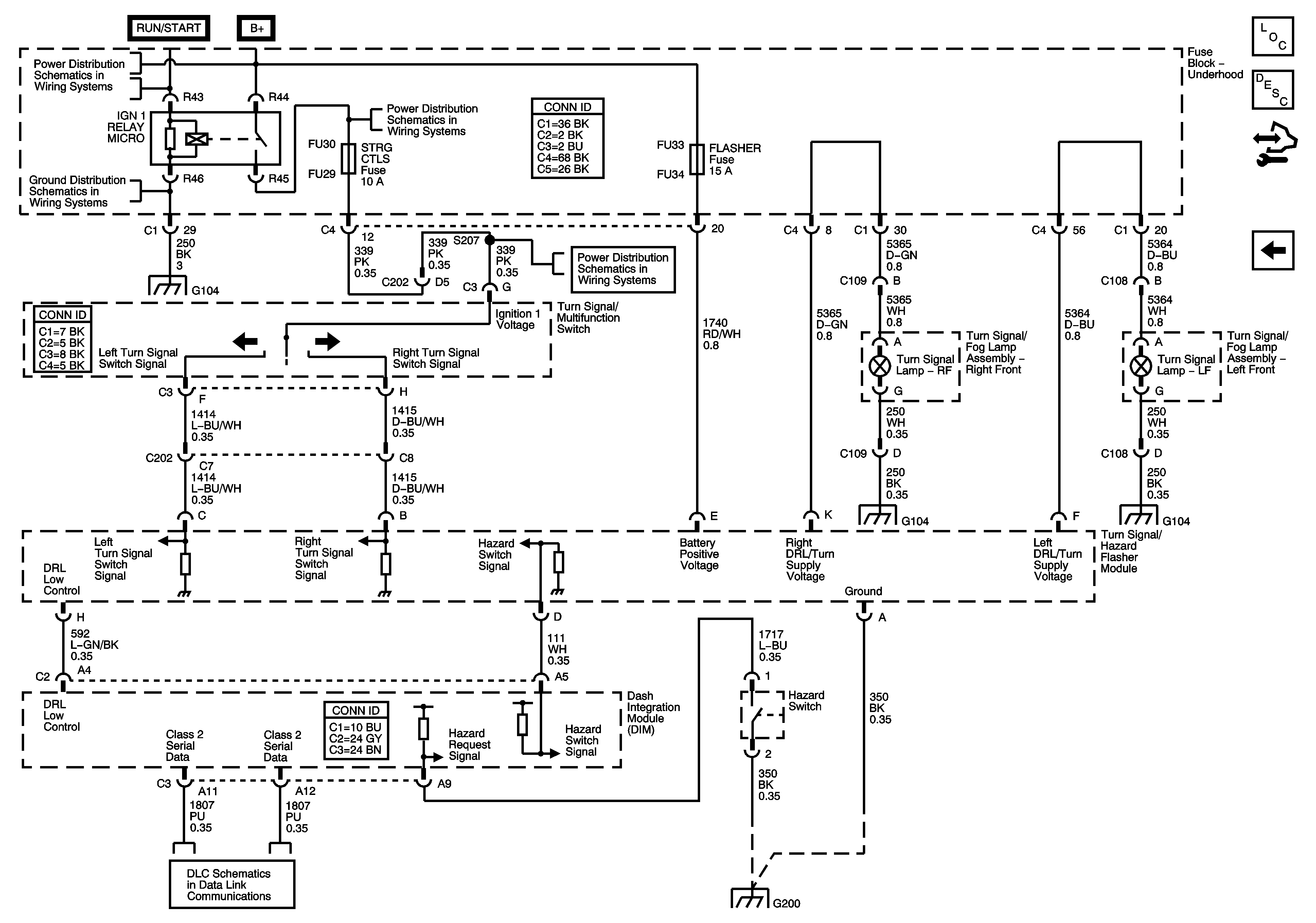
🢒 Daytime Running Lamp (DRL) - Domestic
Daytime Running Lamp (DRL) - Domestic
Daytime Running Lamps (DRL) - Domestic
Master Electrical Component List
Exterior Lighting Systems Description and Operation
Control Module References
Daytime Running Lamp (DRL) - Export (T65)
Underhood Fuse Block B+ Bus - 2 of 2
G104 - 1 of 2
G104 - 1 of 2
Underhood Fuse Block WASH NOZ, STRG CTLS and IGN MOD/MAF Fuses
Underhood Fuse Block WASH NOZ, STRG CTLS and IGN MOD/MAF Fuses
G104 - 1 of 2
G104 - 1 of 2
Class 2 Serial Data Bus - LHD - 2 of 2
G200