GM Service Manual Online
For 1990-2009 cars only
Makes
🢒
Cadillac
🢒
2005
🢒
CTS
🢒 Courtesy Lamps
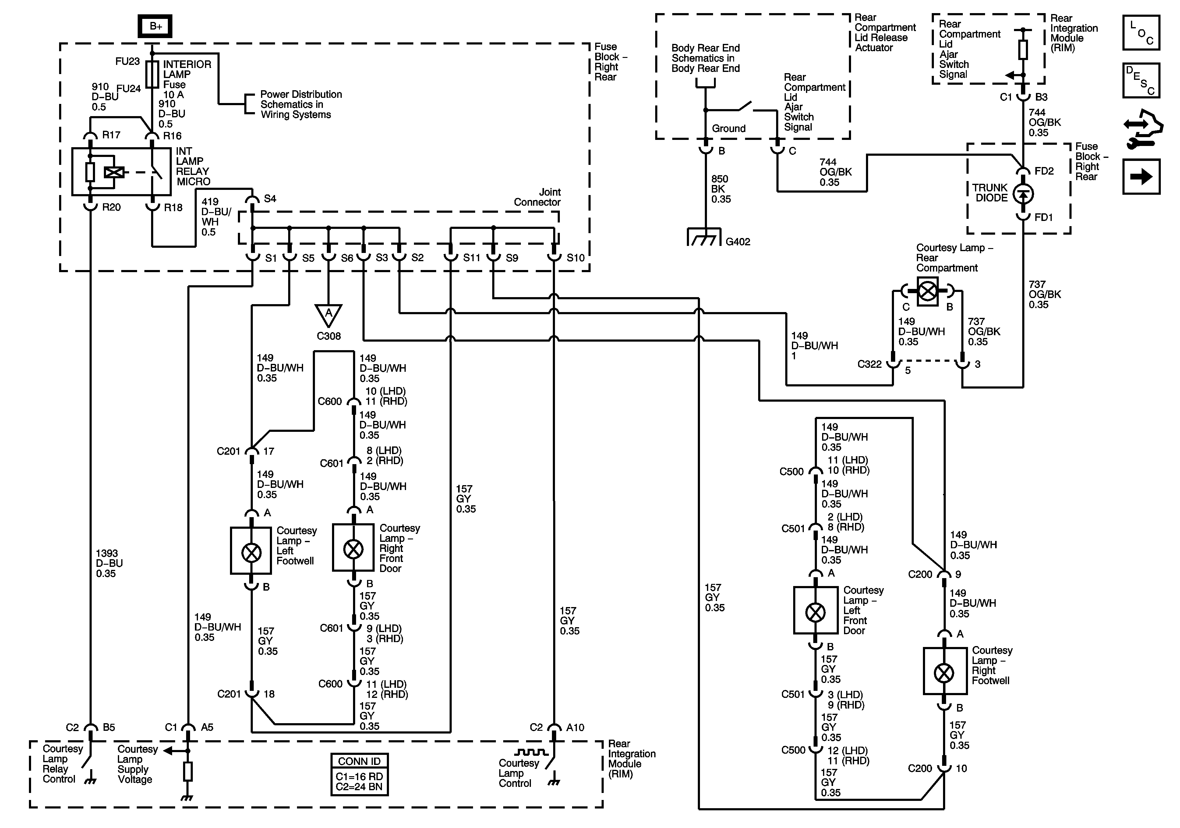
Courtesy Lamps
Courtesy Lamps
Master Electrical Component List
Interior Lighting Systems Description and Operation
Control Module References
Overhead Courtesy Lamps, Dome Lamp and Vanity Lamps
Right Rear Fuse Block B+ Bus
Overhead Courtesy Lamps, Dome Lamp and Vanity Lamps
Compartment LId Release System
G402 - 1 of 2