GM Service Manual Online
For 1990-2009 cars only
Makes
🢒
Cadillac
🢒
2005
🢒
CTS
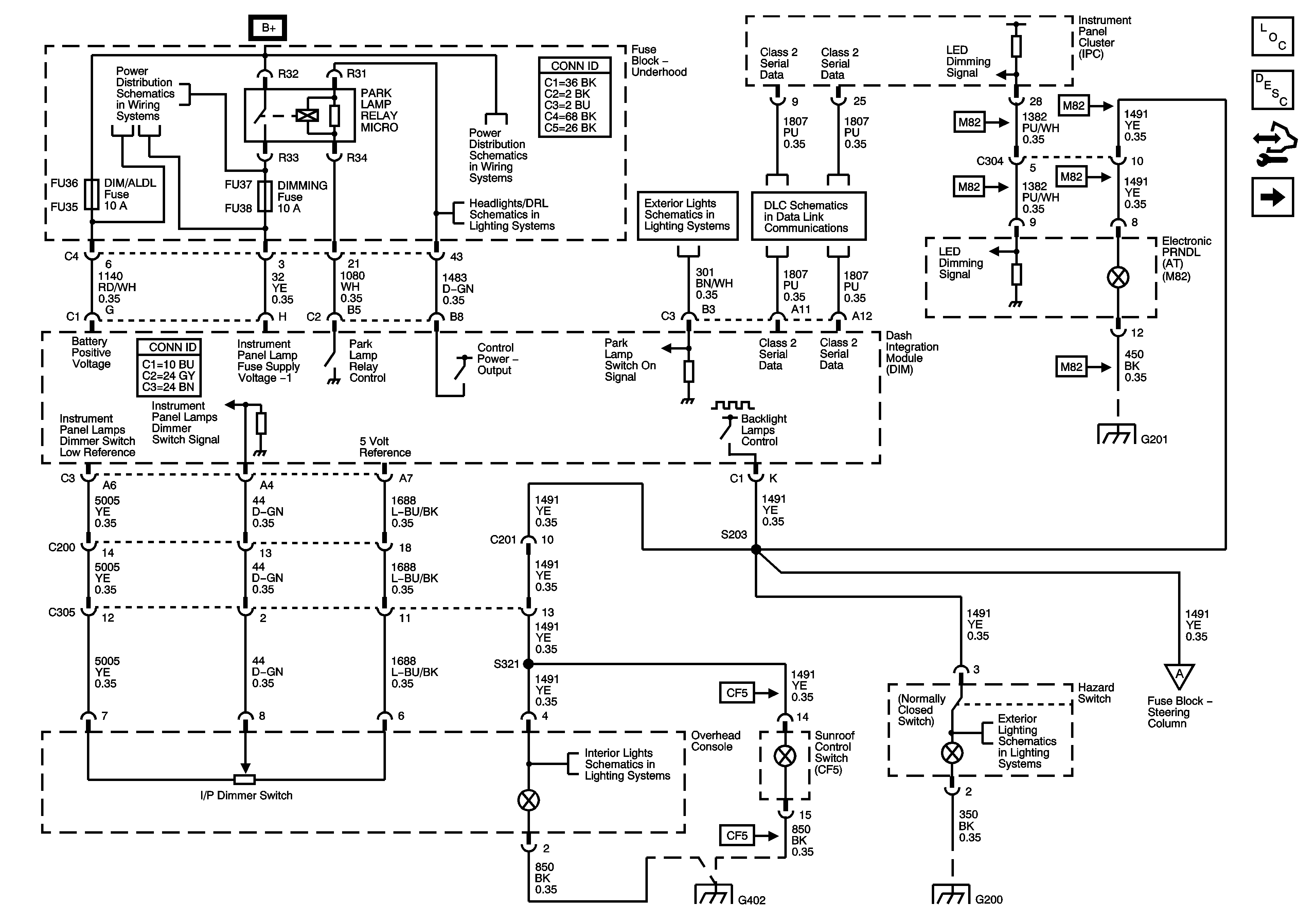
🢒 Power, Ground and Serial Data - 1 of 2
Power, Ground and Serial Data - 1 of 2
Power, Ground and Serial Data - 1 of 2
Master Electrical Component List
Interior Lighting Systems Description and Operation
Control Module References
Power, Ground and Serial Data - 2 of 2
Underhood Fuse Block PARK LAMP Relay/Fuses and DIMMING Fuse
Underhood Fuse Block PARK LAMP Relay/Fuses and DIMMING Fuse
Headlamp Controls
Front Marker Lamps (w/TT7) and Front Park Lamps (w/o TT7)
Class 2 Serial Data Bus - LHD - 2 of 2
G201
Overhead Courtesy Lamps, Dome Lamp and Vanity Lamps
Turn Signal/Hazard Flasher Module (Domestic and Export)
Steering Wheel Controls Dimming
G402 - 1 of 2
G200