GM Service Manual Online
For 1990-2009 cars only
Makes
🢒
Cadillac
🢒
2005
🢒
CTS
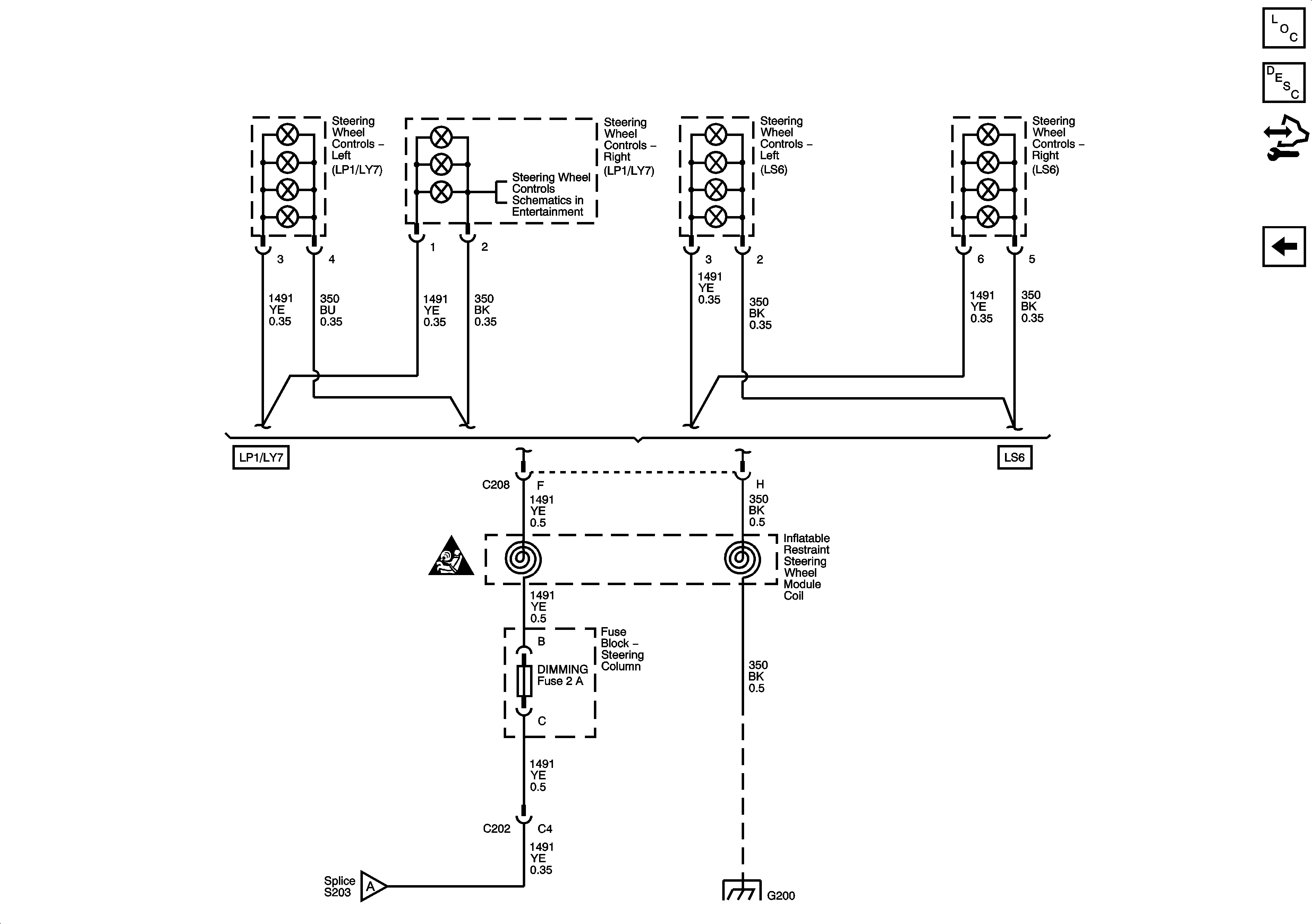
🢒 Steering Wheel Controls Dimming
Steering Wheel Controls Dimming
Steering Wheel Controls Dimming
Master Electrical Component List
Interior Lighting Systems Description and Operation
Control Module References
Power, Ground and Serial Data - 2 of 2
Steering Wheel Controls - 2.8L/3.6L (LP1/LY7)
SIR Caution for Zoning
Power, Ground and Serial Data - 1 of 2
G200