GM Service Manual Online
For 1990-2009 cars only
Makes
🢒
Cadillac
🢒
2005
🢒
CTS
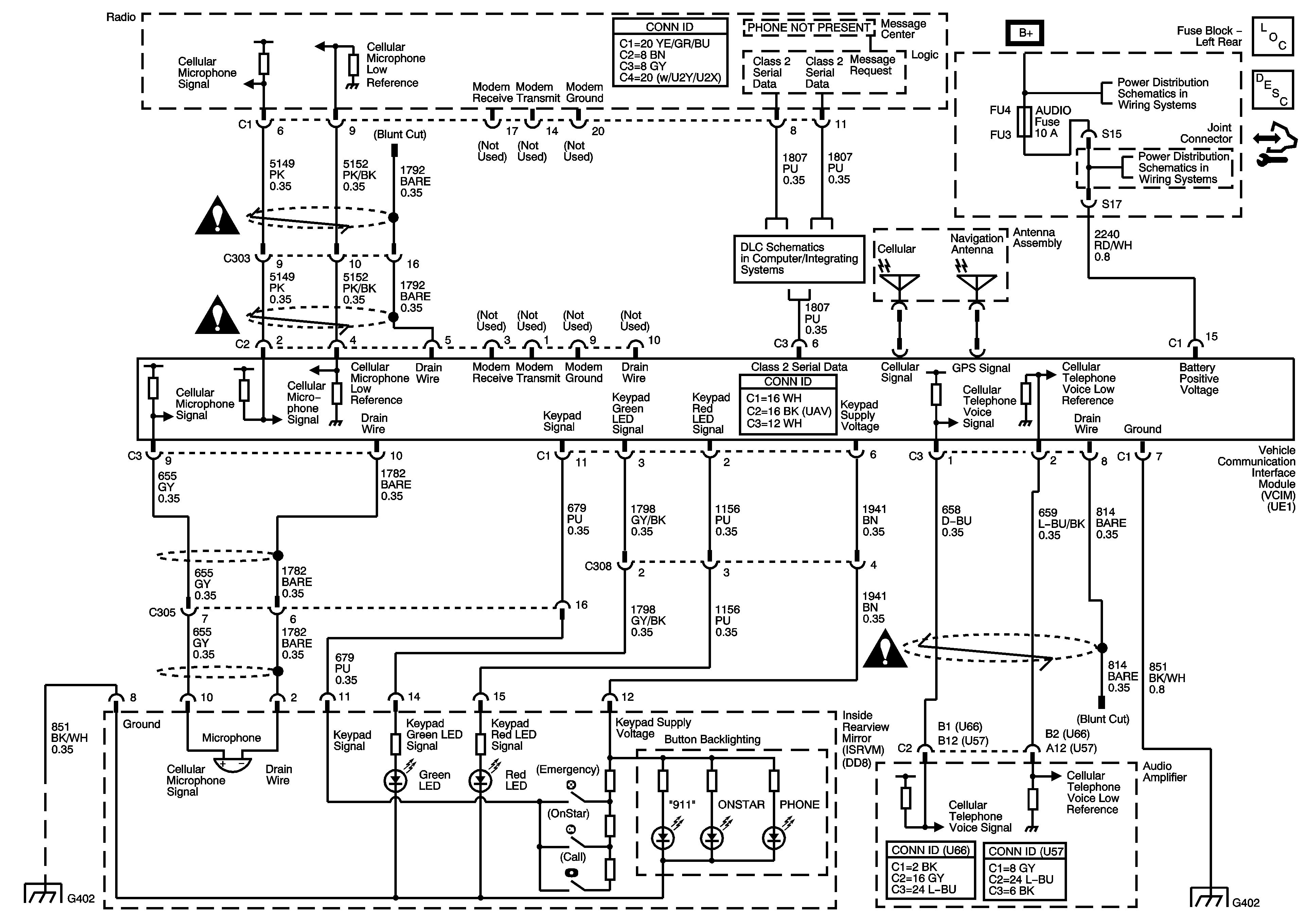
🢒 OnStar (UE1)
OnStar (UE1)
Master Electrical Component List
OnStar Description and Operation
Control Module References
Left Rear Fuse Block B+ Bus
Left Rear Fuse Block SEAT Circuit Breaker, TRUNK Relay/Fuse, AMP, AUDIO, DRIVER DR MOD and REAR DR MOD Fuses
Cellular Communication Schematic Icons
Cellular Communication Schematic Icons
Cellular Communication Schematic Icons
Cellular Communication Schematic Icons
Class 2 Serial Data Bus - LHD - 2 of 2
G102, G105, G110, G303, G304 and G306
Cellular Communication Schematic Icons
G402 - 1 of 2
G402 - 1 of 2